EasyManua.ls Logo

Sony DXC-327 - Page 100

Sony DXC-327
112 pages
Print Icon
To Next Page IconTo Next Page
To Next Page IconTo Next Page
To Previous Page IconTo Previous Page
To Previous Page IconTo Previous Page
Loading...
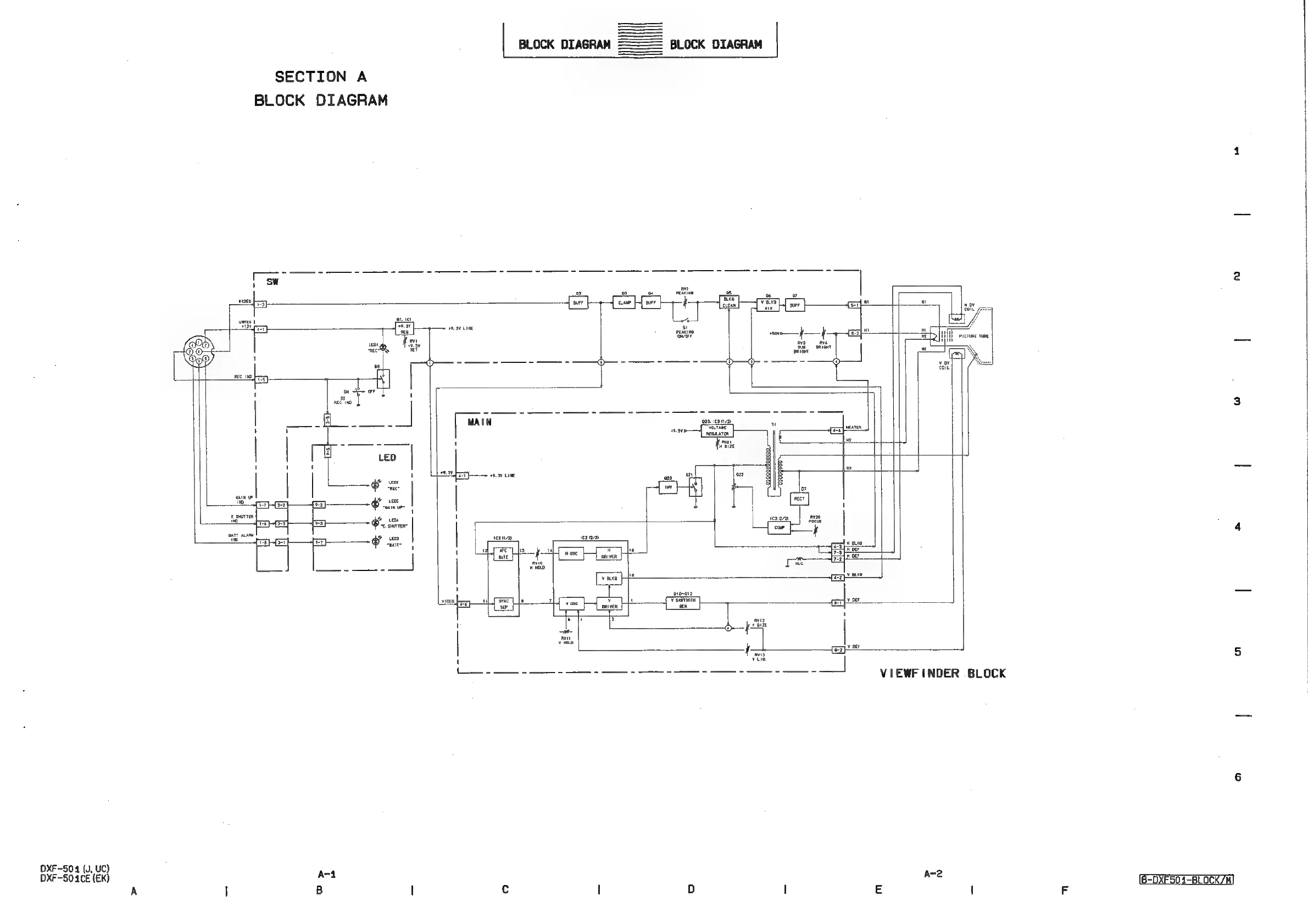
BLOCK
DIAGRAM
BLOCK
DIAGRAM
SECTION
A
BLOCK
DIAGRAM
Sree
£
ose
-
———
VIEWFINDER
BLOCK
DXF-504
(J,
UC)
:
-
DXF~504CcE
(EK)
ana
A
(B=DXFSO1-BLOCK7M]

Related product manuals