EasyManua.ls Logo

Sony DXC-327 - Block Diagrams

Sony DXC-327
112 pages
Print Icon
To Next Page IconTo Next Page
To Next Page IconTo Next Page
To Previous Page IconTo Previous Page
To Previous Page IconTo Previous Page
Loading...
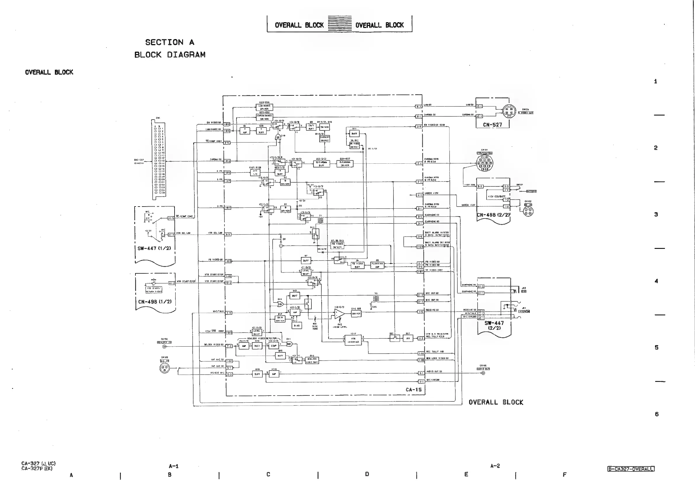
SECTION
A
BLOCK
DIAGRAM
OVERALL
BLOCK
OVERALL
BLOCK
OVERALL
BLOCK
zz
1
gerporeune
ae
ten
+
FL
Ton
a
CN-527
aay
woumuceo
rg
|
|
tee
He
=
}
eet
seaae
a
fee
=
oo7
“=
‘Vie
ooe
i)
ieee
0D
eet
H
a
Sen
oe
TED
vem_|
384
wad
as
ha
iS
:
teu]
888
ea
|_
co
totes
So
al
uo
a
/
3
et
\
rut
te
oa
tee
be
ats
expe
siav
coaur_!
a)
curoz
SS
ie
equal
a
et
ves
8
i
a
7
a
us
=
tb
Be
[neo
af
ee
*
=
{emo
Icn-498
(272)
1
PM
!
“el
emor
Bed
nimi
i
sxeune
be
'
ea
Seana
SW-447
(1/2)
bros]
Ci
|
om
be
\
i
——_
m~_
J
vail
OE
alte
a
nvaion
SS
vin
sunrsv0r
|
Cl
eee
ees
er
|
|
7
CN-498
(1/2)
\
oe
rf
on
aero
cee
tes
or,
ep
cine
|
am
eon
woneley
EY
cata
Teer
es
|
Aa
\
SW-447
cour
zal
afte)
.
iad
(2/2)
arin
J
ata
|
|
Fra
a
fed
Het
wee
dur
ees
oa
eock
eepati=
Het?
nny;
"]
Rolled
“IT
MIE
00.
[a
=
re
[
EMC
GEN
LOCK
VIDED
00
©
cay
o
perf
20
ot
CA-15
OVERALL
BLOCK
CA-327
(v,
UC)
3
CA-327P
(EK)
Ant
A-2

Related product manuals