EasyManua.ls Logo

Sony DXC-327 - Block Diagrams

Sony DXC-327
112 pages
Print Icon
To Next Page IconTo Next Page
To Next Page IconTo Next Page
To Previous Page IconTo Previous Page
To Previous Page IconTo Previous Page
Loading...
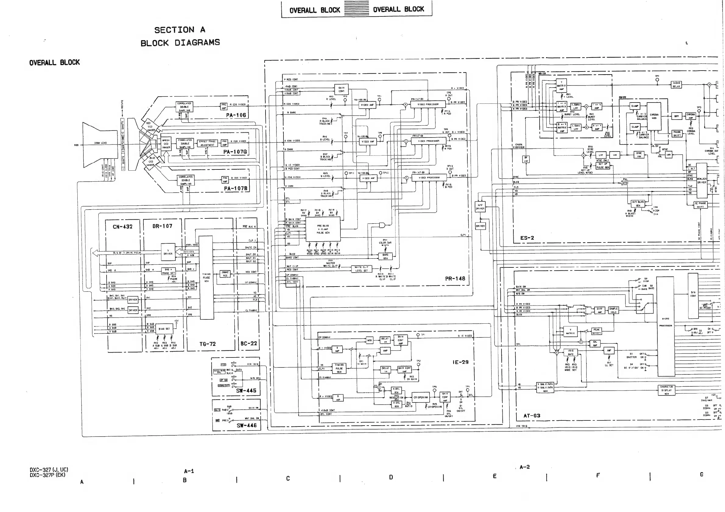
OVERALL
BLOCK
SECTION
A
BLOCK
DIAGRAMS
OVERALL
BLOCK
OVERALL
BLOCK
(ae
[a
aT
SE]
verre
DXC-327
(u,
UC)
OXC-327P
(EK)
Amt

Related product manuals