EasyManua.ls Logo

Sony FD Trinitron KV-32CS70B - Page 33

Sony FD Trinitron KV-32CS70B
76 pages
Print Icon
To Next Page IconTo Next Page
To Next Page IconTo Next Page
To Previous Page IconTo Previous Page
To Previous Page IconTo Previous Page
Loading...
ABCDE F
G
HI JKLMN
1
2
3
4
5
6
7
8
9
10
11
- 33 -
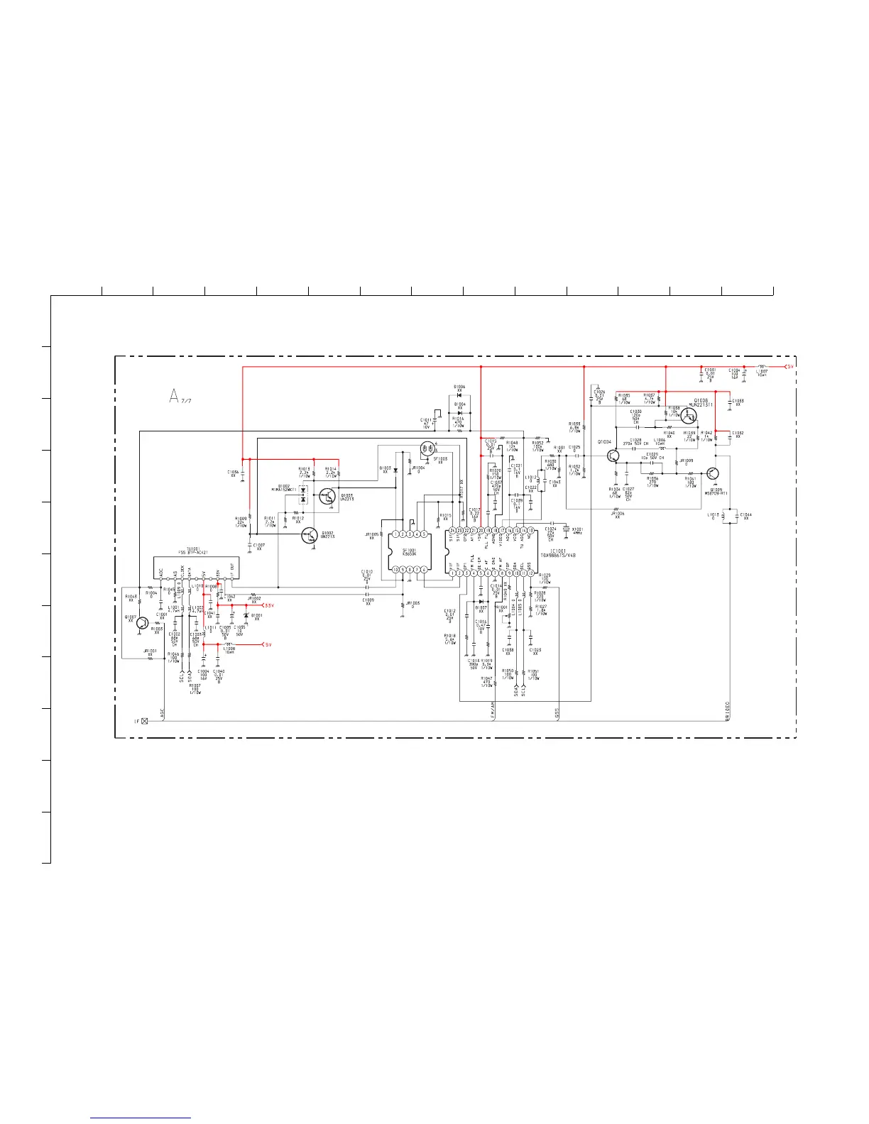
~ A Board Schematic Diagram [ Tuner ] Page 7/7 ~
COMPONENTS MARKED AS XX ARE NOT FITTED ON THIS MODEL
TUNER
2SD601A
A..-28/32CS70