EasyManua.ls Logo

Sony FDL-22 - Page 10

Sony FDL-22
21 pages
Print Icon
To Next Page IconTo Next Page
To Next Page IconTo Next Page
To Previous Page IconTo Previous Page
To Previous Page IconTo Previous Page
Loading...
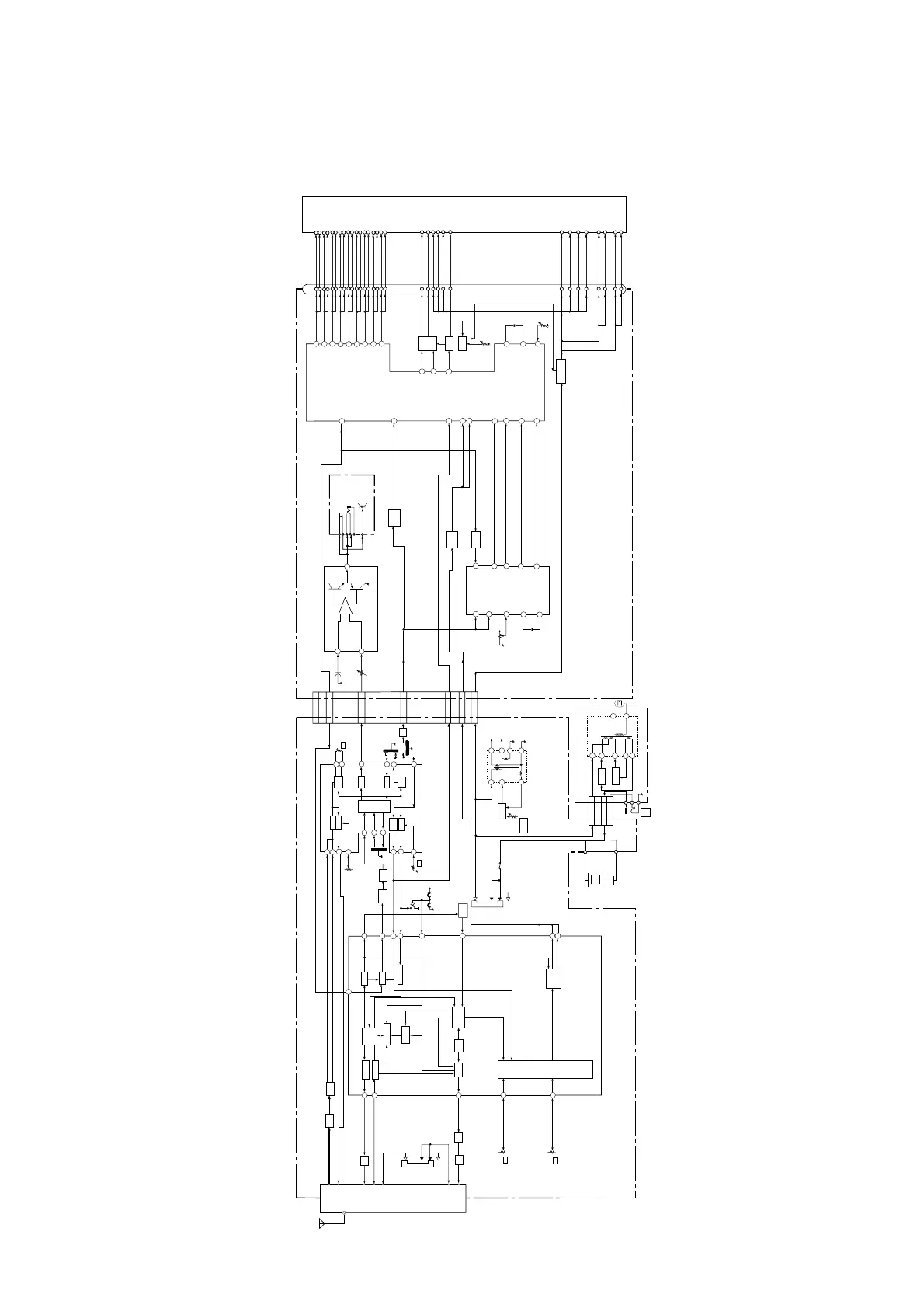
SECTION 4
DIAGRAMS
4-1. BLOCK DIAGRAM
– 11 – – 12 –
– 13 –
– 14 –
10
1
2
3
5
6
9
VCC
IC501
HP AMP
+
SPEAKER
PHONES
J501
+
-
2
21
23
19
12
11
VIDEO IN
HD IN
SYNC SEP
TINT CONT
CONTRAST
VCXO IN
VCXO OUT
R OUT
G OUT
B OUT
IC301
Y/C/J
INV
Q302
10
20
30
21
1
12
2
13
3
34
4
35
5
6
27
37
7
28
38
8
29
9
23
VM BUFF
Q407
SW
Q406
BUFF
Q401
RV401
RV402
X401
4.5MHz
+30V
BUFF
Q402
B IN
G IN
R IN
AUTO CB
TGL VL
XTO
XTI
INB
R
H IN DB
TPR1
TPR1B
V IN
BESTB
D1
D4
D3
D2
CLA
CLB
CL2
CP
HSO
RV501
RV301
X301
4.43MHz
VS 2
VS 2
VDB
VDB
VDR
VDR
VDGVDG
VDG
17
18
33
34
16
32
15
31
VSS
VM
VM
VM
TPR1
TPR2
2
6
23
39
4
3
RES
RES
D1
D1
D4D4
D4
D3
D3
D2
D2
CLA
CLA
CLB
CLB
CL2
CL2
CP
CP
24
40
22
38
21
37
20
36
12
28
11
27
10
26
9
25
13
29
LCD
MONITOR
IC401
MONITER
CONTROL
CN502
B(HP AMP,MONITOR CONTROL, CHROMA)
SYNC SEP
Q303
IND SW
Q408
40
IF
AGC
BS
VB
IF
UB
MB
TV
TU101
TUNER
IF AMP
Q201
SW
Q006
S601
(2/1)
10
20
30
21
31
1
22
13
23
3
14
4
15
5
16
6
17
18
19
FILTER
SWF201
28
27
26
BUFF
Q001
AMP
Q002
RV001
UP
RV003
UA
18
22
BS
COMPOSITION
BAND
SELECT
BT
G E N.
BT
BAR
DISPLAY
POSITION
ADJUST
TUNING
CONTROL
INPUT CONTROL
AUTO
RETURN
INITIAL
SET
CHARGE/
DISCHARGE
CIRCUIT
DEFEAT
OUT PUT
SIGNAL
DEFECT
COMPARATOR
BA R
OUT PUT
DEF
FH
H SYNC
AFC
SUD
CS
V
U
INV/SW
Q003,004
S002S001
Q007
AFC SW
FH SW
Q005
INV
Q205
3
4
14
CF202
SYNC
AFT
AFT COIL
IF
AGC OUT
AGC DL
IF ANP
AGC IF
IF
F M
D E T
E-VDL
FM DET
L I M
SYNC
SEP
AFT
VIDEO
DET
BUFF
LIMITER
VIDEO
AMP
10
AUDIO
REF COIL
REF COIL
SIF
DET
OUT
SYNC SEP
IC201
VIF/SIF DET
IC001
TUNER CONTROL
UP
UA
A(TUNER,VIF/SIF DET, TUNING)
S601
(2/2)
BATTERY
F601
1
2
3
4
5
6
7
8
9
8
4
1
6
3
PROT SW
Q610
RV601
+30V
+4.5V
T601
DRIVE
Q701
DRIVE
Q702
1 UNREG 1
3 UNREG 3
4 BATT 4
CN601
CN701
T701
BLACK
LIGHT
L(DC IN, B/L INV)
J701
DC
IN
CF203
BUFF
Q202
CF201
RF IN
BS
U/V
HP
7
6
RV201
CN201
PORT SW
Q601-603
5 AUDIO
9 VIDEO
8 IND
6 UNREG
7 H SYNC
2 VHF
3 H.P
LLD
AFT

Related product manuals