EasyManua.ls Logo

Sony HBD-E690 - Schematic Diagram - AMP Board (2;3); AMP Board Schematic (2;3)

Sony HBD-E690
102 pages
Print Icon
To Next Page IconTo Next Page
To Next Page IconTo Next Page
To Previous Page IconTo Previous Page
To Previous Page IconTo Previous Page
Loading...
HBD-E190/E290/E490/E690
HBD-E190/E290/E490/E690
4949
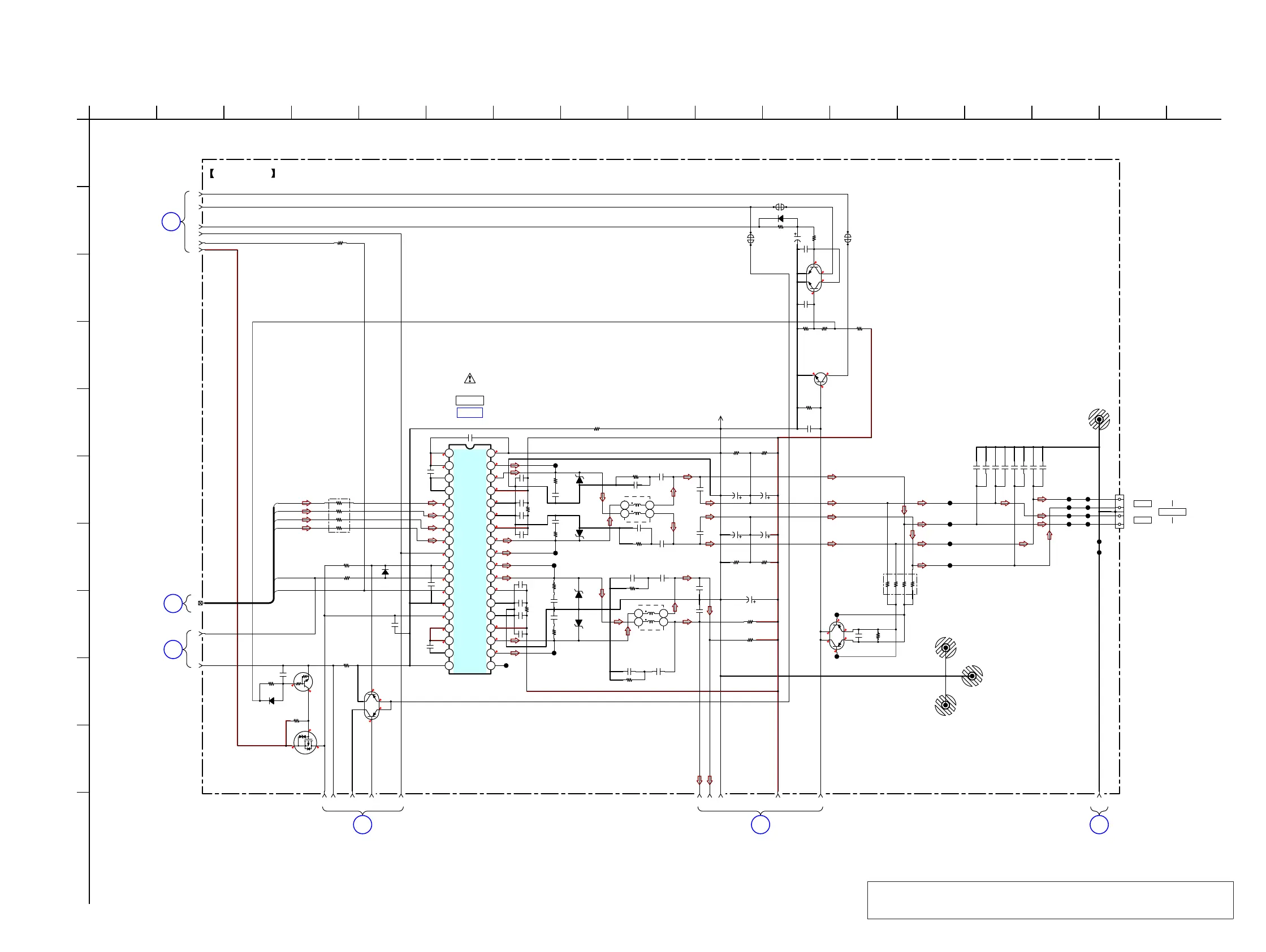
5-20. SCHEMATIC DIAGRAM - AMP Board (2/3) - • See page 55 for IC Block Diagrams.
Ver. 1.2
1
A
B
C
D
E
F
G
H
I
J
K
2 3 4 5 6 7 8 9 10 11 12 13 14 15 16 17
AMP BOARD (2/3)
2
1
3
4
5
6
8
9
10 11 12 13 14
15 16 1718 19
20
7
0
0
27
54
0
0
32.5
27
27
32.5
27
27
27
27
32.5
54
54
1.6
1.6
1.6
1.6
3.3
5
5
3.3
3.3
3.3
0
8.5
3.3
3.3
3.3
3.1
3.1
3.3
0
3.3
0
0
0
1.2
1.2
1.2
1.2
0
0
3.30
3.3
0.6
PVDD_DET
EN
DC_DET
SR -
SR +
SL +
SL -
SR Right +
SR Left -
Center -
Center +
xPWRDN
xTRISTATE
Center -
Center +
SR Right +
SR Left +
SR Left -
SR Right -
D3302
TP3304
TP3302
EB3001
JL3312
D3301
D3301 ~ D3304
TP3301
TP3303
Q3552
OVER LOAD
DETECT
RT3CLLM
EB3002
JL3313
C3328
2.2
20uH
L3303
EB3007
SL3001
D3303
D3304
1SMB51AT3G
SL3000
SL3002
22k
R3556
100k
R3312
100k
R3560
0.01
C3557
47kR3555
1SS388D3503
CL3407
CL3408
CL3410
CL3405
4P
TB3401
CL3406
JL3303
20uH
L3301
0.47
C3363
0.47
C3364
C3308
1
C3309
1
C3319
1
C3318
1
IC3302
STA516BE
VCC_SIGN
VCC_SIGN
VSS
VSS
1N2B
IN2A
IN1B
1N1A
xTH_WARN
xFAULT
xTRISTATE
xPWRDN
CONFIG
VL
VDD
VDD
GND_REG
GND_CLEAN
N.C
OUT1A
OUT1A
VCC1A
GND1A
GND1B
VCC1B
OUT1B
OUT1B
OUT2A
OUT2A
VCC2A
GND2A
GND2B
VCC2B
OUT2B
OUT2B
GND_SUB
C3555
0.1
C3554
0.01
10kR3361
0R3348
0R3029
C3333
10
C3334
0.1
C3335 0.1
C3336
0.1
C3331
10
C3253
270 63V
C3323
0.47
C3324
0.47
C3356
0.1
C3357
0.1
C3306
0.1
C3307
0.1
560 35V
C3351
560 35V
C3353
560 35V
C3352
560 35V
C3354
4.7k
R3354
33k
R3904
33k
R3905
4.7k
R3356
4.7k
R3355
4.7k
R3353
Q3554
VOLTAGE DETECT
SSM3J325F,LSOYF
10k
R3025
Q3512
VOLTAGE
DETECT
DRC5115E0L
0
R3044
RB3305
100k
0
R3345
TP3308
TP3306
TP3305
TP3307
RB3302
22
4.7R3357
4.7R3358
4.7R3383
4.7
R3384
1k
R3559
47k
R3557
10k
R3558
10k
R3026
C3574
1
C3317
0.022
C3315 0.1
C3322
0.022
C3320 0.1
C3340
0.022
C3338 0.1
C3339
0.1
C3341
0.022
0
R3311
0
R3301
22
R3371
22
R3372
C3371
330p
C3372
330p
C3382
330p
C3381
330p
22
R3382
22
R3381
Q3302
OVER LOAD DETECT
RT3AMMAM1-T111-1F
JL3408
JL3407
JL3406
JL3405
JL3411
JL3412
C3552
47 4V
Q3553
DC DETECT
DSC500100L
Q3555
OVERLOAD DETECT
RT3AMMAM1-T111-1F
D3504
1SS388
1SS388
D3351
36
35
34
33
32
31
30
29
28
27
26
25
24
23
22
21
20
19 18
17
16
15
14
13
12
11
10
9
8
7
6
5
4
3
2
1
C3406
1000p
C3405
0.01
C3407
0.01
C3408
1000p
C3402
1000p
C3401
0.01
C3403
0.01
C3404
1000p
3
21
4
3
2
1
4
IC3302
POWER AMP
IC B/D
P-GND
+
-
SPEAKERS
SUR R
+
-
SUR L
3
AMP BOARD
(1/3)
(Page 48)
4
AMP BOARD
(3/3)
(Page 50)
5
AMP BOARD
(3/3)
(Page 50)
2
AMP BOARD
(1/3), (3/3)
(Page 48),
(Page 50)
1
AMP BOARD
(1/3)
(Page 48)
6
AMP BOARD
(3/3)
(Page 50)
Note: When the AMP board is replaced, spread the compound referring to “NOTE OF
REPLACING THE IC3102 AND IC3302 ON THE AMP BOARD AND THE
COMPLETE AMP BOARD” on servicing notes (page 10).

Table of Contents

Related product manuals