EasyManua.ls Logo

Sony HBD-E690 - Various IC Block Diagrams; IC5702 TC7 WHU04 FK Block Diagram; IC5903 TC74 VHC4052 AFT Block Diagram; IC5904 PCM1808 PWR Block Diagram

Sony HBD-E690
102 pages
Print Icon
To Next Page IconTo Next Page
To Next Page IconTo Next Page
To Previous Page IconTo Previous Page
To Previous Page IconTo Previous Page
Loading...
HBD-E190/E290/E490/E690
58
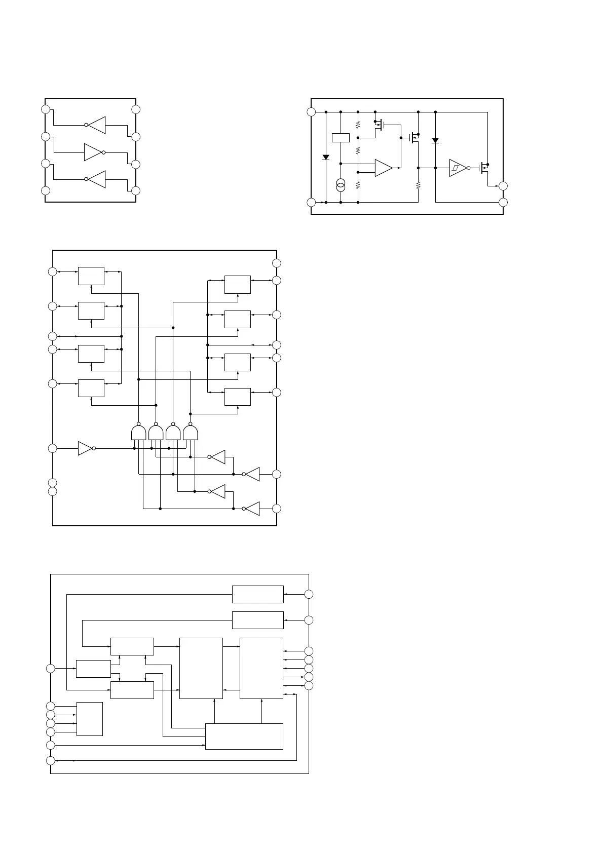
IC5702 TC7WHU04FK (MB148 BOARD (5/9))
IC5903 TC74VHC4052AFT (EK) (MB148 BOARD (6/9))
IC5904 PCM1808PWR (MB148 BOARD (6/9))
IC6303 PST8429UL (MB148 BOARD (9/9))
52Y
63A
71Y
8VCC
4GND
32A
23Y
11A
0Y 1
Y-COM
3
A10
B
9
3X
11
0X
12
X-COM
13
1X
14
2X
15
VCC
16
O/I I/O
C
2Y 2 O/I I/O
C
3Y 4 O/I I/O
C
1Y 5 O/I I/O
C
INH 6
GND
7
GND
8
I/O O/I
C
I/O O/I
C
I/O O/I
C
I/O O/I
C
DELTA-SIGMA
MODULATOR
DELTA-SIGMA
MODULATOR
ANTIALIAS
LOW-PASS FILTER
ANTIALIAS
LOW-PASS FILTER
AGND
VCC
2
3
VDD
DGND
4
5
LRCK
7
REFERENCE
u1/64
DECIMATION
FILTER
WITH
HIGH-PASS
FILTER
SERIAL
INTERFACE
&
MODE/FORMAT
CONTROL
FMT12
VINR
14
VINL
13
MD111
MD010
DOUT9
BCK8
CLOCK & TIMING CONTROL
POWER
SUPPLY
SCKI
6
VREF 1
GND 1
VDD
2
+
VREF
OUT4
CD
3

Table of Contents

Related product manuals