EasyManua.ls Logo

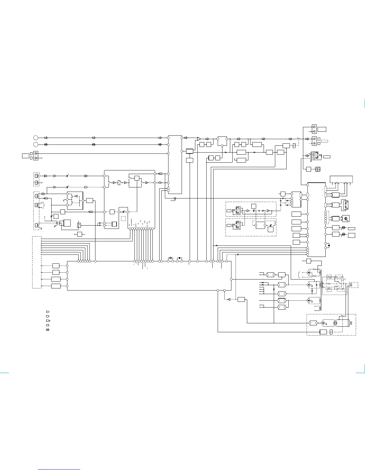
Sony HCD-DX9 - Main Section Block Diagram

Sony HCD-DX9
70 pages
Print Icon
To Next Page IconTo Next Page
To Next Page IconTo Next Page
To Previous Page IconTo Previous Page
To Previous Page IconTo Previous Page
Loading...
HCD-BX9/DX9
2323
MAIN SECTION
RESET
: FM
: CD
Signal Path
RCH is omitted
: PB (DECK A)
: PB (DECK B)
: REC (DECK B)
REC
BIAS
BIAS
TRAP
R-CH
R-CH
R CH
BIAS
OSC
Q302,303
RV304
Q301
TA+12V
C332,L301
ERASE
HEAD
REC/PB
HEAD
PB EQ
AMP
IC304
RV303
IC302
REC/PB SWITCH
REC
EQ
BIAS
SW
DOLBY
B
NORM
CROM
REC(L)
LEVEL
RV301
40
1
2
3
4
48
46
A
B
70
120
PB
REC
DOL
PAS
PB
REC
36
33
32
38
39
43
BIAS ON/OFF
20
B NORM/CROM/METAL
ALC ON/OFF
15
RM ON/OFF
22
NR ON/OFF
23
REC /PB/PASS
24
LM ON/OFF
25
MS OUT
26
A
TUNER
SECTION
B
CD
SECTION
MD/VIDEO
(AUDIO)
R-CH
L-CH
LOUT
L-CH
J101
L
R
R-CH
PB
HEAD
DECK-B
DECK-A
PB EQ
AMP
IC303
RV302
SWITCH
Q304,305
17
A120/70
PB A/B
16
NORM/HIGH
18
DECK PROC.
IC301
INPUT SELECT
TONE/VOL CONT
IC101
IN2A
40
IN2C
38
IN2D
37
INVOL OUT2
35
IN2B
39
24
VOL OUT2
DATA
21
CLOCK
22
R-CH
1
REF
DBFB
SWITCH
Q503
DBFB
CONT
Q101,102
5
6
7
IC102
MUTE
Q103
MUTE
CONT
Q504,505
POWER
AMP
IC501
15
12
11
R CH
J102
MUTE
Q581
MUTE
CONT
Q503,504
MUTE
Q862
MUTE
CONT
Q861
D841
OVER LOAD
DETECTOR
Q551
OVER HEAT
DETECTOR
Q506,506+B
D502
PROTECT
DETECTOR
Q821,822
PROTECT
CONT
Q823
PROTECT
SWITCH
Q828,829
RELAY
DRIVE
Q824,825
RY801
J631
PHONS
R CH
R CH
FAN
FAN
DRIVE
Q891,892
SURROUND
SPEAKER
L
R
TM801
SPEAKER
91
B SHUT
90
A SHUT
69
B PLAY
68
A PLAY
93
B HALF
67
A HALF
77
PB A/B
A TRIG
DRIVE
CAP MOTOR
DRIVE
Q396,397
Q393,394
B TRIG
DRIVE
Q391,392
CAP MOTOR
SPEED CONT
Q395
A TRIG
57
B TRIG
58
CAP M H/L
59
CAP M CONT
60
TC BLOCK
A120/70
B120/70
A HALF
B HALF
A PLAY
B PLAY
A SHUT
B SHUT
A TRG M+
B TRG M+
CAP M H/L
CAP M+
19
79
TC RELAY
IC401(2/2)
MASTER CONTROL
76
EQ H/N
78
ALC
75
BIAS
74
REC MUTE
73
NR ON/OFF
72
R/PB PAS
71
TC MUTE
70
AMS IN
4
DATA
5
CLK
83
DBFB ON/OFF
DC
BIAS
Q141
+6V
A+12V
84
LINE MUTE
100
STK MUTE
87
RELAY H
82
PROTECT
30
IIC DATA
10
XC IN
11
XC OUT
15
X IN
13
X OUT
32.768kHz
X401
16MHz
X402
BPF 0
BPF 5
P1
P35
G1
G17
FLOURESCENT
INDICATOR TUBE
DISPLAY CONTROL
IC601
F1 F2
LED
DRIVER
Q606-614
D611-615
D617,618
11
FUCTION
KEY
SIRCS
IC603
97
I2C DATA
98
I2CCLOCK
VOL A
1
VOL B
2
SIRCS
100
S601
VOLUME
X601
12.5MHz
+5.6V
REG
Q615
FL601
IC602
50
52
85
.
49
33
20
25
ALL BAND
26
HEADPHONE
3
S617,618
S623-628,630-636
10
10
5
PLAY1-3
EXIST1-3
LED
DRIVER
Q630-635
D630-632
11
GROOVE LED
12
FILE LED
13
BASS SHIFT LED
14
FUNCTION LED
15REC/PAUSE LED
16SURROUND LED
LED
DRIVER
Q621-626
LED
DRIVER
Q604
28POWER LED
POWER
D601
LED
DRIVER
27
TIMER LED
TIMER
SELECT
D602
Q605
17
12
SPEANA
BPF
6
5
4
3
+7V
KEY0
17
FUCTION
KEY
S611-616
S619-621,626,629
KEY1
18
FUCTION
KEY
S637-646
KEY2
19
96
WAKE UP
92
RESET
89
XIN
90
XOUT
MIC 1
J721
DX9 MODEL
MIC
VOL
RV722
IC722 IC722
MIC 2
J722
ECHO
LEVEL
2
6
ECHO
LEVEL
IC721
RV721
EA MODEL
29
IIC CLK
18
WAKE UP
7
AC CUT
T971
AC
IN
F973
JW9073
JW9071
S951
BX9,AUS
MODEL
EXCEPT BX9,AUS,MX
MODEL
EXCEPT MX
F971
F972
F974
F975
-V
REG
+5V
REG
Q941
D541
-B
+B
-B
POWER
AMP
D901-904
EVER +5.6V
F1
F2
D972-975
AC
IN
RELAY
DRIVE
Q971
IC971
T972
1
3
+5.6V
REG
1
3
BX9 MODEL
RY971
+12V
REG
1
3
+9V
REG
1
3
+7V
REG
1
3
CD POWER
SWITCH
+5V
REG
1
3
IC911 Q911,912
IC951
IC921
IC961
IC931
CD D+5V
CD A+5V
RDS D+5V UNSW
AUDIO +5V
A+12V
TC A+12V
MIC A+12V
ST A+12V
TC M+9V
CD M+7V
LED +7V
D906-909
D952
D953
D511
STBY RELAY
81
85
CD POWER
RESET
12
Q501
IC501
09
T301
D822
DX9
MODEL
(Page 22)
(Page 22)
EXCEPT BX9,AUS
AUS MODEL

Related product manuals