EasyManua.ls Logo

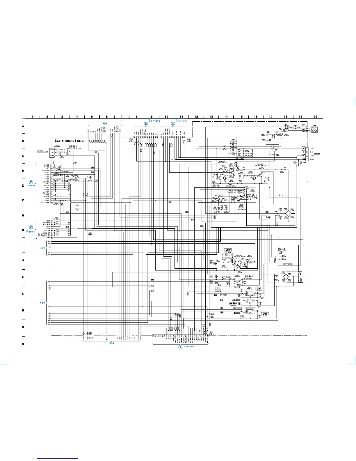
Sony HCD-DX9 - Schematic Diagram - Main (3;3) Section

Sony HCD-DX9
70 pages
Print Icon
To Next Page IconTo Next Page
To Next Page IconTo Next Page
To Previous Page IconTo Previous Page
To Previous Page IconTo Previous Page
Loading...
HCD-BX9/DX9
2929
(Page 31, 33)
(Page 31, 33)
(Page 27)
(Page
25)
(Page
39)
(Page 28)
(Page 28)
(Page 28)
(Page 35)
09
TA7807S
M5F7809L
C901
DX9: 3300 25V
BX9: 3300 16V
10V
JR908
JR909
32
33
C212
1000P
DX9 MODEL
DX9 MODEL
BX9 MODEL
BX9 MODEL
BX9 MODEL
3.3k
C824
4.7k
D824
1SS355
R830
4.7k
R901
100
25V
10V
7-8. SCHEMATIC DIAGRAM MAIN (3/3) SECTION

Related product manuals