EasyManua.ls Logo

Sony HCD-EC68 - Schematic Diagram - PT Board

Sony HCD-EC68
62 pages
Print Icon
To Next Page IconTo Next Page
To Next Page IconTo Next Page
To Previous Page IconTo Previous Page
To Previous Page IconTo Previous Page
Loading...
HCD-EC68/EC78
HCD-EC68/EC78
3636
(1/2)
J
MAIN
BOARD
CN604
C051
0.1
MC2836
D051
MC2838-T112-1
D052
RY001
1
2
3
4
5
6
7
8
8P
CN051
RELAY ON/OFF
V STBY
AC DETECT
VH(AC)
VL(AC)
GND
VL(AC)
VH(AC)
RY002
MC2838-T112-1
D055
JW006
JW004
JW009
JW005
JW003
JW007
JW008
1
3
3P
CN053
LIVE
NEUTRAL
PT002
PT003
3
11
12
13
14
5
10
2
4
6
PT004
3
11
12
13
14
1
5
10
2
4
6
1
3
4
5
6
7
8
9
2
PT001
0.1
C052
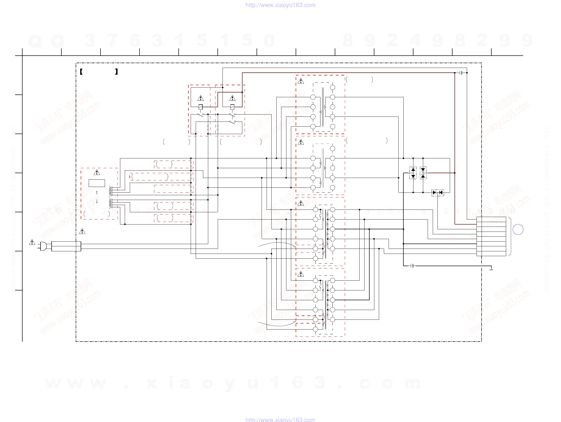
PT BOARD
EC68: E2, E3, E51, MX, AR, AUS/
EC78: E2, E3, E51, MX, AREC78: AEP, RU
EC68: AEP, UK, RU/
EC68: MX/
EC78: MX
EC68: E2, E3, E51, AR, AUS/
EC78: E2, E3, E51, AR
(EC68:AUS)
EC78: MX
EC68: MX/
EC78: AR
EC68: AR/
VOLTAGE
SELECTOR
S001
120V
220V
230-240V
-1
-2
EC68: E2, E3, E51/
EC78: E2, E3, E51
(AC IN)
EC78: AEP, RU
EC68: AEP, UK, RU/
EC78: E2, E3, E51, MX, AR
EC68: E2, E3, E51, MX, AR, AUS/
SUB POWER TRANSFORMER
SUB POWER TRANSFORMER
MAIN POWER TRANSFORMER
MAIN POWER TRANSFORMER
(EC78: E2, E3, E51, AR)
(EC68)
(EC78)
NOT REPLACEABLE:
BUILD IN TRANSFORMER
W001
(CHASSIS)
711
D
B
6910
F
53
G
1 12
C
E
84 13
A
2
1
3
4
5
6
7
8
9
2
1
(EC68: E2, E3, E51, AR, AUS)
(Page 28)
7-18. SCHEMATIC DIAGRAM - PT Board -
w
w
w
.
x
i
a
o
y
u
1
6
3
.
c
o
m
Q
Q
3
7
6
3
1
5
1
5
0
9
9
2
8
9
4
2
9
8
T
E
L
1
3
9
4
2
2
9
6
5
1
3
9
9
2
8
9
4
2
9
8
0
5
1
5
1
3
6
7
3
Q
Q
TEL 13942296513 QQ 376315150 892498299
TEL 13942296513 QQ 376315150 892498299
http://www.xiaoyu163.com
http://www.xiaoyu163.com

Related product manuals