EasyManua.ls Logo

Sony HCD-GR7 - Page 59

Sony HCD-GR7
113 pages
Print Icon
To Next Page IconTo Next Page
To Next Page IconTo Next Page
To Previous Page IconTo Previous Page
To Previous Page IconTo Previous Page
Loading...
– 84 –
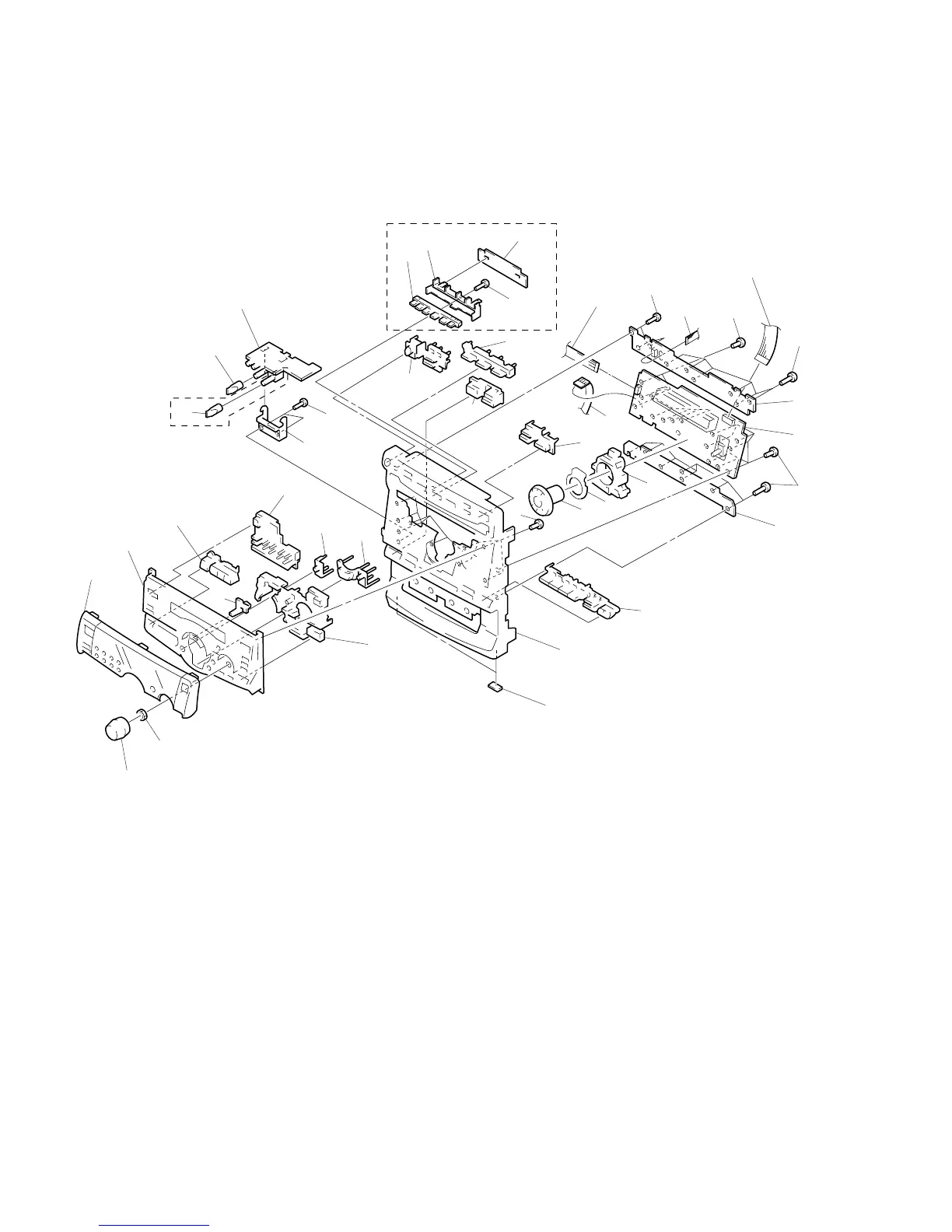
(2) FRONT PANEL SECTION
62
57
67
75
57
73
58
59
supplied
with S602
52
78
53
80
81
not supplied
55
55
EXCEPT US, CND
61
63
62
56
57
60
64
66
57
57
70
74
77
76
57
79
57
68
51
71
72
69
GR7: EA3/GR7J
82
54

Related product manuals