EasyManua.ls Logo

Sony HCD-GR7 - Page 93

Sony HCD-GR7
113 pages
Print Icon
To Next Page IconTo Next Page
To Next Page IconTo Next Page
To Previous Page IconTo Previous Page
To Previous Page IconTo Previous Page
Loading...
4
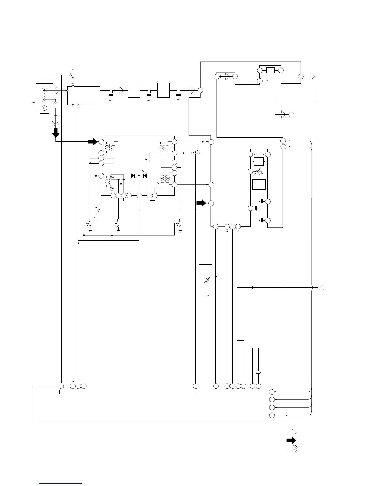
BLOCK DIAGRAM – TUNER Section – (RX70: AEP, AED, G, UK Models)
HCD-D60/GR7/GR7J/RX70
3. DIAGRAMS
STEREO
TUNED
MUTE
ST-CE
COM-DIN
COM-CLK
COM-DATA
B
MAIN
SECTION
(Page 10)
TM1
ANTENNA
FM 75
COAXIAL
AM
ANT IN IF OUT
F OUT
VT
FE1
FM FRONT END
ST +10V
FM
IF AMP
Q1, 2
FM
IF AMP
Q3, 4
CF1
10.7MHz
CF2
10.7MHz
CF3
10.7MHz
1
FM IN
5
3
2
26 25 24 23 22 21 20
17
16
15
14
13
12
4
27
6
Q12
MW SW
Q14
LW SW
Q13
MW SW
Q11
MW SW
9
11
171510
Q9
LW SW
REG
29
AM OSC
AM RF IN
FM
FM OSC
VT1
MW
MW
RV42
FM
TUNED
LEVEL
3
4
5
6
30
14
15 11
FM SD
AM / FM
VCO STOP
IF BUFF
MUTE
23
9
5
13
12
2
AM
SD
AM
SD
AM MIX
AM IF
IFT41
X42
450kHz
X43
456kHz
X41
10.7MHz
TUNED
LEVEL
AM
RV41
AMP IN L
AMP OUT L
MPX IN
OUT L
OUT R
AM / FM
8
7
STEREO
TUNED
LPF
RCH
FM / AM MPX
IC41
24
22
20
21
18
16
14
7
2
12
8
1
24
AM OSC
FM
VCO STOP
FM / AM IF
IF REQ
X IN
X OUT
CE
DI
CL
DO
A
MAIN SECTION
(Page 9)
PLL
IC21
FE2
MW / LW FRONT END
R CH : Same as L CH
SIGNAL PATH
: FM
: MW
: LW
X21
4.5MHz
AM IF
DET
VCO
Q5
+B SW
68
67
65
66
72
69
70
05
LPF41
4
Abbreviation
AED : North European
G : German

Related product manuals