EasyManua.ls Logo

Sony HCD-H77 - Page 41

Sony HCD-H77
71 pages
Print Icon
To Next Page IconTo Next Page
To Next Page IconTo Next Page
To Previous Page IconTo Previous Page
To Previous Page IconTo Previous Page
Loading...
esoteric
sparc
atm
wee
HCD-H66/H70/H77/H1200/H1400
HCD-H66/H70/H77/H1200/H1400
|
HCD-H66/
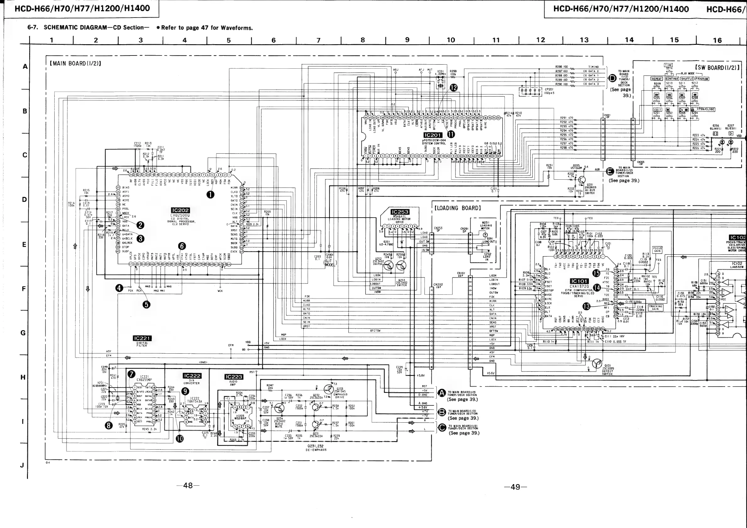
6-7.
SCHEMATIC
DIAGRAM—CD
Section—
_
e
Refer
to
page
47
for
Waveforms.
1
2
3
4
5
6
7
8
9
10
11
12
13
14
15
16
ee
a
eC
ee
uw“
A
[MAIN
BOARD
(1/2))
R286
100
4
__Tinine
|
|
(SW
BOARD(1/2)}
]
ADS
AF
J
MUT
T
CO
DATA
fi
«the
ioe
aaa
a
CO
BATA
;
“SoaRo
i
el
i
4
{
R289
100
We
CO
DATA
2
TUNER/
[Repeat]
[continue]
(SHUFFLE)
[PROGRAM]
\
:
Wy
DECK
S210
S211
S212
Cc
t
R290
100_yyy,
CO
BATA
3
SECTION
SOP
|e
ae
s
a
PLS
lA
cezo
(See
page
fe
°y
\
Hatt
fj
100pe5
39.)
a]
4)
aia
4
Ga
|G
|Gsh
CSEEaEn
En
Cee
SS
[oS
[eS
jo
2
|
1
(EaiT]
A
OPEN/CLOSE]
B
;
0
b2b2lo
b2lo
6.1
622.4)2.662|/0
6.26.2b2|19)3.1
21.5
wiaaane
(esi
:
-
4
ABA)
Uuddeadiadidudddudiadasd
4
477
87%
CN201
=
oh
cS
jot
QHOOODODDOD
ODDO
DOODDOCOSOOOODDDOG0G
R291
470
OP
1
——_—
PP
a
DS
J
a
Pe
SR
eS
7
R292
470
Bra2sfs2
FHeRssse=Aveseszz
se
e528
Gozo
woreesagas
R293
470
0206
£207
é
g
=
<3<5
a
sgecgae
mar
470
GLIHYI]
GLIEGII
1
o
>
=
70
C])
Kovzeh|
R295
470
R223
47k
VoD
2
R296
470
|
R224
47x
pPD75112CW-064
ih
|
C212)
R213
z
SYSTEM
CONTROL
i]
co
0.8
015.2
5.2
R297
470
R225
47k
4
sg
1500p
=
10k
ajc
=
o
4324MN-
OMmN-\o
211
>
(6
|o
go
B
we
>>>
>
R298_470
R226
47k
221
222
BAT
ies
ae
0.047
ne
BEE
s
a
G
a
e8
~ZuuuuU
ee
oe
Je
220
220
Cc
Rye
Tle
DOGOGEGOGVOOQODOOOOODOOOOOGOOODOOO08
3.3k
hy
;
o
Bal
be
Q
0
©
B2lo
8
B.9B.262
6.26
208p8
cngos
!
R231
0205
J
a
ee
k
5.4
TO
MAIN
-
-
-
-
|
26,
p2
5P.5P8
Oo
|26
0.2
TT
W
USTOBON
AUB
BOARD
(1/2)
Pa
le
Viale
>
r
R232
|
TUNER
/DECK
4)
QZ
NZ
ON
YI
BI
7KI
Xt
SKI
4X1
BI
2
TL
OK
KE X7
XE
KSK
4X32
4K
O
SECTION
PQEgsisggeeeeegseesg7ssae
No
SC
ie
=z<o=
bass
FSS
a
~
28C2603
wi
@5)
BIAS
MIRR
@0-z5
208
R207
|
|
R206
cpa
A253
734
|
AU
BUS
I!
Qe)
ASY}
cLKO
(79)
:
10
|
SWITCH
TOK
re
52
(27)
ASYO
XLTO
(78
D
at
fi
A
Sve
oto
Oy
SS
a
ee
ee
ee
1
Ais
C213
m8)
NC
CNIN
Goes;
Te
ey
cc
ar
A
ec
a
Ne
os
;
Bs
-
ae
{LOADING
BOARD]
a
202
52
R209
loy-texc}
|
|
Ry
Ra?
31)
WACK
Cx925000
CLK
(4S
10k
MO4O4IL
S
2.6
-
F
ieee
Ste
LTS
a
a
ae
M8
ee
aE
ia
ss
0.1
Om
CLV
SERVO.
Ot
X
R220
2.24
LOADING
RI
R103
0—Lace
tags
os
a
ae
D
or
pOoeoeGseod
“a
cngss
ins
MOTOR
120k
i
19
a
m4
0
59]
palo]
pslop2
5P
clo7
FRI
103
rzial
719%
Ge)
esaaTa
SENS
9
au
¥
ay
See
*
4.7y
|RIO!
Clog
Bel
GN)
Linnte
re
Che
LOAD
$291
6.3)
+
|
i6y_|
100
0.033
O
.
MU
52
UJ
0201
OUT
SW
LOAD
OUT
|
clog
=
C104.
FOCUS/TRAC
E
!
8)
64LRCK
sock
‘67
uz-4.7'
Nt
0.1
0.1
d/
Gal
COIL
DRIVE
g
89)
GToP
0
supa
6
I
R02
TF
SLED/SPIN
G0)
XUGF
Exck
69
IN
SW}
100k
B5
psiszp.5B.5]3
25p5B5
pS
MOTOR
DRI
u
te
wmobmn-oaeru
|-osr+
_
2
x
veo
2001
R2492|
R250:
$292
|
eCokeePEPaislesfhsisseg8e2
e203
[S3r
aoso
Org!
“Ve
tgao
MNOPIONOOOOAL
a
}
XGeEOKXETETE
SE
«ee
s\x
xx
UooCEGE
oo
GIT
288402
IN
H
6
NE
QC
HE
NEC
YC
ACIE
NSO
NEASISAEHSOSASHSHE
OVE
NC
DIETIED
(we
\)
Swe
-
254
ZESS85eR
SB
Ss
ge
Gils
caer
0)
25
0
TTT
=
25aya*
Pi
‘i
fo
SOs
CNIOL
R106,
“(9s..0
FE
G
25
18)
G
LOON
22P
LOON
3.3K
25m
Ws
ema
24
SG
LODIN
@253
LOOIN
RIOT
S10K
0B
me
arse
Ge
aiss|
SIS!
4
Tit
rH
LGDOUT
Baie
cN202
Loaout
R108
220K
FSR
rs
oe
CXA13720
te
Gfe4
68000
25ers
A
MN3
MNO
OUTSW
19P
INSW
R109
33k
25m
25
cu7]o.1
25m
F
]
&
PCK
RCI
NN2
HNI
wk
2
185STOP
EFM”
COMPARATOR:
eG
:
9
NSW
ouTSw
TS
aveE
FOCUS/
TRACK
ING/SL
ED
tee
GH
C155
_RIS6
22k
ars
-
FOK
FOK
SERVO
ci6
0.015
|
Ri5g'
33K
59m,
“Tre
AIRR
(20)81RC
25
OvEE
G!
an
0.0022
7
2)
VCC
=
'
nen
na
QiNLOCK
°"
RED GO)
00
=
gh
G
+
cia
|
[TRACKING
CiS2
GD
4>
Rl
XLTO
[ez
XLT
see
ee
2.54,
~$-22000|
|_SAIN
O11
i
DATO
DATA
Bint
ee
ves
Risa
18k
|2P5a,
t
Eo
cr
es
Bato
CNIN
peaeglHAERS
Se
S
5
Side
ai
2
|
cisat
pe
SEIN
SENS
0
eon
rEa<|o
coe
“5
0.
10k
200p|
C153
3a
es
east
XRST
ODD
ODD
ODD
Oe
fat
6
G
‘OFCTSW
‘OF
TSW
45
5.2
a
1C221
ld
5]
9/9)
#8
Staab
citi
22x
16v
LOCK
K
I
DIGITAL
veo
+5V
ee
RIO
Ik
Rt
tk
CHO
0.033
TF
FILTER
EFM
GND
GND
shad
é
:
ASY
if
ASY
EFM
EFM
ie}
T
Ga
cones
fa
GNO
|
!
cosa
[+
©7229
9
2$¢'$399
220
FOF
Ou
ry
DEFECT
10V
RST
SOV
+5.6V
SWITCH
H
WOE
10221
C222
1C223
=a
Tey
;
Cx®2554P
O/A
AUDIO
X251—
CONVERTER
‘AMP
3
16.9344MHz
JN
test
e7Ki6
R244
ea
4
6033
RST
ee
ee
Le
L.
-
-——
-—
-
4
coe
omer
een)
7
iia
rae
naar,
i
s
K
C236
R236
9232
:
'UNER
/
DEC!
f
Ga
Phe
Peay
Soe
omtanlle
Se
10222
Sy
pm
8B
ie
S0v
otk
2803622472)
DRIVE
(See
page
39.)
®
4
KIN
oaTaRS
330
TOAI543A
.
ap
de
“tf
PERS
S:
223
S245
SEE
2.7
4.9
0.9
5.1
oF
0
07
A.GND
106m
Tov
6
i
2.6
4
SOQ
+1
6237
{a0
ts
foo
+56V
De
EMK
BELKALL
ZS
Hn
12K
1.9
AOS
T
1Oe
:
+
TO
MAIN
BOARD
(1/2)
\
Ez
rmOue
1
Te
TaCaD
FR,
9
FERC
eer
Sov
<7
TUNER/DECK
SECTION
a
GENRE
Proce
FT
Byoarag
5
ACE
9
MSzIBAP
slcose
|
59234
63
a
(See
page
39.)
|
Q)INTT
PRL)
4
v
°.
ide
|
Zeb
s402
231
,
R237
R201
3
R205
SyaHe
sov
|
{upto
1800p
1.5k
100K
TO
MAIN
BOARD(I/2)
ae
R245
2.
2k
73
;
ii
L
TUNER
/DECK
SECTION
*
My
t+
+—
Yr
C225
A248
19
?
|
See
page
39.
Ot
22k
5208
c235.
A235
se
9k224
R239
pag!
)
1
r
()
R
tw
50V
1k
22k
3
2.7K
Q231,232
DE
-EMPHASIS
J
04
—48— —49—

Related product manuals