EasyManua.ls Logo

Sony HCD-H77 - Page 44

Sony HCD-H77
71 pages
Print Icon
To Next Page IconTo Next Page
To Next Page IconTo Next Page
To Previous Page IconTo Previous Page
To Previous Page IconTo Previous Page
Loading...
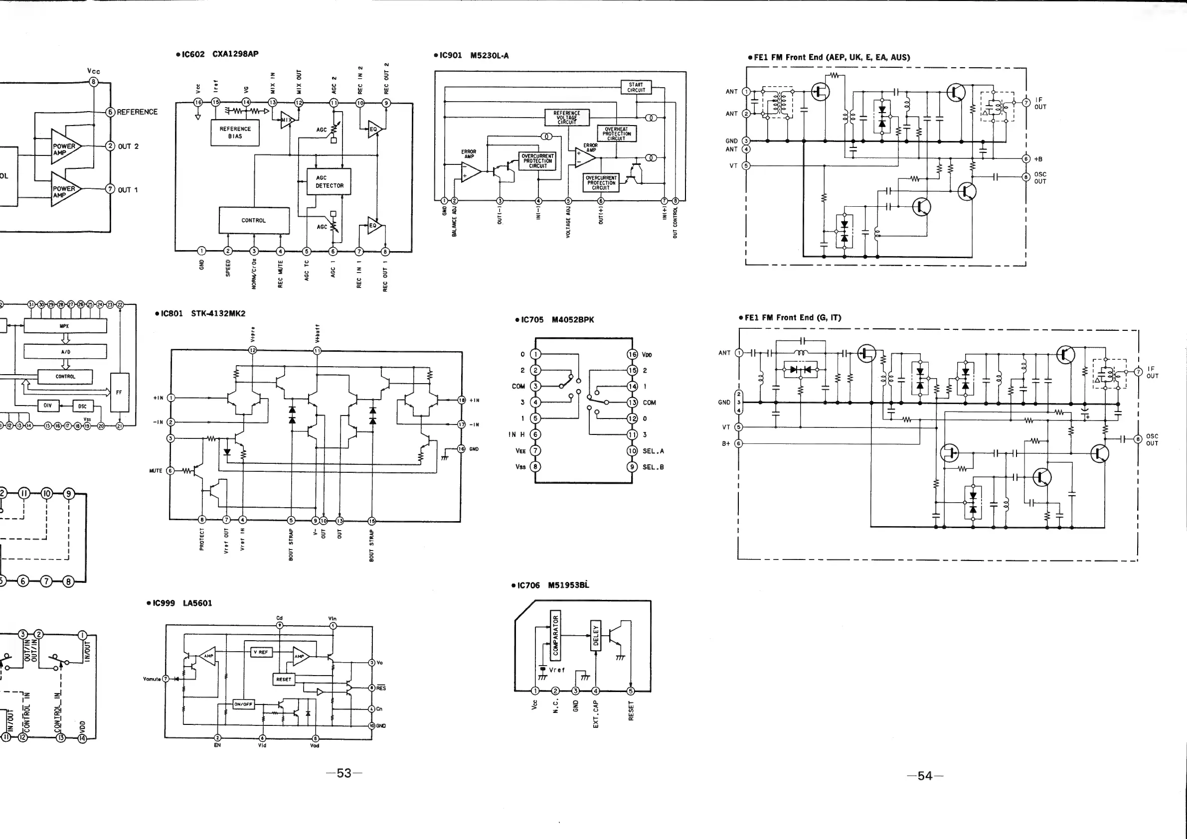
@1IC602
CXA1298AP
©1C901
M5230L-A
e@FE1
FM
Front
End
(AEP,
UK,
E,
EA,
AUS)
START
VOLTAG!
"
RCUTE
ey
OVERHEAT
MIX
OUT
REC
OUT
2
MIX
IN
g
Fog
(919-19
ESS
REFERENCE
BIAS
i
AGC
ee
D
CONTROL
ea>
PROTECTION
CIRCUIT
CY)
OVERCURRENT
ek,
PROTECTION
CIRCUIT
C2)
(4) (5) (6)
®)
3
3
7
T
3
+
+a
oe
=
z
=
rs
Zz.
g
3
=
3
3
“8
ae
as
cS
M)
(2)}-———(3)
(4)
(5)———(6
(7)
(8)
3 7
3 w
eS
=
5 =
&
a
+
a
©
z
4
a
y
eiC801
STK-4132MK2
eiC705
M4052BPK
e@FE1
FM
Front
End
(G,
IT)
Vref
OUT
v-
out
()
OUT
Vref
IN
BOUT
STRAP
BOUT
STRAP
e1C706
M51953BL
eic999
LA5601
53
—54—

Related product manuals