EasyManua.ls Logo

Sony HCD-MD333 - Page 16

Sony HCD-MD333
21 pages
Print Icon
To Next Page IconTo Next Page
To Next Page IconTo Next Page
To Previous Page IconTo Previous Page
To Previous Page IconTo Previous Page
Loading...
– 82 –
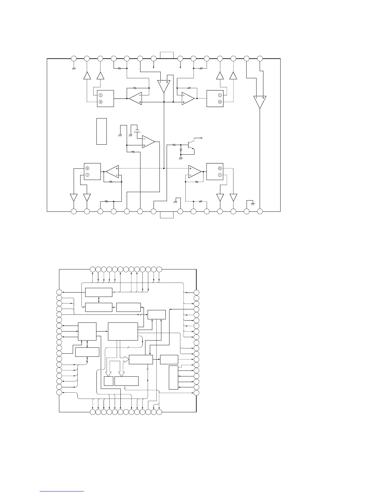
IC102 BA6397FP
1
2
3
4
7
8
9
10
11
12
13
14
28
27
26
24
22
21
20
19
18
17
DRIVE
BUFFER
DRIVE
BUFFER
LEVEL
SHIFT
LEVEL
SHIFT
THERMAL
SHUT DOWN
REGULATOR
DRIVER MUTE
LEVEL
SHIFT
DRIVE
BUFFER
DRIVE
BUFFER
DRIVE
BUFFER
DRIVE
BUFFER
LEVEL
SHIFT
DRIVE
BUFFER
DRIVE
BUFFER
15
16
23
25
5
6
OUT1A
OUT1B
IN1A
IN1B
TR-B
REG 0
XRST
GND
IN2A
IN2B
OUT2A
OUT2B
GND
OP-OUT
GND
OUT4
A
OUT4B
IN4A
IN4B
VC
V
CC
V
CC
V
CC
V
CC
IN3B
IN3A
OUT3B
OUT3
A
OP+
OP–
IC103 CXD2507AQ
1
2
3
4
5
6
7
8
9
10
11
12
13
14
15
16
17
18
51
50
49
48
47
46
45
44
43
42
41
40
39
38
37
36
35
34
33
32313029282726252423222120
52535455565758596061626364
19
FOK
MON
MDP
MDS
LOCK
TEST
FILO
FILI
PCO
VSS
AVSS
CLTV
AVDD
RF
BIAS
ASYI
ASYO
ASYE
WDCK
DATA
XRST
SENS
MUTE
SQCK
SQSO
EXCK
SBSO
SCOR
V
SS
WFCK
EMPH
DOUT
C4M
FSTT
XTSL
XTAO
XTAI
MNTO
SERVO AUTO
SEQUENCER
CPU
INTERFACE
DIGITAL
CLV
SUB CODE
PROCESSOR
EFM
DEMODULATOR
DIGITAL
PLL
ASYMMETRY
CORRECTOR
D/A
INTERFACE
ERROR
CORRECTOR
16K
RAM
DIGITAL
OUT
CLOCK
GENERATOR
LRCK
PCMD
BCLK
GTOP
XUGF
XPCK
V
DD
GFS
RFCK
CZPO
XROF
MNT3
MNT1
XLON
SPOD
SPOC
SPOB
SPOA
CLKO
V
DD
XLTO
DATO
CNIN
SEIN
CLOK
XLAT
3
5
14
4
5
3
6

Related product manuals