EasyManua.ls Logo

Sony HCD-XB6 - IC Block Diagrams

Sony HCD-XB6
104 pages
Print Icon
To Next Page IconTo Next Page
To Next Page IconTo Next Page
To Previous Page IconTo Previous Page
To Previous Page IconTo Previous Page
Loading...
– 93 –
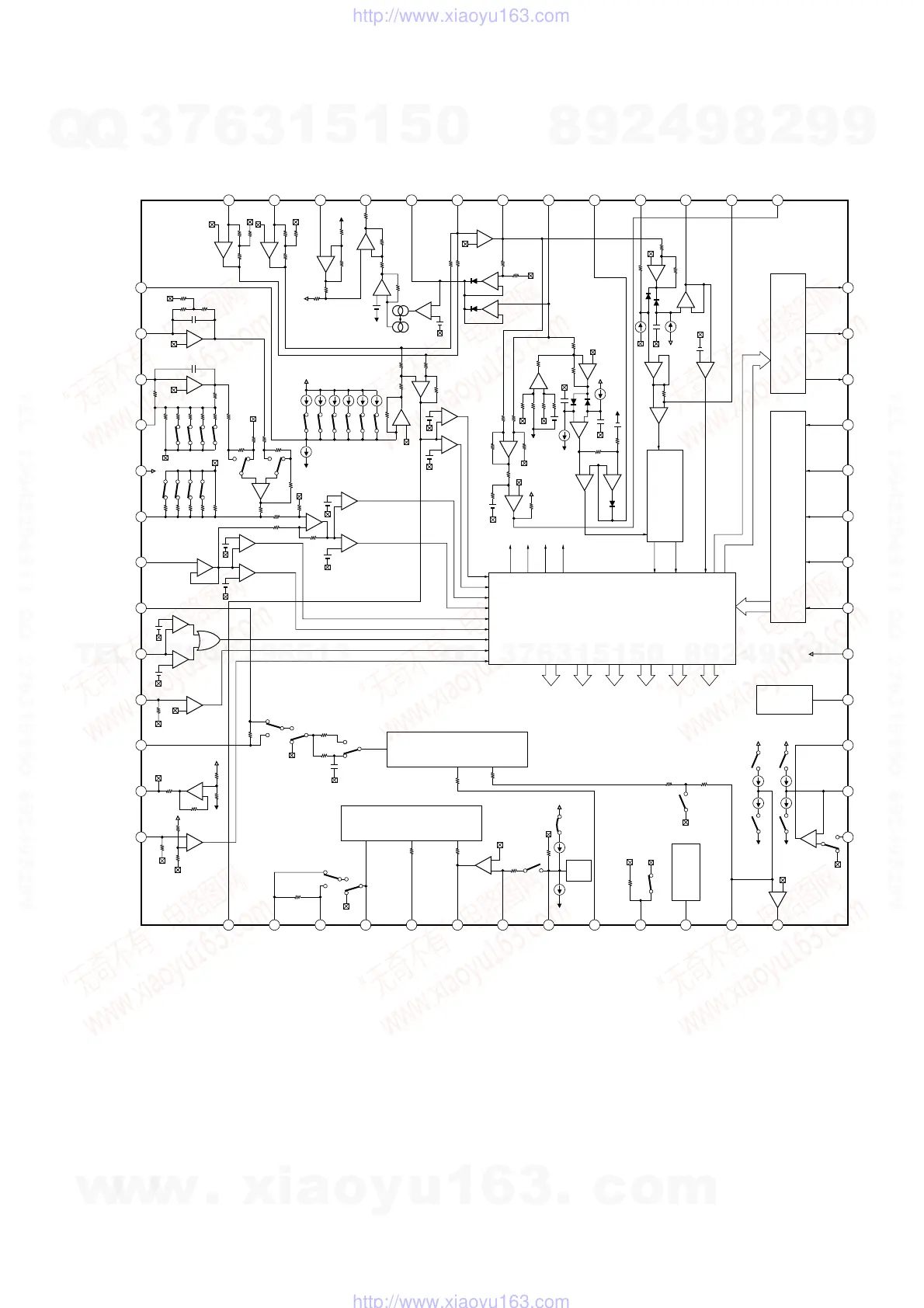
IC Block Diagrams –BD Section –
IC101 CXA1992AR
+
+
+
1
2 3
4
5 6 7 8 9 10
20
19
17
16
15
14
131211
21
22
23
24
25
26
27282930313233343536373839
40
41
42
43
44
45
46
52
51
50
49
48
47
+
+
+
+
+
+
+
+
+
+
+
+
+
+
+
+
+
+
+
+
+
+
+
+
+
+
+
+
+
+
+
+
18
+
+
+
+
+
+
Charge
up
FEO
FEI
FDFCT
FGD
FLB
FE_O
FE_M
SRCH
TGU
TG2
FSET
TA_M
TA_O
SL_P
SL_M
SL_O
ISET
VCC
VCC
LOCK
CLK
XLT
DATA
XRST
C. OUT
SENS1
SENS2
FOK
CC2
CC1
CB
CP
RF_I
RF_O
RF_M
RFTC
LD
PD
PD1
PD2
FE_BIAS
F
E
EI
VEE
TEO
LPFI
TEI
ATSC
TZC
VC
FZC
TM2
VEEVEE
TM3
TM5
TM4 TM6
VCC VCC
TM7
ISET
TTL
IIL
IIL
TTL
IIL
TTL
IIL DATA REGISTER
INPUT SHIFT REGISTER
ADDRESS DECODER
SENS SELECTOR
OUTPUT DECODER
DFCTO
IFB1-6
BAL1-4
TOG1-4
FS1-4 TG1-2 TM1-7 PS1-4
FOH
FOL
TGH
TGL
BALH
BALL
ATSC
TZC
FZC
FSET
TG2
VEE
VCC
FS1
FS2
FOCUS
PHASE COMPENSATION
DFCT
FS4
TRACKING
PHASE COMPENSATION
TG1
TM1
DFCT
FZC COMP.
VEE
VCC
VCC
TDFCT
TZC COMP.
ATSC
WINDOW
COMP.
E-F BALANCE
WINDOW COMP.
TRK. GAIN
WINDOW COMP.
FO. BIAS
WINDOW
COMP.
VEE
TGFL
TOG1
TOG2
TOG3
TOG4
BAL1
BAL2
BAL3
BAL4
IFB1
IFB2
IFB3
IFB4
IFB5
IFB6
FE AMP
VEE
E IV AMP
F IV AMP
VCC
APC
VCC
VEE
LASER POWER CONTROL
VEE
PD1 IV
AMP
PD2 IV
AMP
RF SUMMING
AMP
VCC
VEE
VEE
LEVEL S
VEE
MIRR
VCC
DFCT
FOK
VCC
LDON
LPCL
LPC
TGFL
MIRR
DFCT1
CC1
w
w
w
.
x
i
a
o
y
u
1
6
3
.
c
o
m
Q
Q
3
7
6
3
1
5
1
5
0
9
9
2
8
9
4
2
9
8
T
E
L
1
3
9
4
2
2
9
6
5
1
3
9
9
2
8
9
4
2
9
8
0
5
1
5
1
3
6
7
3
Q
Q
TEL 13942296513 QQ 376315150 892498299
TEL 13942296513 QQ 376315150 892498299
http://www.xiaoyu163.com
http://www.xiaoyu163.com

Related product manuals