EasyManua.ls Logo

Sony HDC1400 - SW-1233

Sony HDC1400
550 pages
Print Icon
To Next Page IconTo Next Page
To Next Page IconTo Next Page
To Previous Page IconTo Previous Page
To Previous Page IconTo Previous Page
Loading...
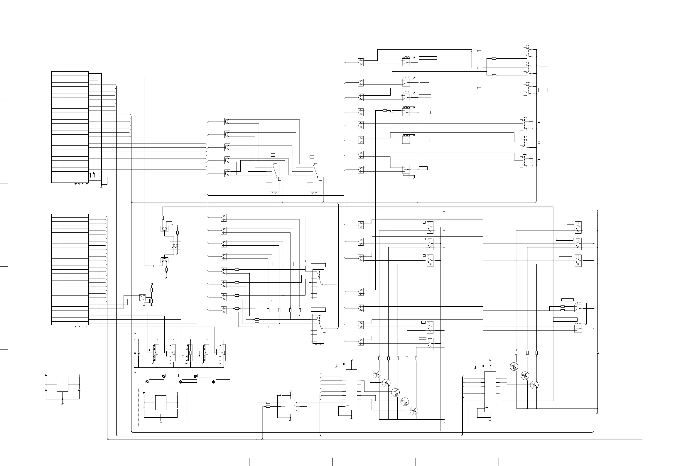
HDC1000/V2 (J, E)
4-1104-110
2
3
4
5
ABCDEFGH
1
SW-1233
SUFFIX: -12, 13, 31
SW-1233
SUFFIX: -12, 13, 31
CN2
1
LED-LD0-in
2
LED-LD1-in
3
LED-LD2-in
4
LED-LD3-in
5
LED-LD4-in
6
LED-LD5-in
7
LED-LD6-in
8
LED-LD7-in
9
LED-NO-R0-in
10
LED-NO-R1-in
11
LED-NO-R2-in
12
LED-NO-R3-in
13
LED-NO-R4-in
14
LED-NO-R5-in
15
LED-NO-R6-in
16
LED-NO-R7-in
17
LED-NO-G0-in
18
LED-NO-G1-in
19
LED-NO-G2-in
20
LED-NO-G3-in
21
LED-NO-G4-in
22
LED-NO-G5-in
23
LED-NO-G6-in
24
LED-NO-G7-in
25
RE1-out
26
RE2-out
27
CUR-H-out
28
CUR-Width-out
29
CUR-V-out
30
CUR-Height-out
31323334
+3.8V
GND-3
GND
GND-3
GND-3
GND-3
+3.8V
+3.8V
TC74VHC373FT(EL)
IC1
D0
3
D1
4
D2
7
D3
8
D4
13
D5
14
D6
17
OE
1
LE
11
D7
18
GND
10
Q7
19
Q6
16
Q5
15
Q4
12
Q3
9
Q2
6
Q1
5
Q0
2
VCC
20
GND-3
GND-3
GND
+3.8V
GND-3
GND-3
GND-3
GND
CN1
1
GND
2
Standby_-5.5V-in
3
VF-DTL-out
4
LED-DATA0-in
5
LED-DATA1-in
6
LED-DATA2-in
7
LED-DATA3-in
8
LED-DATA4-in
9
LED-DATA5-in
10
LED-DATA6-in
11
LED-DATA7-in
12
SW-SCAN0-in
13
SW-SCAN1-in
14
SW-SCAN2-in
15
SW-SCAN3-in
16
SW-SCAN4-in
17
SW-SCAN5-in
18
SW-SCAN6-in
19
SW-SCAN7-in
20
SW-DATA0-out
21
SW-DATA1-out
22
SW-DATA2-out
23
SW-DATA3-out
24
SW-DATA4-out
25
SW-DATA5-out
26
SW-DATA6-out
27
SW-DATA7-out
28
+3.8V
29
+3.8V
30
GND
31323334
GND-3
GND-3
GND-3
TC74VHC373FT(EL)
IC2
D0
3
D1
4
D2
7
D3
8
D4
13
D5
14
D6
17
OE
1
LE
11
D7
18
GND
10
Q7
19
Q6
16
Q5
15
Q4
12
Q3
9
Q2
6
Q1
5
Q0
2
VCC
20
TC7WH04FU(TE12R)
IC3
1A
1
2A
3
GND
4
2Y
5
1Y
7
VCC
8
3A
6
3Y
2
+3.8V
S3
1
2
3
4
5
10
7
8
9
11
12
6
S20
12
34
0
NM
R21
1SS300-TE85L
D15
1
2
3
100
R4
HSM88WA-TL
D2
1
2
3
0
NM
R19
100
R24
S11
12
34
0
R28
NM
470
R1
1SS300-TE85L
D26
1
2
3
S28
NM
1
2
3
4
5
6
50k
RV4
1
2
3
7645
100
R36
1SS300-TE85L
D5
1
2
3
1SS300-TE85L
D16
1
2
3
0.1uF
C2
0
R3
1SS300-TE85L
D10
1
2
3
100
R23
10uF
C10
1SS300-TE85L
D11
1
2
3
1SS300-TE85L
D17
1
2
3
1SS300-TE85L
D30
1
2
3
1SS300-TE85L
D14
1
2
3
1SS300-TE85L
D31
1
2
3
1SS300-TE85L
D23
1
2
3
S27
1
2
3
4
5
6
0
R12
0
R11
100
R37
50k
RV2
1
2
3
7645
50k
RV5
1
2
3
7645
220
R34
0
R13
S31
1
2
3
4
5
6
1SS300-TE85L
D12
1
2
3
S29
1
2
3
4
5
6
S10
2
MT1
1
MT2
3
G1
4567
S8
1
2
3
G1
4567
0
NM
R15
1SS300-TE85L
D13
1
2
3
0
R30
NM
S15
12
34
1SS300-TE85L
D20
1
2
3
0
R18
330
R6
S25
2
1
3
G1
4567
S2
1
2
3
4
5
10
7
8
9
11
12
6
0
R14
0
R2
NM
S22
12
34
1SS300-TE85L
D18
1
2
3
1SS300-TE85L
D24
1
2
3
1SS300-TE85L
D25
1
2
3
0
R70
NM
100
R38
50k
RV3
1
2
3
7645
S13
12
34
220
R27
R
G
CL-165HR/G1-D-T
D3
12
34
0
R16
1SS300-TE85L
D9
1
2
3
1SS300-TE85L
D27
1
2
3
0
NM
R7
DTC114EE-TL
Q6
100
R25
DTC114EE-TL
Q8
S30
1
2
3
4
5
6
S24
1
2
3
G1
4567
100
R26
HSM88WK-TL
D1
3
1
2
DTC114EE-TL
Q7
1SS300-TE85L
D21
1
2
3
0
NM
R17
S6
1
2
3
G1
4567
S9
2
1
3
G1
4567
1SS300-TE85L
D8
1
2
3
50k
RV1
1
2
3
7645
S12
12
34
S5
1
2
3
G1
4567
0
R22
220
R5
1SS300-TE85L
D19
1
2
3
0.1uF
C14
0
R29
1SS300-TE85L
D6
1
2
3
1SS300-TE85L
D22
1
2
3
1SS300-TE85L
D32
1
2
3
10uF
C4
0
R20
0
NM
R8
10uF
C1
EN1
A
54
B
C
S4
1
2
3
4
5
10
7
8
9
11
12
6
0
R31
0
NM
R10
1SS300-TE85L
D7
1
2
3
S21
12
34
1SS300-TE85L
D29
1
2
3
1SS300-TE85L
D4
1
2
3
100
R35
10uF
C6
0.1uF
C3
0.1uF
C5
S14
12
34
0
R32
NM
S1
1
2
3
4
5
10
7
8
9
11
12
6
S7
1
2
3
G1
4567
S26
1
2
3
4
5
6
0
NM
R9
GND-3
0
R124
0
R125
NM
S-812C30AUA-C2KT2G
IC4
VOUT
2
VIN
1
VSS
3
0.1uF
C7
22uF
C8
GND
+3.8V +3.0V
+3.0V-1
+3.0V
+3.0V
+3.0V
S-812C30AUA-C2KT2G
IC5
VOUT
2
VIN
1
VSS
3
+3.0V-1
+3.8V
GND
22uF
C12
0.1uF
C11
SWIN1
SWIN7
SW-SCAN6
SWIN2
SWIN3
SW-SCAN4
LEDO5
SW-SCAN5
LEDO0
C7
SW-SCAN1
SW-SCAN5
LEDO2
SWIN4
C6
SWIN7
SW-SCAN4
SW-SCAN2
LEDO0
C5
G4
SWIN3
LEDO2
SW-SCAN3
SWIN1
C4
SWIN6
G3
SW-SCAN2
C3
G2
SW-SCAN1
C2
G1
SWIN4
SW-SCAN0
C1
LEDO1
SWIN0
G0
SWIN3
SWIN3
SW-SCAN0
LEDO6
R7
SWIN2
SWIN5
SWIN1
SWIN0
LEDO4
LEDO1
SWIN0
LEDO5
SWIN4
SWIN1
SWIN4
SW-SCAN6
SWIN5
SWIN0
C0
LEDO6
R6
LEDO7
SWIN2
LEDO3
SWIN7
SW-SCAN5
R5
LEDO7
SWIN2
LEDO2
R4
LEDO3
LEDO6
LEDO7
SWIN7
LEDO1
R3
SWIN2
LEDO5
G7
SWIN6
LEDO0
R2
LEDO4
G6
SWIN5
R1
G5
R0
SWIN6
SWIN0
LEDO4
SWIN1
SWIN5
SWIN6
SWIN4
LEDO3
SW-SCAN3
C0
C1
VF_SCAN
RV5_VF_DTL
ON
ROTARY_ENCODER
RV1_H_POSI
SCREEN SIZE MARKER
MENU
3
OFF
UP_TALLY
RV3_V_POSI
MARKER
D
CC
G
ENTER
B
FILTER_LOCAL
J6491
MENU
MIX VF
5
DISPLAY
OFF
VF_DETAIL
OFF
ASSINABLE
ON
RET_SEL_1
OFF
GREEN
CANCEL
CALL
ON
3
A
ON
4_3
B
RET_SEL_2
J6491
2
RV4_HEIGHT
RV2_WIDTH
1
RET_2
OFF
2
ND
C
RED
RET_1
4
E
16_9
R
STORE
ENTER
1
ON
OFF
ON
RET_3
Q1
DTC114EE-TL
DTC114EE-TL
Q3
DTC114EE-TL
Q2
DTC114EE-TL
Q5
DTC114EE-TL
Q4
SUFFIX:13-
ADDED

Table of Contents

Related product manuals