EasyManua.ls Logo

Sony HDC2500 - Connection Example

Sony HDC2500
84 pages
Print Icon
To Next Page IconTo Next Page
To Next Page IconTo Next Page
To Previous Page IconTo Previous Page
To Previous Page IconTo Previous Page
Loading...
11
Overview
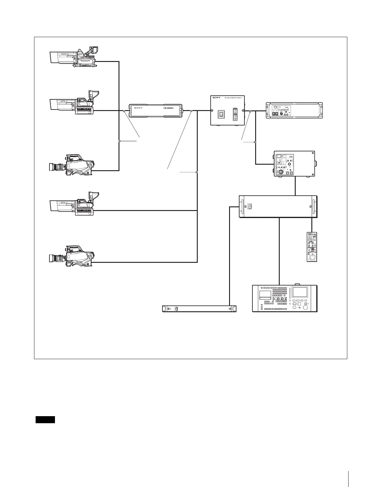
Connection example 3
Maximum cable run with Triax cable
The maximum Triax cable length between the HDC2500/
2400/2550 and the HDFX100 or between the HDFX100 and
the HDTX100 depends on the type of cable.
For details, refer to the Operation Manual of the HDFX100/
HDTX100.
Notes
The viewfinders function as monochrome viewfinders when
monitoring a return video using the HDFX100 and the
HDTX100.
The skin gate signal is superimposed on the camera video
signal. When tally becomes ON, the skin gate signal is
forced to OFF.
HDC2550 HD Color Video Camera
+Large Lens Adaptor
+HDVF-C730W/C950W Electronic Viewfinder
RCP-1000-series
Remote Control Panel
HDC2550 HD Color Video Camera
HDC2500/2400
HD Color Video Camera
2)
HDC2500/2400
HD Color Video Camera
1)
+Large Lens Adaptor
HDC2000
HD Color Video Camera
+Large Lens Adaptor
1) HDC2500 with Large Lens Adaptor attached is illustrated.
2) HDC2500 is illustrated.
HDCU2000
HD Camera Control Unit
MSU-1000/1500 Master Setup Unit
VCS-700 Video Selector
HDCU2500
HD Camera Control Unit
CNU-700 Camera
Command Network Unit
HDFX100
HD Triax CCU Adaptor
HDTX100
HD Triax Camera Adaptor
Optical fiber
cable
Optical fiber
cable
Tr i a x c ab le

Related product manuals