EasyManua.ls Logo

Sony HT-K25 - 3: Raccordement Dappareils À des Prises de Sortie Audio Numérique

Sony HT-K25
104 pages
Print Icon
To Next Page IconTo Next Page
To Next Page IconTo Next Page
To Previous Page IconTo Previous Page
To Previous Page IconTo Previous Page
Loading...
6
FR
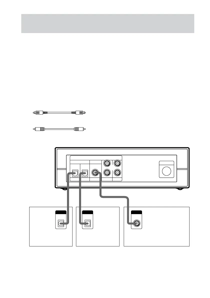
3: Raccordement d’appareils à des prises de sortie audio
numérique
Raccordez les prises de sortie audio numériques de votre lecteur DVD ou d’un autre composant
(“Play Station 2”, lecteur CD, platine MD, tuner satellite, etc.) sur les prises d’entrée audio
numériques du centre de commande de manière à restituer chez vous les sons surround multicanaux
d’une salle de cinéma.
Raccordez les prises de sortie vidéo de votre lecteur DVD ou de votre “Play Station 2” sur les prises
d’entrée vidéo de votre téléviseur.
Remarque
Vous ne pouvez pas fournir le signal vidéo à ce système. Lorsque vous raccordez des composants vidéo
(magnétoscope, téléviseur, etc.), raccordez la prise de sortie vidéo du composant vidéo sur la prise d’entrée vidéo
de votre téléviseur.
Cordons nécessaires
Cordon numérique optique (fourni)
Cordon numérique coaxial (non fourni)
Lecteur DVD ou
“Play Station 2”
Autres composants audio/
video numérique (Lecteur
CD, platine MD, etc.)
Tuner satellite
Centre de commande
DVD
CONTROL
SAT AUX
INPUT
COAXIALOPTICAL
TVVIDEO
L
R
OUTPUT
OPTICAL
OUT
OUTPUT
OPTICAL
OUT
OUTPUT
COAXIAL
OUT
Conseil
Les prises d’entrée numériques sont compatibles avec les fréquences d’échantillonnage de 32 kHz, 44,1 kHz,
48 kHz et 96 kHz.

Table of Contents

Other manuals for Sony HT-K25

Related product manuals