EasyManua.ls Logo

Sony HT-M5 - 2: Connecting the speakers; HT-M7 Speaker Connections

Sony HT-M5
64 pages
Print Icon
To Next Page IconTo Next Page
To Next Page IconTo Next Page
To Previous Page IconTo Previous Page
To Previous Page IconTo Previous Page
Loading...
17
GB
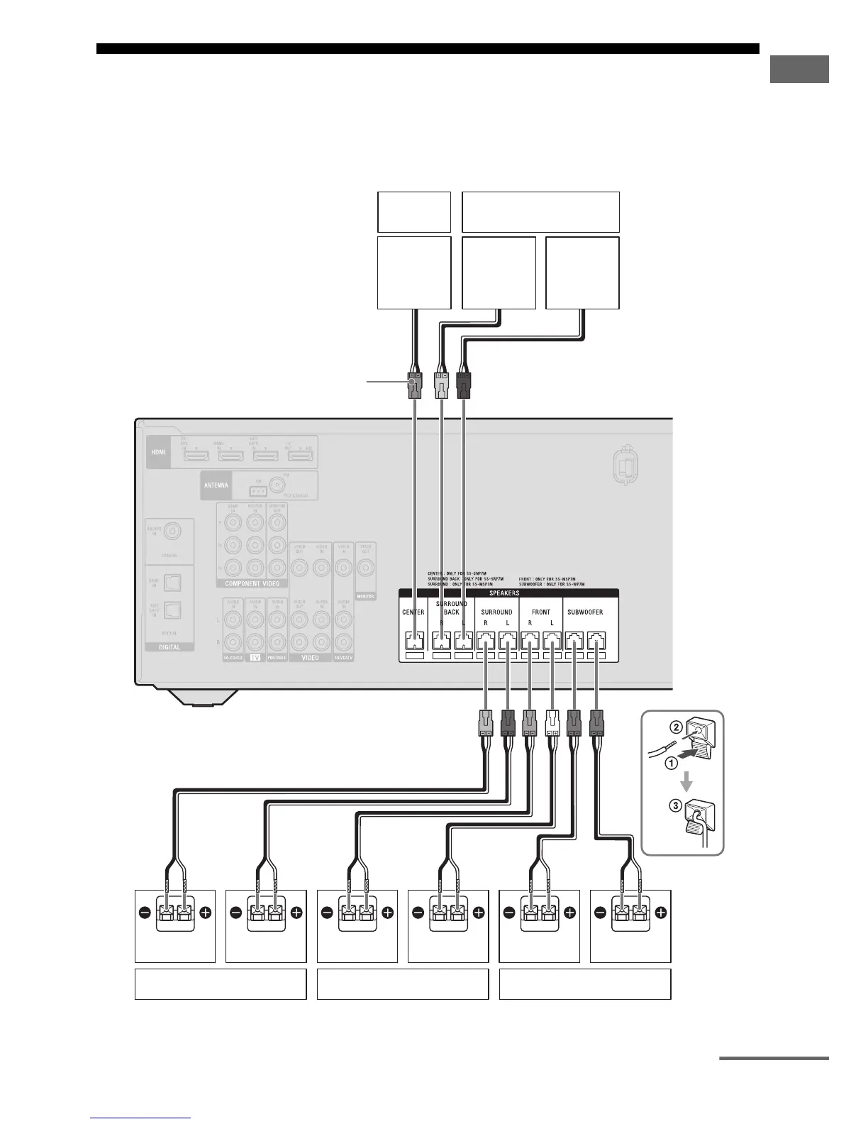
Connections
2: Connecting the speakers
Before connecting cords, be sure to disconnect the AC power cord (mains lead).
HT-M7
A Speaker cord (supplied)
Right
Center
speaker
Left
Surround speaker Front speaker Subwoofer
AA
Surround back speaker
Connector
Right Left Right Left
A
continued

Table of Contents

Related product manuals