EasyManua.ls Logo

Sony HTC-D259 - Page 10

Sony HTC-D259
33 pages
Print Icon
To Next Page IconTo Next Page
To Next Page IconTo Next Page
To Previous Page IconTo Previous Page
To Previous Page IconTo Previous Page
Loading...
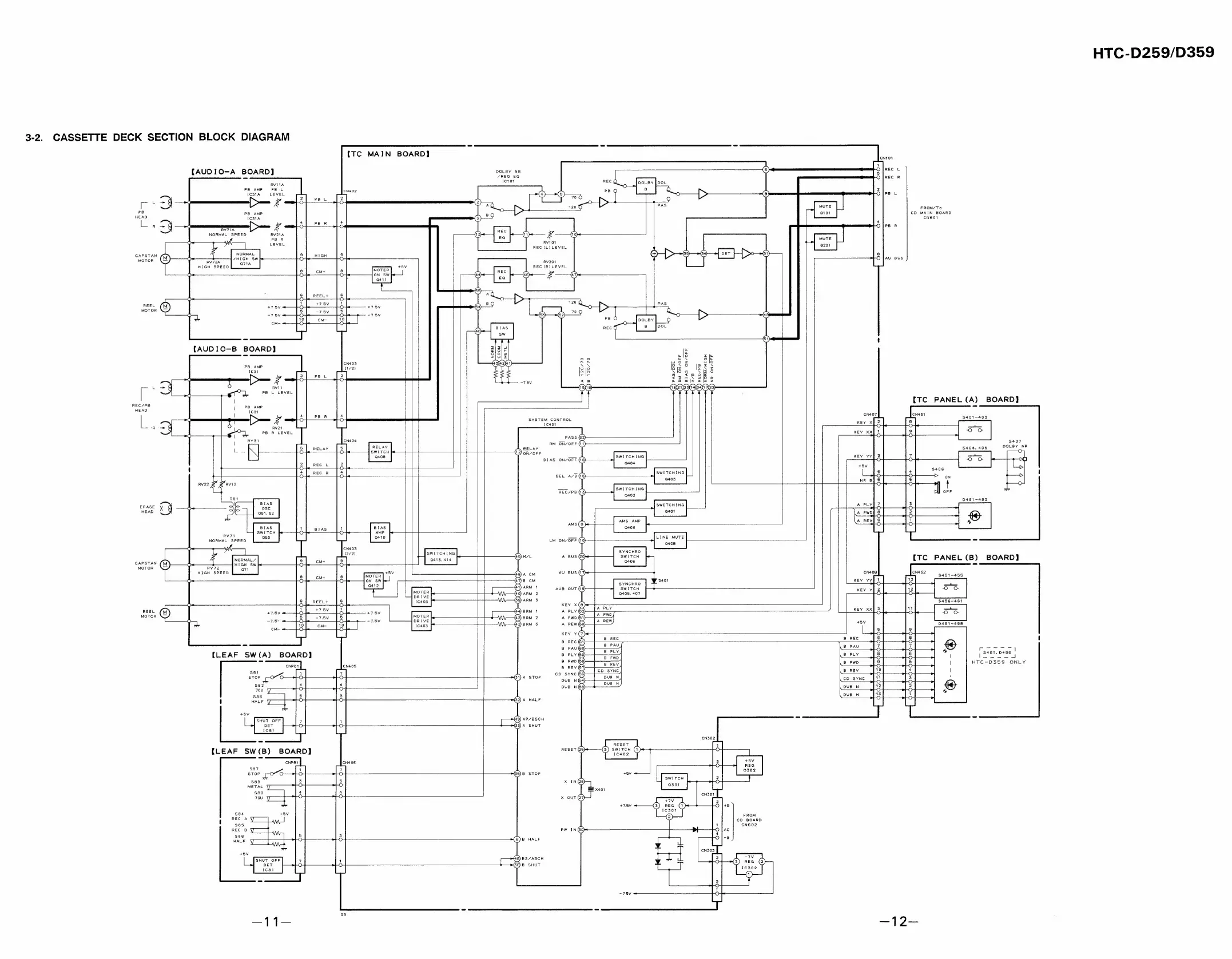
HTC-D259/D359
CASSETTE
DECK
SECTION
BLOCK
DIAGRAM
{TC
MAIN
BOARD]
CN101
{[AUDIO-A
BOARD)
DOLBY
NR
(s)
REC
L
=
/REQ
EQ
REC
R
(c101
RV1TA
PS
AMP
PBL
PBL
LEVEL
Bae
a
DF
fs
AQ
120
FOS
FROM/To
PB
BO
CD
MAIN
BOARD
HEAD
CN601
R—-
>
zx
O
cee
PBR
REC
RV21A
ne
11
(10
PB
R
RV101
LEVEL
REC
(L)
LEVEL
CAPSTAN
NORMAL
HIGH
G)
>
G8)
G4)
DET
>o
61)
MOTOR
7HIGH
SW
O
AU
BUS
RV72A
Gia
RV201
HIGH
SPEED
REC
(R)
LEVEL
CM+
O
2
é7)
E
REEL
+
ka
120
+7
5V
eee
+75
O
ees
|
5
|
~75V
Se
700
Qa
-75v-
6
€3-—_
+62)
49
|
10
|
cM-
CM-
«+
©
ma
BIAS
sw
-
e1
t
s|s}
[AUDIO-B
BOARD)
Farals
w
-
5|%
u
lo
xu
45369
ee
b2
ek
a
ao2z
=
\
SO
jo
xy
“eo
RE
Bee
Sa
C31
nN
|s
Ww)
Coan
had
Ww
x
2
|
PB.
2258
8)b
«
¢
O
~75V
<
o
aa
m([e
w]2
z
23
oO
rv
OD
GENEID
}
PB
OL
LEVEL
:
|
(TC
PANEL
(A)
BOARD)
pee
|
PB
AMP
-
|
re
4
CN407
cCN461
PBR
8401-403
4
O
SYSTEM
CONTROL
KEY
x}
2
8
|
}
is
(C401
O
Peli
of
A
*
eee
I
RV21
sf
O
PB
R
LEVEL
KEY
Xx}
}
7
Y
RY31
PASS
62
|
RM
ON/OFF
(11)
Bates
Ne
L
[|
RELAY
$404,
405
6
a
:
Oo
ON/OFF
eWiTe
NING
KEY
YY
Be
pee
BIAS
ON/OFF
(18)
aca
oO
O
0
oO
Do
.
+5V
b>
{
O
$406
Ba
SEL
A/B
(9)
BMLTCHING
O O
D>
|
ete
meals]
[sl
i.
O
O
4
©
REC/PB
(3)
ew
ITER
ENG
Dil
oFF
e402
0481-485
7
ERASE
SWITCHING
A
ply}
7
7
HEAD
oot
jaewof
st
fat
a
rev]
2
%
AMS
AMP
3
|
Ba
%
AMS
O
O
1
BIAS
4
Bias
@)
0400
i
|
O
O
AMP
|
|
|
|
0410
a
LINE
MUTE
NORMAL
SPEED
LM
ON/OFF
(10)
Bias
-
CN403
(2/2)
SYNCHRO
NORMAL/
Paes
use
ie
ana
oe
{TC
PANEL
(B)
BOARD)
“MOTOR
cr
al
ee
ae
:
°
=
HIGH
SPEED
on
4A
om
CN408
CN452
Saetuaks
CM+
AS
O
}
47)B
CM
SYNCHRO
D401
KEY
YY
O O
—t
41)
ARM
1
SWITCH
yee
v2
|
2
foe
MWA,
(40)
ARM
Q405,
407
O O
REEL+
AWW—(59)
ARM
O
O
KEY
x(@)
7
|
+7 5V
7
|
A
PLY
KEY
xx]
3
"1
REEL
+7.6V
O O
+7
5V
G4)
BRM
ea
A
EWO
O O
MOTOR
oe
H
-7.5V
5
My
43)
BRM
A
FwD
61)
a
7.5)
a7
+5V
=
ne
£9
|
oM=
+9
|
T
AW
42)
A
REW
60)
D491~498
-
LT
LH
ome
ae
age
=
REC
61
Eri
o o
ara
||
Ba
=o
PAU
~~
69
Pa
Oo
O
4
rm
{LEAF
SW(A)
BOARD)
PLY
69)
B
PLY
8
5
Ppa
caeyeat
=
B
FWD
3
|
[5
|
HTC-D359
ONLY
CN405
O O
$81
CD
SYNC
B
REV
19
|
ga
|
STOP
O-
O
G1)
A
STOP
co
SYNC
7
|
|
!
sed
|
owe
Te
Te
@
you
Ny
3
bua
w_|tS
Ba
rae
O
62)
A
HALF
O O
'
ma
a
4
49)
AP/BSCH
=
i
3)
A
SHUT
-
RESET
Q8)
cN406
65)
8
STOP
+5V
SWITCH
in
@9
S
xa01
x o
:
4
@)
®)
(6)B
HALF
(48)
BS/ASCH
G6)
B
SHUT
==
=
eee

Related product manuals