EasyManua.ls Logo

Sony HVR-M10E - Page 32

Sony HVR-M10E
329 pages
Print Icon
To Next Page IconTo Next Page
To Next Page IconTo Next Page
To Previous Page IconTo Previous Page
To Previous Page IconTo Previous Page
Loading...
HVR-M10C/M10E/M10J/M10N/M10P/M10U
3-13 3-14
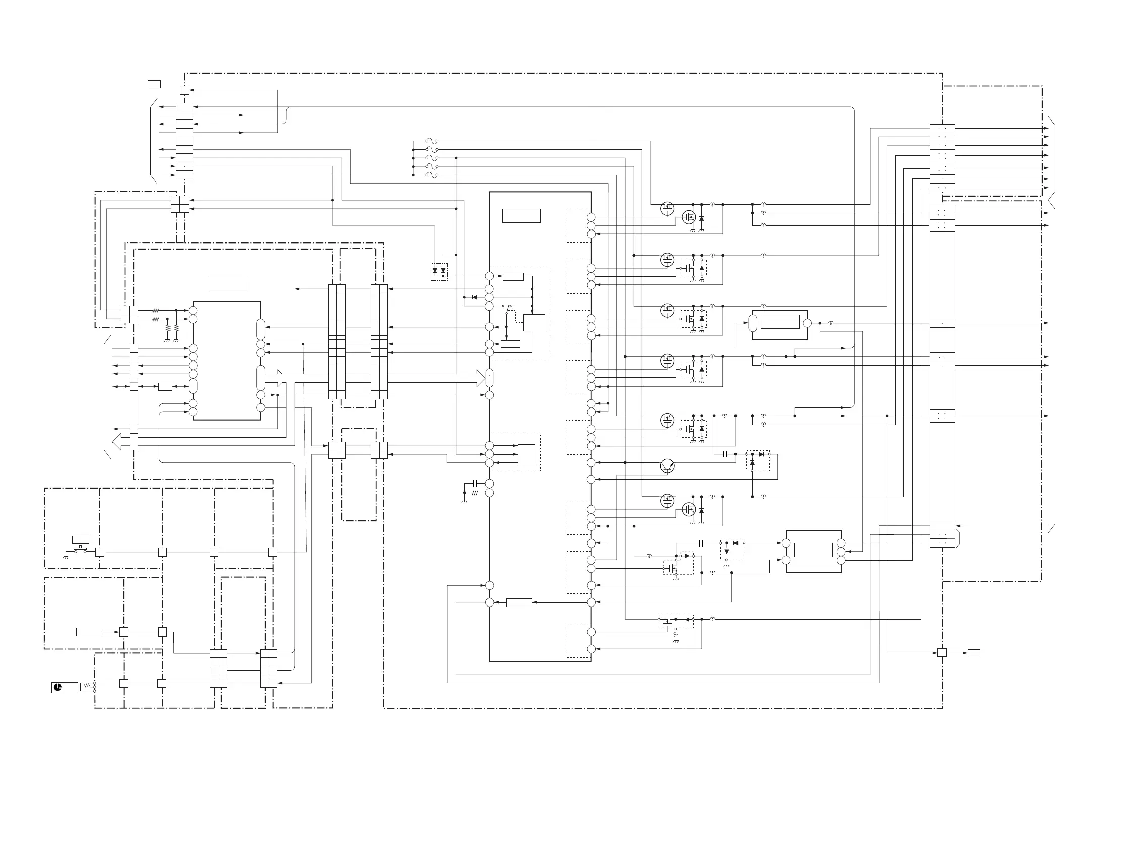
3-7. POWER BLOCK DIAGRAM (2/4)
( ) : Number in parenthesis ( ) indicates the division number of schematic diagram where the component is located.
A3
D1
H1
J2
G4
G3
L2
A2
D3
IC101
DC/DC CONVERTER
RESET,LANC I/O
C1
HO1
Q103
SWITCHING
Q111
SWITCHING
Q105
SWITCHING
Q112
SWITCHING
L103
L104
D105
1.5V
1.2V
VO1
VC-367 BOARD (1/2)
DA-033 BOARD
C2
B2
D2
TO
POWER
BLOCK
DIAGRAM(3/4)
(PAGE 3-15)
6
TO
POWER
BLOCK
DIAGRAM(1/4)
(PAGE 3-11)
1
TO
POWER
BLOCK
DIAGRAM(1/4)
(PAGE 3-12)
3
TO
POWER
BLOCK
DIAGRAM(3/4)
(PAGE 3-15)
5
E2
E4
E3FR EVER SO,SCK,XCS DD1
EVER 3.0V
V OUT
HI RESET
BATT IN
VTR DD ON
XLANC PWR
CN103
CN761
CN101
CN103CN761
CN104
CN0005
CN0003
CN761CN760
CN760
BATT UNREG
ACV BATT UNREG
BATT UNREG
VBATT
PVCC 1
MT 4.9V
A 4.6V
D2 2.8V
D1 2.8V
MT 4.9V
VTR UNREG
LANC DC
3V REG
RESET
D IN
D102
D101
CLK
LD
CTL1
CT
RT
BATTERY
IN
DETECT
5.6V
REG
LANC I/O
A9
LO1
A10
B8
HO2
VO2
B11
LO2
C10
A8
HO3
VO3
C9
LO3
D10
D7
HO5
VO5
E10
LO5
E8
A5
HO4
VO4
D9
LO4
E11
D5
HO6
VO6
F10
LO6
F8
K4
SWVO9
VO9
J11
DRV9
AMP IN
DRV10
CAM DD ON
CAM 15V
H9
H8
PVCCL2
K11
PVCCL1
CDET
A4
C8
PVCCH
VBATP
K10
F11
FP-976 (2)
(FLEXIBLE BOARD)
(3/3)
FP-976 (1)
(FLEXIBLE BOARD)
(2/2)
FP-976 (2)
(FLEXIBLE
BOARD)
(2/3)
FP-971
(FLEXIBLE
BOARD)
(1/3)
VA-120
BOARD (1/2)
FP-088
(FLEXIBLE
BOARD)
FFC-093
(FLEXIBLE
FLAT CABLE)
FFC-094
(FLEXIBLE
FLAT
CABLE)
(1/2)
FP-096
(FLEXIBLE
BOARD)
FP-976 (2)
(FLEXIBLE BOARD)
(1/3)
SW-436
BOARD
PW-129 BOARD
(1/2)
JL-001
BOARD
FP-976 (1)
(FLEXIBLE
BOARD)
(1/2)
21 23 25
15 17 19
35
7 9
1 3 5
11 13
48 50 52
54 56 58
24 26 28
30 32 34
36 38 40
42 44 46
3
IC102
3.1V REG
CN101 CN761
CN105
(FOR ADJUSTMENTS)
D1 2.8V
CAM DD ON
NOT USE
D1 2.8V
AU 4.6V
A4.6V
D 3.1V
D1 1.5V
CAM 1.5V
CN103 CN761
A -2.8V
EP 13.5V
CAM 5.1V
A1 2.8V
D1.9V
D1.2V
A 1.5V
Q106
SWITCHING
Q113
SWITCHING
L105
1.9V
Q104
SWITCHING
Q114
SWITCHING
L107
L115
L121
4.6V A 4.6
L119
AU 4.6V
PVCC 1
PVCCH
L120
2
5
4
1
8
3
7
IC104
13.5V REG
-7.5V REG
L112
Q102
SWITCHING
Q117
SWITCHING
L106
C149
C147
L109
15V
-15V
L114 D1 2.8V
A1 2.8V
2.8V
L122
L111
L113
L116
D1 1.5V
D 1.2V
D 1.9V
CAM 1.5V
A 1.5V
Q107
SWITCHING
Q109
SWITCHING & RECT
Q116
SWITCHING
Q115
SWITCHING
L108
D108
Q108
SWITCH & RECT
L101
L125 CAM 5.1V
D107
RECT
D106
RECT
G2
K1
G1
J10
J7
L110
L102
43 45 47
37 39 41
21 23
31 33 35
25 27 29
36 38 40
42 44 46
24 26 28
30 32 34
20 CPC
CN107
(FOR ADJUSTMENTS)
CPC
15V REG
ON/OFF
F102
F103
F104
F105
F106
37
47
49
31
29
27
33
7
9
7
9
7
9
7
9
63
61
46
63
61
46
5
30 241616
2
11
48
50
48
50
4
39
45
37
47
49
37
29
27
33
39
45
37
47
49
37
29
27
33
39
45
37
47
49
37
29
27
33
39
45
26
22
16
14
12
Q8307
BATT SIG
VTR DD ON
CN0001
CN0005CN760
8
6
4
2
IC8301
FRONT CONTROL
VCC
XRESET
BATT IN
BATT SENS
ACV SENS
73
31
65
66
CHARGE INH
BATT/XEXT
22
77
INT CHARGE ON
FAST CHARGE
IB SO
IB SI
38
37
XVTR ON SW
1
XCAM ON SW
2
35
7
14
62
53
42
43
FR EVER SCK
FR EER SO
XCS DD1
XCS DD2
VTR DD ON
XLANC PWR ON
CN0002CN2000
CN401
CN601
CN901
CN2007
CN2008
CN2003
NOT USE
CN0008
CN2005 CN710 CN711
HI XRESETXRESET
XVTR ON SW
XCAM ON SW
LANC DC
21
20
49
67
POWER SW
S602
16
(LANC)
J931
I/F
S111
RESET
48
50
48
50
19 20
8
6
4
3
2
1
11 - 18
FR EVER SO,SCK,XCS DD2
A -2.8V
(12/16)
63
61
46
63
61
46
4
Ver 1.1 2005. 05

Table of Contents

Related product manuals