EasyManua.ls Logo

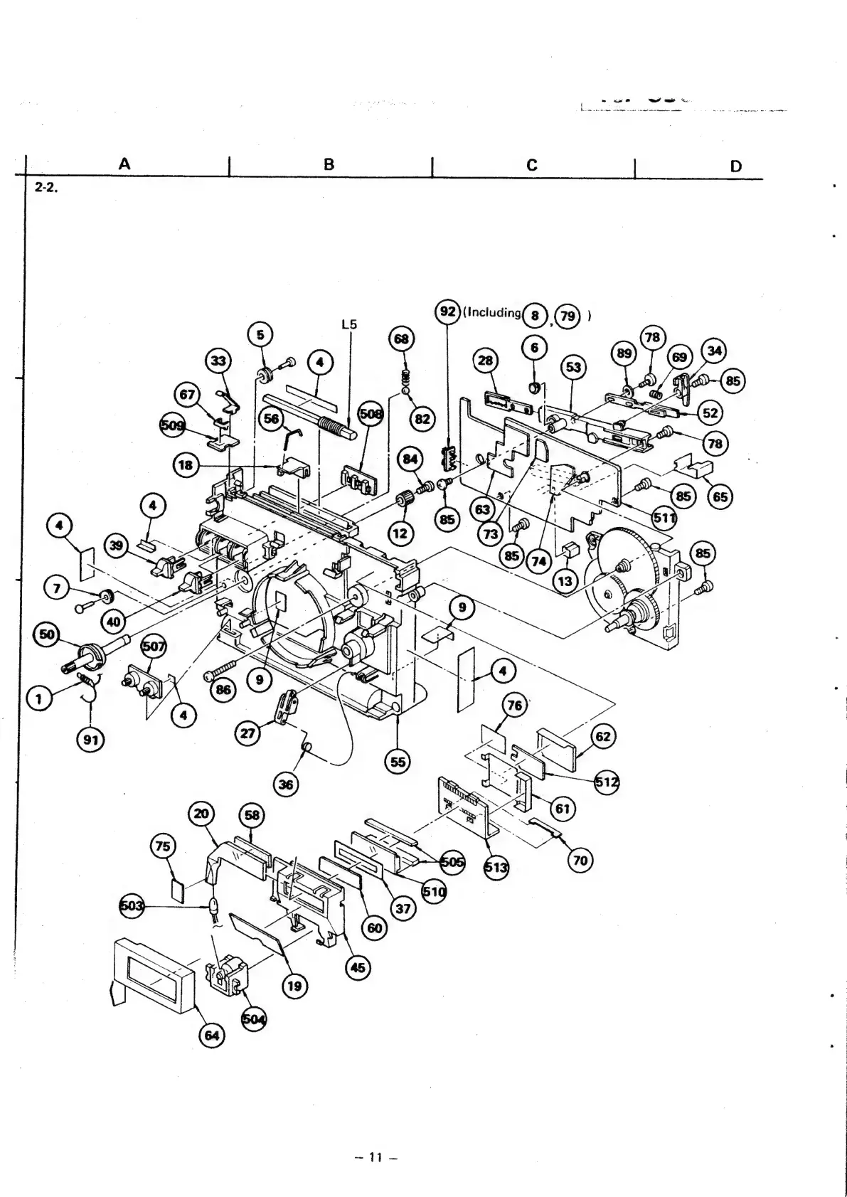
Sony ICF-6500W - Exploded View 2-2

Sony ICF-6500W
15 pages
Print Icon
To Next Page IconTo Next Page
To Next Page IconTo Next Page
To Previous Page IconTo Previous Page
To Previous Page IconTo Previous Page
Loading...
2-2.
(2),@)
(92)
(Including
—~
1}
~—
AY
A
\
*
W
EA)
\\
fi
}
f
fy
t}
N
a\\
pp)
-
ied
|
ff
:
;
is
Hie
i
ff
\
jpmad
%
.
y
ly
VN
.
;
§
a
Fy
Nx,
;
A\
u
Lf)
AYO
ie
*S
v7
\
4
i
,
\;
.
i
*,
ey
:
Oh
2
Oh
\
a
2
=
\

Related product manuals