EasyManua.ls Logo

Sony ICF-6500W - Page 8

Sony ICF-6500W
15 pages
Print Icon
To Next Page IconTo Next Page
To Next Page IconTo Next Page
To Previous Page IconTo Previous Page
To Previous Page IconTo Previous Page
Loading...
ee
i
|
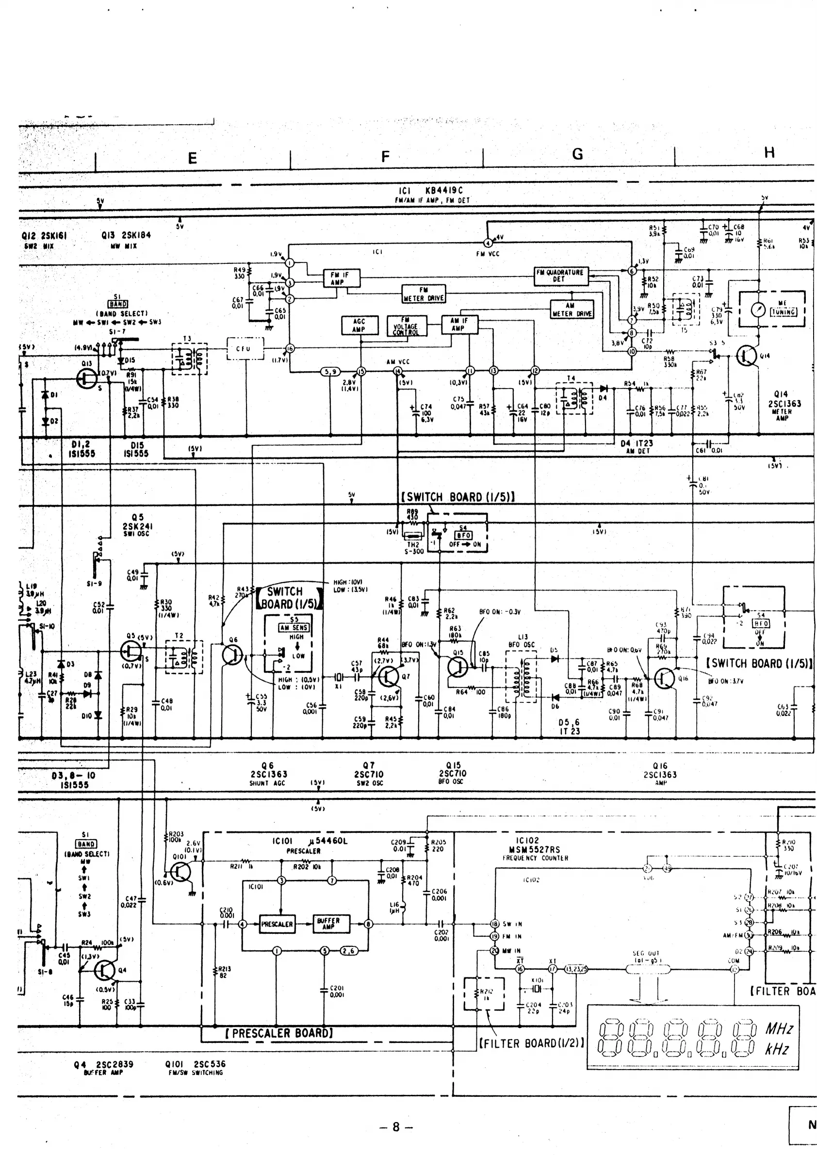
Icl
KB4419C
ae
oe
ee
ee
Vanes
3
Ps
_
z
7
FM/AM
IF
AMP,
FM
DET
aise
Oe
ae
ee
oe
rh
ae
as
bi
os
|
oe
Mw
MIX
:
a
|
7
=
=
ir
on
ms
|
:
ha
=
aS
ES
fv
nah
ioe
eT
a
va
2
|
Ov
a
has
:
=
SEMENEC
i
&
_
oo
;
:
che
te
_
[Fi
QuaonaTURE
(6)
an
&
oro
ap,
aaaaascireansumubiors
Lagi
7
0bT
R52].
¢
Stes
|
Com
aos
ee
0
"ot
TE
(BAND
SELECT)
As
abe
MWe
SW
Gm
SWZ
oe
Sw
414.9
es
ee
NY
eR
‘R58
ar:
“i
ass
SUV
25C1363
PTS
POPE
T
22h
a
M3
R
|
04
1723
Aw
OET
HIGH
|
(OV)
SWITCH
Low
:
(3.$v)
.
|
R46
4
C83
|
BOARD
(1/5)z
in
=
G01
(1/4W)
Aa
BFO
ON:
-
0.3
|
i
ros.
/
|
ry
Raa
(80h
.
ae
68%
|BFO
ON:
BFO
OSC
|
of
C5
2
ce!
ae
CH
10
HIGH
+
{0,5V)
Or
ar
A
x
NS
|
ig
Poe
58
¢
,
R64.
10
{
220p7T
(2,6¥)
C60
C92
aor
ies
O47
C3
csg.b
R45
0,01
|
es
2209
2.2h
|
_
ce
|
i
Q6
Q7
—Q15
| |
ee
|
6
“yy
.
10
2$C1363
2SC710
2SC
710
|
7
2601363
2
181535
7
SHUNT
AGC
(Vv)
Sw2
OSC
8FO
OSC
:
SO
AMP
($v)
$1
|
R203
~
.
ome
.
.
,
es
ues
_
1OOk
>
ev
iCi0l
=
=94
544608
C208
R205
IC
102
,
(0.1)
|
PRESCALER
01
220
MSM5527RS
(enna
seuecty
|
aol
|
|
ae
eee
eS
Popo
eet
¢
|
\y
R2i1
ik
R202
Wh
|
|
oa
| ,
TRCeor
4
.
0
an
10/
Ie¥
<
|
(0.6V)
pe
AG
|
IC10e
ads
l
tr
Sw3
|
7
ee
au
R24
1000
[S>”?
?
45
.
Oo
hela
®
we
{yr
|
|
|
4
.
|
R213
te
.
82
(Osvd,
:
_
;
C201
C46
|
|
i
0,001
00
F
(0p
{
PRESCALER
BOARD)
Q4
28¢2839
Q!I0i
28C536
BUSFER
AMP
FM/SW
SWITCHING
aR

Related product manuals