EasyManua.ls Logo

Sony ICF-CD820 - Page 19

Sony ICF-CD820
33 pages
Print Icon
To Next Page IconTo Next Page
To Next Page IconTo Next Page
To Previous Page IconTo Previous Page
To Previous Page IconTo Previous Page
Loading...
– 26 –
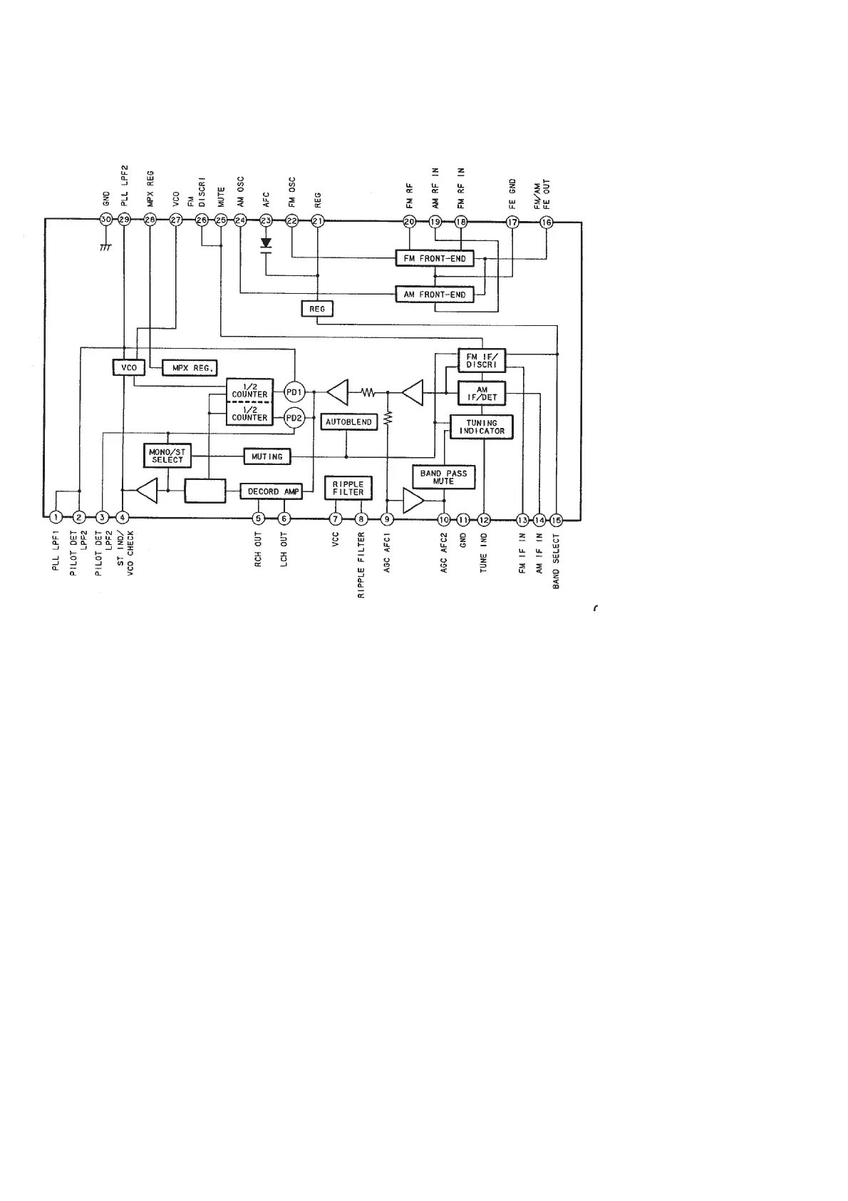
• IC Block Diagrams
– MAIN Board –
IC1 CXA1238M-T6

Other manuals for Sony ICF-CD820

Related product manuals