EasyManua.ls Logo

Sony ICF-CD820 - Page 20

Sony ICF-CD820
33 pages
Print Icon
To Next Page IconTo Next Page
To Next Page IconTo Next Page
To Previous Page IconTo Previous Page
To Previous Page IconTo Previous Page
Loading...
– 27 –
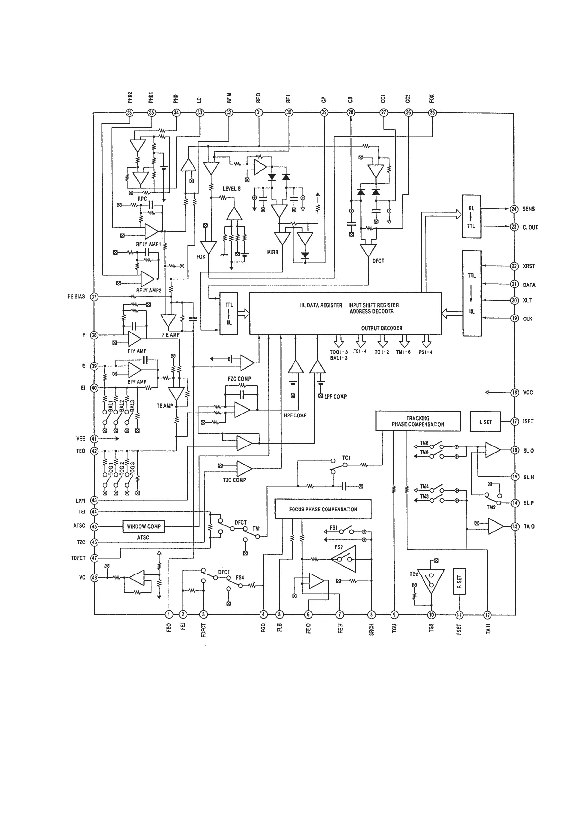
IC501 CXA1782BQ

Other manuals for Sony ICF-CD820

Related product manuals