EasyManua.ls Logo

Sony ICF-CD832 - Schematic Diagram - Control, Display Section

Sony ICF-CD832
40 pages
Print Icon
To Next Page IconTo Next Page
To Next Page IconTo Next Page
To Previous Page IconTo Previous Page
To Previous Page IconTo Previous Page
Loading...
ICF-CD832
2222
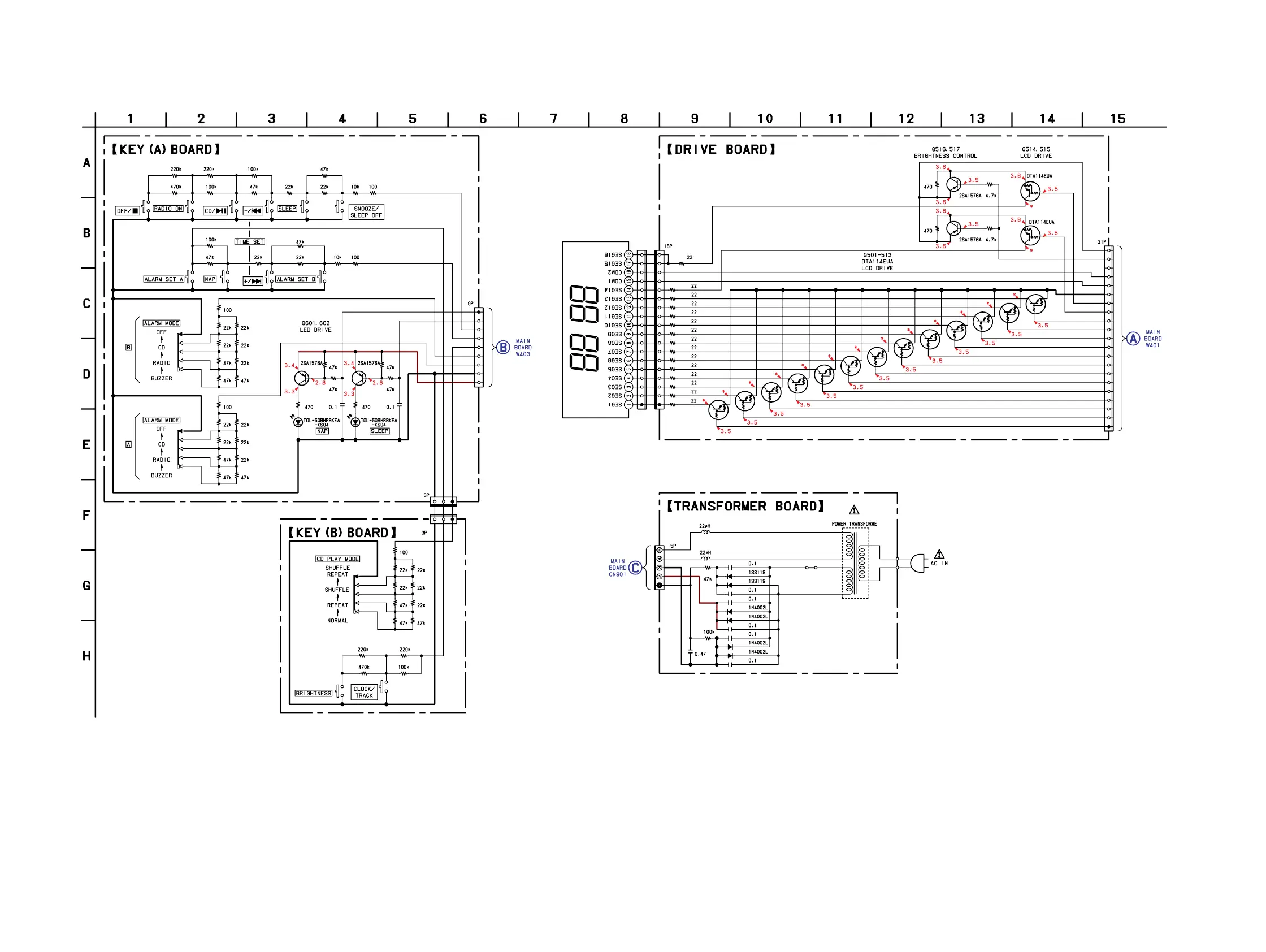
5-9. SCHEMATIC DIAGRAM — CONTROL, DISPLAY SECTION — • Refer to page 18 for Common Note on Schematic Diagrams.
•Voltage is dc with respect to ground under no-signal
(detuned) condition.
no mark : FM
C901
C902
C903
C904
C905
C906
D901
D902
R902
R901
C907
Q501
Q502
Q503
Q504
Q505
Q506
Q507
Q508
Q509
Q510
Q511
Q512
Q513
R502
R503
R504
R505
R506
R507
R508
R509
R510
R511
R512
R513
R514
R515
Q517
Q516
R519
R517
Q515
Q514
R642 R641
R646 R644
R643R645
C602 C601
S601 S602 S603 S604 S605
S606
S607 S608 S609 S610
R601
R602
R603
R604
R605
R606 R608
R609
R610
R614
R615 R617 R619 R621 R622
R631
R629 R630
R627
R628
R625
R626
R623 R624
R640
R638 R639
R636 R637
R634 R635
R632 R633
R662
R663
R660
R661
S652
S653
W501
W401R618
S611
S612
CN601
W601
S651
T901
Q602 Q601
R612 R613
D602 D601
W601
R659
R657 R658
R655 R656
R653 R654
R651 R652
CH901
L901
L902
JW901
D903
D904
D905
D906
LED501
R518
R516
R501
(Page 20)
(Page 20)
(Page 20)

Other manuals for Sony ICF-CD832

Related product manuals