EasyManua.ls Logo

Sony KDL-40D340 - Page 65

Sony KDL-40D340
136 pages
Print Icon
To Next Page IconTo Next Page
To Next Page IconTo Next Page
To Previous Page IconTo Previous Page
To Previous Page IconTo Previous Page
Loading...
- 73 -
DDCCBBP
EE
FF
Z
1
2
3
4
5
6
7
8
9
10
11
12
QRS T UVWXY AA
1
GND_3
1PS226-115
D6704
617
EY6701
MA2J1110GLS0
D6702
EY6621
1
GND_2
EY6620
EY6703
25V
0.01
B
C6707
250V
B
C6612
220p
EY6702
25V
0.01
B
C6706
MA2J1110GLS0
D6703
EY6619
*C6606
450V
1
6616
1/4W
FPRD
1
R6804
1PS226-115
D6705
EY6700
1
GND_3
EY6618
1
GND_2
1
GND_2
1
ND_2
1W
RS
12
R6710
1W
RS
12
R6711
1W
RS
12
R6712
1W
RS
12
R6713
VCC_12V
EY6643
EY6706
EY6707
EY6641
EY6704EY6640
EY6705
EY6642
1
GND_3
JL6717
JL6718
1
2
CN6700
XX
HV1
HV2
1
3
2
45
8
6
7
T6801
1
3
2
45
8
6
7
T6600
1PS226-115
D6720
1608
CHIP
R6913
0
450V
MPS
*C6797
1
EY6714
EY6715
XX
C6713
C6714
XX
1
2
3
3P
CN6708
HV2
HV2
1
2
3
4
4P
CN6707
HV1
HV1
JL6724
JL6725
JL6726
JL6727
JL6728
JL6729
JL6730
JL6738
Mount Mecha
410314301
A6700
XX
Mount Mecha
410314301
*A6701
Mount Mecha
410314301
A6702
XX
EY6716
XX
EY6717
XX
*EY6718
*EY6719
EY6720
XX
EY6721
XX
1
GND_3
1
GND_2
EY6722
EY6723
EY6724
EY6725
1
GND_2
1
GND_3
XX
R6915
XX
R6916
*JW6736
10
E
ET6700
E
ET6701
C6710
4700P
50V
SL
1608
C6712
4700P
50V
SL
1608
50V
2700p
SL
C6795
C6709
39p
6.3kV
SL
C6711
39p
6.3kV
SL
DF1.-WAX3F
DF1
1B/1
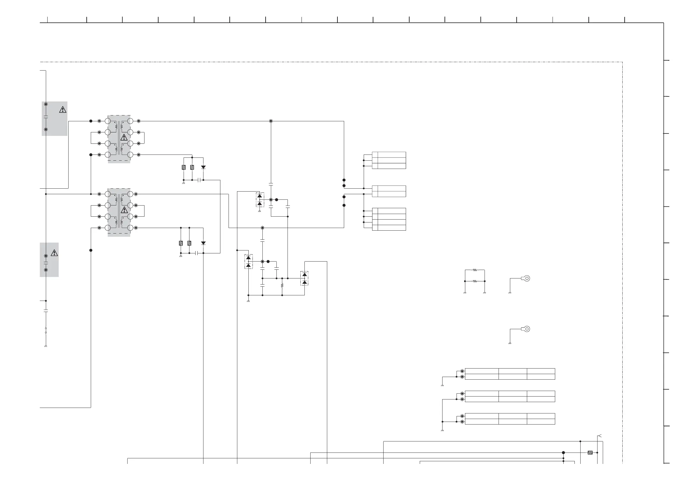
~ DF1 Board Schematic Diagram [ Invertor Power Circuit for Backlight ] Page 1B/1 ~
www.freeservicemanuals.info
5/3/15
Digitized in Heiloo, Holland.

Table of Contents

Related product manuals