EasyManua.ls Logo

Sony KDL-40D340 - Page 71

Sony KDL-40D340
136 pages
Print Icon
To Next Page IconTo Next Page
To Next Page IconTo Next Page
To Previous Page IconTo Previous Page
To Previous Page IconTo Previous Page
Loading...
- 79 -
11
21
22
R
Q
P
EE
FF
S
T
U
V
W
X
Y
Z
AA
BB
CC
DD
20
18
19
17
15
16
14
12
13
25V
B
C6747
0.1
1608
25V
B
C6743
0.1
INV_DRV_2L
INV_DRV_1L
1/10W
RN-CP
0.5%
10k
R6751
4.7
R6805
1608
25V
B
C6746
0.1
2012
25V
1
B
C6732
1/10W
RN-CP
5%
R6786
4.7k
16V
100
C6729
1
GND_3
1608
25V
0.01
B
C6730
1/10W
RN-CP
0.5%
68k
R6776
MAZ8068G0LS0
D6710
16V
100
C6740
R6747
XX
1
GND_3
XX
C6737
C6739
0.01
25V
B
1608
1/10W
RN-CP
5%
R6795
47k
XX
R6765
1608
1/10W
RN-CP
0.5%
R6771
1k
1/10W
RN-CP
5%
39k
R6775
1608
RN-CP
R6789
47k
0.5%
1608
1/10W
RN-CP
0.5%
R6772
10k
1
GND_3
1/4W
FPRD
1
R6804
1608
1/10W
RN-CP
0.5%
R6770
39k
1/10W
RN-CP
5%
10k
R6783
20 19 18 17 16 15
14 13 12 11
DW
1
SNS
OMP
SNS
SNS
OUT
OUT
GND
OUT
OUT
DDP
INV_DRV_2H
INV_DRV_1H
1608
16V
0.1
B
C6754
14 13 12 11 10 9 8
7654321
BA10339F-E2
IC6703
0
0
VCC
-
+
-
+-
+
-
+
GND
0
0
10k
R6794
1/10W
RN-CP
5%
10k
R6773
25V
0.1
B
C6744
CHIP0
R6788
1608
R6779
10k
1/10W
RN-CP
0.5%
RN-CP
10k
R6802
1/10W
0.5%
12345
PQ200WNA1ZPH
IC6702
DC INPUT
ON/OFF
DC OUT
REF
GND
1/10W
RN-CP
0.5%
1.8k
R6761
10V
1
B
C6738
10V
1
B
C6727
LEF
2SC3052EF-T1-LEF
Q6711
VCC_12V
1
GND_3
10V
1
B
C6741
MAZ8039G0LS0
D6715
MAZ8039G0LS0
D6714
0.5%
R6754
33
1/10W
RN-CP
0.5%
R6758
47
1/10W
RN-CP
0.5%
R6756
39
1/10W
RN-CP
0.5%
R6752
33
1/10W
RN-CP
CHIP
R6766
0
CHIP
R6780
0
1
GND_3
5%
R6715
10k
1/10W
RN-CP
XX
C6708
1/10W
2.2k
R6716
RN-CP
5%
R6748
XX
1
GND_3
1608
RN-CP
R6809
2.2k
1/10W
5%
1608
RN-CP
R6790
33k
1/10W
0.5%
1/10W
RN-CP
0.5%
4.7k
R6763
1/10W
RN-CP
0.5%
100k
R6750
25V
0.1
B
C6742
R6714
5%
2.2k
1/10W
RN-CP
RN-CP
10k
R6811
1/10W
0.5%
25V
0.01
B
C6750
1608
RN-CP
R6777
1/10W
0.5%
100k
C6734
XX
1
2
3
4
5
6
7
7P
CN6701
LD
LD
LD
NC
GND
FB
12V
1608
25V
B
C6749
0.1
1608
50V
B
C6755
1000p
1608
25V
B
C6785
0.1
Q6715
XX
XX
C6786
XX
C6787
XX
R6814
XX
C6788
R6798
XX
XX
R6815
1
2
3
4
5
6
7
8
9
CN6706
GND
DIMMER
BACK_LIGHT
INV_ERR
GND
REG12V
BALANCER_ERR
NC
NC
10V
1000
C6745
1
GND_3
R6813
XX
1608
1/10W
RN-CP
5%
R6793
10k
R6787
470
1/10W
5%
1608
10V
1
B
C6748
1608
25V
0.1
B
C6794
XX
R6753
1608
CHIP
R6816
0
R6817
XX
1
GND_3
CHIP
R6824
XX
R6821
0
R6822
0
CHIP
R6823
XX
1/10W
RN-CP
5%
10k
R6757
1608
16V
0.047
B
C6735
MA2J1110GLS0
D6718
C6736
XX
JL6706
JL6707
JL6708
JL6710
JL6709
JL6711
JL6712
JL6713
JL6714
C6751
XX
25V
B
C6756
0.1
25V
B
C6757
0.1
16V
100
C6759
R6910
XX
1608
1/10W
RN-CP
5%
R6755
2.2M
D6709
MAZ8068G0LS0
16V
0.1
B
C6609
R6768
XX
0.5%
R6764
56
1/10W
RN-CP
0.5%
R6762
56
1/10W
RN-CP
RN-CP
R6778
100k
1/10W
0.5%
ISA1235AC1TP-1EF
Q6712
Q6716
XX
ISA1235AC1TP-1EF
Q6714
1608
CHIPR6820
0
MC2838-T112-1
D6717
MA2J1110GLS0
D6708
16V
0.1 B
C6796
1/10W
RN-CP
5%
100k
R6911
D6721
MAZ8120GMLS0
1
OCP2
1/10W
RN-CP
0.5%
1k
R6760
1/10W
RN-CP
0.5%
1k
R6759
1/10W
RN-CP
5%
R6792
22k
1/10W
RN-CP
5%
R6767
5.6k
JL6730
JL6732
JL6733
JL6734
JL6735
JL6736
JL6737
JL6738
1/10W
RN-CP
5%
R6782
56k
7
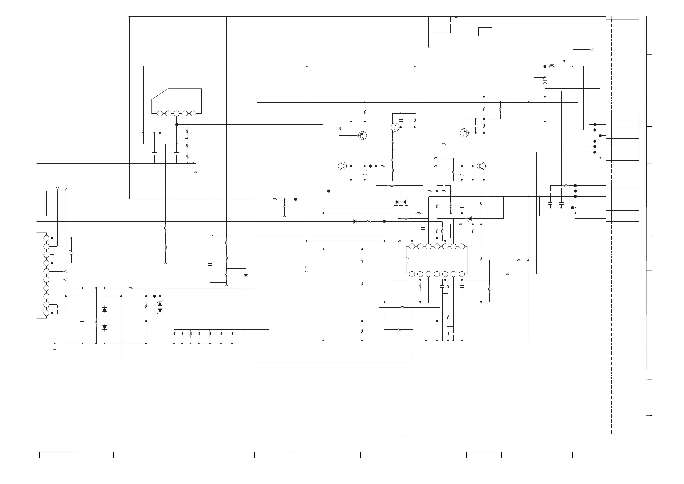
FROM Power Supply
TO DF3
TO BALANCER
DF2.-WAX3F
DF2
1D/1
~ DF2 Board Schematic Diagram [ Invertor Power Circuit for Backlight ] Page 1D/1 ~
www.freeservicemanuals.info
5/3/15
Digitized in Heiloo, Holland.

Table of Contents

Related product manuals