EasyManua.ls Logo

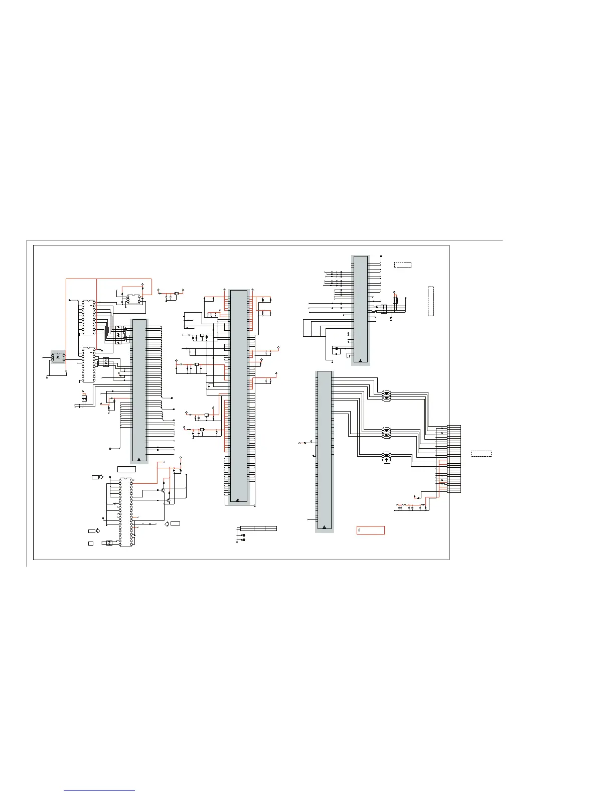
Sony KLV-32M400A - BG2 A Board Schematic Diagram (4 of 8)

Sony KLV-32M400A
132 pages
Print Icon
To Next Page IconTo Next Page
To Next Page IconTo Next Page
To Previous Page IconTo Previous Page
To Previous Page IconTo Previous Page
Loading...
KLV-26M400A/32M400A/37M400A/40M400A
KLV-26M400A/32M400A/37M400A/40M400A 27
BG2A BOARD SCHEMATIC DIAGRAM (4 OF 8)
1 | 2 | 3 | 4 | 5 | 6 | 7 | 8 | 9 | 10 | 11 | 12 | 13 | 14 | 15 | 16 | 17 | 18 | 19 | 20 | 21 | 22 | 23 |
A
B
C
D
E
F
G
H
I
J
K
L
M
N
O
P
JL4501
1005
16V
0.1
C4507
1005
16V
0.1
C4521
1005
16V
0.1
C4520
1005
16V
0.1
C4519
JL4512
HDMI
1005
16V0.1
C4516
100516V
0.1
C4517
100516V
0.1
C4518
1005
16V
0.1
C4513
1005
16V
0.1
C4514
100516V0.1
C4515
HDMI_I2S
JL4513
JL4511
1005
16V
0.1
C4506
CHIP
1M
R4509
1/16W
JL4502
JL4503
JL4504
JL4505
JL4506
JL4507
JL4500
JL4514
D3.3V-2
X4500
28.322MHz
PX_PLF2
PC_B
PX_MLF1
PLUG_DET
PC_G
PC_H
PC_R
PC_V
100
RB4510
2
1
4
3
6
5
8
7
1005
16V
0.1
C4762
D3.3V
MCLK0
RAS#
VDDH
WE#
1005
50V
0.001
X7R
C4746
1005
16V
0.1
C4781
C4712
2700p
50V
B
1608
100
RB4702
1
2
3
4
5
6
7
8
1/16W
CHIP
4.7k
R4710
1005
16V
0.1
C4760
1005
16V
0.1
C4731
1005
50V
0.001
X7R
C4774
EMI
G
FL4706
0uH
1005
16V
0.1
C4705
TRI-SDA
D3.3V-2
D3.3V
VDDH
1005
16V
0.1
C4739
1005
16V
0.1
C4717
1005
50V
0.001
X7R
C4773
JL4706
1005
16V
0.1
C4758
VD1_8
1005
16V
0.1
C4702
DQS[0-3]
BA0
EMI
G
0uH
FL4701
L4701
MVREF
TRI-SCL
ALE_PX
1/16W
CHIP
5%
10k
R4723
TRIDENT_BUS
HDMI_33A
CAS#
100
RB4703
1
2
3
4
5
6
7
8
1005
50V
0.001
X7R
C4720
PX_MLF1
EMI
G
0uH
FL4703
JL4707
MCLK0#
CS#
FB4701
1005
16V
0.1
C4778
RESET_TR
JL4702
D3.3V
PX_PLF2
JL4709
BA1
CHIP
0
R4721
VDDMQ
VL1_8
DQM[0-3]
1005
50V
X7R
C4740
0.001
1/16W
CHIP5%
22
R4714
1005
50V
X7R
C4730
0.001
1005
16V
0.1
C4759
POWER2
CHIP
0
R4722
20 19 18 17 16 15 14 13 12 11
10987654321
SN74CBTLV3245APWR
IC4701
NC
A1
A2
A3
A4
A5
A6
A7
A8
GND B8
B7
B6
B5
B4
B3
B2
B1
OE
VCC
VDDH
1005
16V
0.1
C4752
1005
50V
0.001
X7R
C4765
1005
16V
0.1
C4716
EMI
G
FL4705
0uH
1005
50V
0.001
X7R
C4750
MA[0-11]
D3.3V
CS_PX
MD[0-31]
54
321
TC7SH86FU(T5RSOYJF)
IC4703
1005
16V
0.1
C4701
VDDMQ
D3.3V-2
1005
50V
X7R
C4734
0.001
JL4708
100
RB4701
1
2
3
4
5
6
7
8
1005
16V
C4726
0.1
INTN
D3.3V-2
REG5V
1005
16V
0.1
C4780
1005
16V
0.1
C4718
1608
50V
2700p
B
C4713
CKE
JL4703
1005
50V
X7R
C4769
0.001
1/16W
CHIP5%
22
R4715
HDMI_33A
VA1_8
1005
50V
X7R
C4708
0.001
20 19 18 17 16 15 14 13 12 11
10987654321
SN74CBTLV3245APWR
IC4702
NC
A1
A2
A3
A4
A5
A6
A7
A8
GND B8
B7
B6
B5
B4
B3
B2
B1
OE
VCC
1005
50V
0.001
X7R
C4736
1005
16V
0.1
C4757
EMI
G
0uH
FL4707
FB4705
0uH
0uH
FB4702
0uH
FB4703
0uH
FB4706
1005
16V
0.1
C4732
1005
50V
0.001
X7R
C4721
1005
50V
0.001
X7R
C4722
1005
50V
0.001
X7R
C4723
1005
50V
0.001
X7R
C4724
D1_IN_Y
D1_IN_CR
D2_IN_Y
D2_IN_CR
22
R4502
22R4506
22R4508
VSW_OUT_C
D1_IN_CB
D2_IN_CB
22R4501
22R4505
VSW_OUT_Y/CV
22
R4507
JL4515
JL4516
CHIP
0
R4512
47R4525 1/16W
JL4711
R4531 0
D3.3V
V_BLK
PANEL12V
CHIP
R4545
4.7k
0uH
L4505
JL4712
R4537 0
R4535 0
1005
50V
0.001
X7R
C4525
R4534 0
1005
25V
0.01
X7R
C4524
R4516100
1005
25V
0.01
X7R
C4527
TV_CVBS
22uH
L4800
VSW_OUT_C,VSW_OUT_Y/CV
A_REG5V_EMP
A_V2_IN_V
REG5V
A_V1_IN_C,A_V1_IN_S2SW,A_V1_IN_SSW,A_V1_IN_V,A_V1_IN_Y
A_REG5V_EMP
A_REG5V_EMP
1/16W
CHIP
470
R4802
1/16W
CHIP
470
R4805
A_REG5V_EMP
A_REG5V_EMP
100
RB4800
1/16W
100
R4808
1/16W
CHIP
5%
100
R4801
1/16W
CHIP
5%
100
R4804
SCL_DEVICE
SDA_DEVICE
JL4714
10k
RB4704
2
1
4
3
1005
16V
0.1
C4500
1005
16V
0.1
C4502
1005
16V
0.1
C4503
1005
16V
0.1
C4505
A_REG5V_EMP
A_REG5V_EMP
JL4520
JL4521
10V
10
C4741
3216
10V
10
C4704
X7R
3216
1005
50V
0.001
X7R
C4530
1005
50V
0.001
X7R
C4531
0uH
FB4501
D3.3V
4.7k
R4712
1608
10V
1
X7R
C4779
1
C4803
1005
25V
0.01
X7R
C4814
CHIP
0
R4510
40 39 38 37 36 35
34
7
654321
33 32 3031
8
272829
9 1011121314
24
17
25
26
23 22 21
201918
15
16
BH7641FV
IC4800
V1
ADR
Y1
S1
C1
CSDET1
V2
BIAS
Y2
S2
C2
CSDET2
V3
TEST
Y3
S3
C3
CSDET3
SCL
SDA V4
AUXPORT
Y4
S4
C4
CSDET4
V5
GND
V6
DCOUT
COUT3
YOUT3
VOUT3
COUT2
Y/VOUT2
VOUT1
YOUT1
COUT1
VCC
TV
16V
47
C4806
CHIP
10k
R4542
10k
RB4512
2
1
4
3
100550V
470p
X7R
C4528
1005
50V
220p
X7R
C4725
54
321
74LVC1G04GW-125
IC4511
N.C.
A
GND Y
VCC
ISA1235AC1TP-1EF
Q4800
ISA1235AC1TP-1EF
Q4801
CXD9903GG
IC4500
VDDH
H15
VDDH
N15
VDDH
P15
VDDH
R15
VDDH
T13
VDDH
T14
VDDH
T15
VDDR
E2
VDDR
E8
VSSR
E4
VSSR
E7
PAVDD1
T3
PAVSS1
T2
PAVDD2
T4
PAVSS2
R3
AVDDAPLL
R2
AVSSAPLL
T1
AVDD_ADC1
U5
AVDD_ADC2
U7
AVDD_ADC3
T8
AVDD_ADC4
U6
AVSS_ADC1
T5
AVSS_ADC2
T7
AVSS_ADC3
T9
AVSS_ADC4
T6
AVDD3_ADC1
Y3
AVDD3_ADC2
U9
AVDD3_BG_ASS
V3
AVSS_BG_ASS
W3
AVDD3_OUTBUF
U3
AVSS_OUTBUF
Y2
AVDDLLPLL
U1
AVSSLLPLL
V1
REGVCC
R5
DGND
P5
VDD
C14
VDD
C15
VDD
D14
VDD
D15
VDD
E13
VDD
E14
VDD
E15
VDD
F7
VDD
F8
VDD
F13
VDD
F14
VDD
G6
VDD
G15
VDD
H6
VDD
J5
VDD
K5
VDD
N6
VDD
P6
VDD
R6
VDD
R7
VDD
R8
VDD
R13
VDD
R14
VDD
T12
VSS
M7
VSS
M8
VSS
M9
VSS
M10
VSS
M11
VSS
M12
VSS
M13
VSS
M14
VSS
N8
VSS
N9
VSS
N10
VSS
N11
VSS
N12
VSS
N13
VSS
P9
VSS
P10
VSS
P11
VSS
P12
VDDM
B4
VDDM
C4
VDDM
D4
VDDM
D5
VDDM
D11
VDDM
D13
VDDM
E5
VDDM
E6
VDDM
E9
VDDM
E10
VDDM
E11
VDDM
E12
VDDM
F5
VDDM
F6
VDDM
G5
VDDM
H5
VSS
B3
VSS
C6
VSS
C9
VSS
C12
VSS
D2
VSS
L5
AVCC
M4
AVCC
N4
AVCC
N5
AVCC
P4
PVCC
L4
TDMS_GND
L3
TDMS_GND
M3
TDMS_GND
N3
TDMS_GND
P3
TDMS_GND
R1
LVDS_VDDP
D18
LVDS_VDDO
C17
LVDS_VDDO
D17
LVDS_VDDA
E17
LVDS_VDDD
D16
LVDS_VSSP
E18
LVDS_VSSO
C18
LVDS_VSSO
C19
LVDS_VSSA
E16
LVDS_VSSD
C16
VSS
G9
VSS
G10
VSS
G11
VSS
G12
VSS
H8
VSS
H9
VSS
H10
VSS
H11
VSS
H12
VSS
H13
VSS
J7
VSS
J8
VSS
J9
VSS
J10
VSS
J11
VSS
J12
VSS
J13
VSS
J14
VSS
K7
VSS
K8
VSS
K9
VSS
K10
VSS
K11
VSS
K12
VSS
K13
VSS
K14
VSS
L7
VSS
L8
VSS
L9
VSS
L10
VSS
L11
VSS
L12
VSS
L13
VSS
L14
CXD9903GG
IC4500
Y_G1
V6
PB_B1
W9
PB_R1
Y8
Y_G2
W6
PB_B2
Y9
PR_R2
W8
Y_G3
Y6
PB_B3
Y10
PR_R3
V8
PC_G
Y7
PC_B
W10
PC_R
U8
AIN_HS
V10
AIN_VS
U10
CVBS1
Y4
C
V9
CVBS_OUT1
W2
CVBS_OUT2
V2
VREFP_1
W5
VREFN_1
V5
VREFP_2
W7
VREFN_2
V7
FB2
U4
FB1
Y5
FS2
W4
FS1
V4
XTALI
W1
XTALO
Y1
MLF1
U2
PLF2
R4
RX0-
M2
RX0+
M1
RX1-
N2
RX1+
N1
RX2-
P2
RX2+
P1
RXC-
L2
RXC+
L1
DSDA
U11
DSCL
T11
ANTSTO
M5
PWR5V
T10
AUDIOCLK
W11
SCK
Y11
WS
U12
SD0
V12
SPDIF
W12
SCDT
V11
CXD9903GG
IC4500
DPA_0
W19
DPA_1
V18
DPA_2
W18
DPA_3
Y18
DPA_4
Y17
DPA_5
W17
DPA_6
V17
DAP_7
U17
DPA_8
U16
DPA_9
V16
DPA_10
W16
DPA_11
Y16
DPA_12
W15
DPA_13
V15
DPA_14
U15
DPA_15
U14
DPA_16
V14
DPA_17
W14
DPA_18
Y14
DPA_19
Y13
DPA_20
W13
DPA_21
V13
DPA_22
U13
DPA_23
Y12
DPA_CLK
Y15
DPA_HS
Y19
DPA_VS
Y20
DP_HS
M18
DP_VS
M19
DPB_0
M17
DPB_1
M16
DPB_2
N20
DPB_3
N19
DPB_4
N18
DPB_5
N17
DPB_6
N16
DPB_7
P16
DPB_8
P17
DPB_9
P18
DPB_10
P19
DPB_11
P20
DPB_12
R19
DPB_13
R18
DPB_14
R17
DPB_15
R16
DPB_16
T16
DPB_17
T17
DPB_18
T18
DPB_19
T19
DPB_20
T20
DPB_21
U20
DPB_22
U19
DPB_23
U18
DPB_CLK
R20
DPB_HS
V19
DPB_VS
V20
DPB_DE
W20
TA1M
B14
TA1P
A14
TB1M
B15
TB1P
A15
TC1M
B16
TC1P
A16
TD1M
B18
TD1P
A18
TE1M
B19
TE1P
A19
TCLK1M
B17
TCLK1P
A17
TA2M
B20
TA2P
A20
TB2M
D19
TB2P
C20
TC2M
E19
TC2P
D20
TD2M
G19
TD2P
F20
TE2M
H19
TE2P
G20
TCLK2M
F19
TCLK2P
E20
CXD9903GG
IC4500
AD_0
K18
AD_1
K19
AD_2
K20
AD_3
J20
AD_4
J19
AD_5
J18
AD_6
J17
AD_7
J16
ADDR0
M20
ADDR1
L20
ADDR2
L19
ADDR3
L18
ADDR4
L17
ADDR5
L16
ADDR6
K16
ADDR7
K17
ALE
H17
WR#
H18
RD#
H20
INTN
G18
CPU_CS
H16
SDA
G16
SCL
G17
PWM0
F18
TESTMODE
F15
RESET
F17
V5SF
F16
MA11
F1
MA10
F2
MA9
F3
MA8
F4
MA7
G4
MA6
G3
MA5
G2
MA4
G1
MA3
H1
MA2
H2
MA1
H3
MA0
H4
MD0
C13
MD1
B13
MD2
A13
MD3
D12
MD4
C11
MD5
B11
MD6
A11
MD7
A10
MD8
B10
MD9
C10
MD10
D10
MD11
D9
MD12
A8
MD13
B8
MD14
C8
MD15
D8
MD16
D7
MD17
C7
MD18
B7
MD19
A7
MD20
D6
MD21
A5
MD22
B5
MD23
A4
MD24
C5
MD25
A3
MD26
A2
MD27
A1
MD28
C1
MD29
C2
MD30
C3
MD31
D3
DQS3
B2
DQS2
B6
DQS1
B9
DQS0
B12
DQM3
B1
DQM2
A6
DQM1
A9
DQM0
A12
BA0
K3
BA1
K4
CAS#
J1
RAS#
J2
WE#
K1
CLKE
K2
CS0#
J4
CS1#
J3
MCK0
D1
MCK0#
E1
MVREF
E3
GND
GND
GND
GND
GND
GND
GND
GND
GND
GND
GND
GND
GND
GND
GND
0uH
FB4744
R4530 0
1005
25V
0.01
X7R
C4808
1608
25V
0.1
X7R
C4805
Mount Mecha
409815711
A4500
IC4500
E
A4502
E
A4501
1
2
3
4
5
6
7
8
9
10
11
12
13
14
15
16
17
18
19
20
21
22
23
24
25
26
27
28
29
30
WHT
30P
CN4500
TA-
GND
TA+
DCC
TB-
GND
TB+
GND
TC-
GND
TC+
GND
TCLK-
GND
TCLK+
VCC
TD-
VCC
TD+
GND
DCC
GND
NC
GND
NC
VCC
DCCLUT
VCC
VCC
DCCMODE
1
2
3
4
8
7
6
5
L4500
0uH
1
2
3
4
8
7
6
5
0uH
L4502
1
2
3
4
8
7
6
5
0uH
L4504
TMDS_RX0+
TMDS_RX1+
TMDS_RX2+
TMDS_CLK+
DDC_SCL
TMDS_RX0-
TMDS_RX1-
TMDS_RX2-
TMDS_CLK-
DDC_SDA
MD[0]
AD6
AD4
WR#
AD3
AD5
AD7
AD2
AD1
AD0
MA[9]
MD[4]
MA[10]
MD[9]
MD[5]
MA[11]
MD[6]
MD[7]
MD[10]
MD[8]
MD[3]
MD[2]
MD[1]
MD[11]
MD[12]
MD[13]
MD[14]
MD[15]
MD[16]
MD[17]
MD[18]
MD[19]
MD[20]
MD[21]
MD[22]
MD[23]
MD[24]
MD[25]
MD[26]
MD[27]
MD[28]
MD[29]
MD[30]
MD[31]
DQS[3]
DQS[2]
DQS[1]
DQS[0]
DQM[3]
DQM[2]
DQM[1]
DQM[0]
MA[8]
MA[7]
MA[6]
MA[5]
MA[4]
MA[3]
MA[2]
MA[1]
MA[0]
A_V1_IN_SSW
A_V1_IN_C
VSW_OUT_Y/CV
A_V1_IN_S2SW
VSW_OUT_C
A_V1_IN_Y
A_V2_IN_V
A_V1_IN_V
RD#
HDMI_SCK
HDMI_MCLK
HDMI_WS
HDMI_SDO
TO AUDIO BLOCK
TO HDMI
POWER/GROUND
Exclusive
(4/4)
SVP-PX
OR
VideoSW
Analog Tu
IIC
90HEX
Video1
Video2
OLDGND_D
OLDGND_D
OLDGND_D
OLDGND_D
OLDGND_D
OLDGND_D
OLDGND_T
OLDGND_T
OLDGND_D
OLDGND_D
OLDGND_D
OLDGND_D
OLDGND_D
OLDGND_D
OLDGND_D
A-1518-775-A <WAX3B>BG2A-P 4
BG2A 4/8
VIDEO SW & TRIDENT
TO PANEL

Table of Contents

Related product manuals