EasyManua.ls Logo

Sony KLV-32M400A - HB1 Board Schematic Diagram

Sony KLV-32M400A
132 pages
Print Icon
To Next Page IconTo Next Page
To Next Page IconTo Next Page
To Previous Page IconTo Previous Page
To Previous Page IconTo Previous Page
Loading...
44
KLV-26M400A/32M400A/37M400A/40M400A
KLV-26M400A/32M400A/37M400A/40M400A
1 | 2 | 3 | 4 | 5 | 6 | 7 |
A
B
C
D
E
F
G
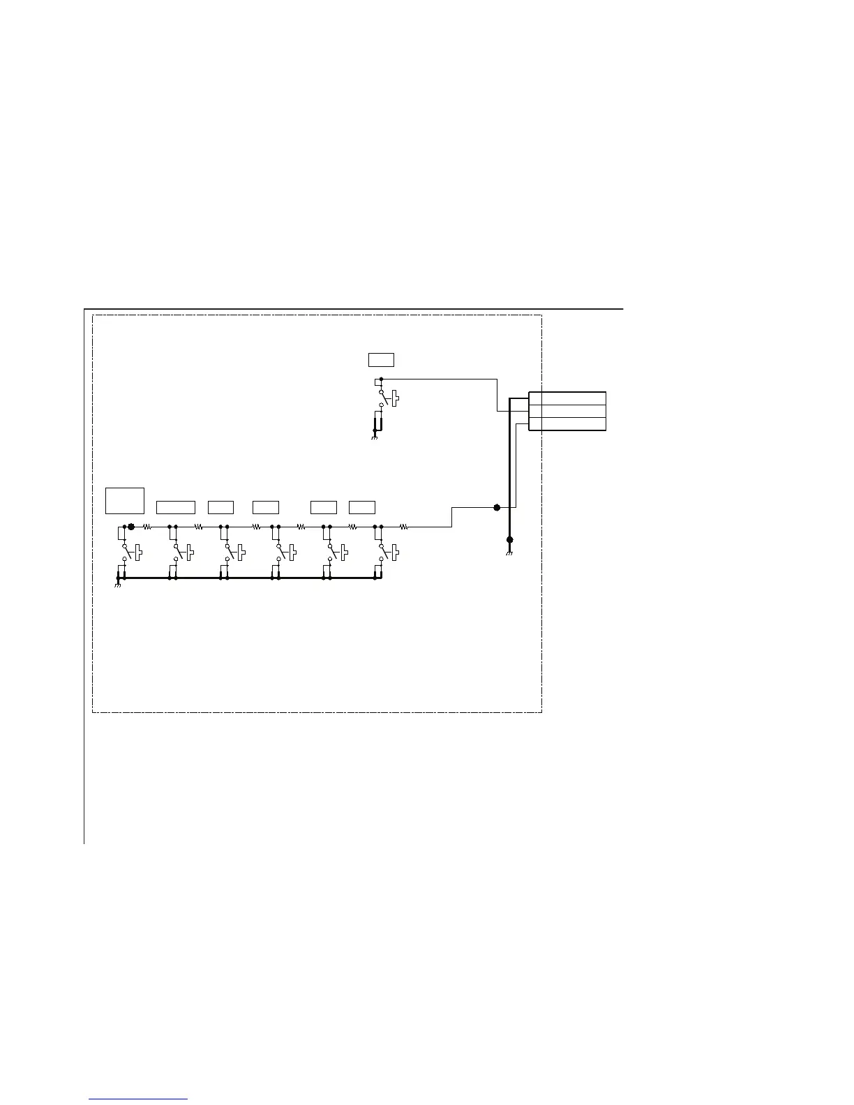
HB1 BOARD SCHEMATIC DIAGRAM
JL102
JL103
R102
220
1/10W
RN-CP
330
R103
0.5%
1/10W
RN-CP
1.1k
R105
0.5%
1/10W
RN-CP
560
R104
0.5%
1/10W
RN-CP
150
R101
0.5%
0
R107
S101
2 1
34
S102
2 1
34
S103
21
34
S104
21
34
S105
21
34
S106
21
34
S107
21
34
JL104
1
2
3
3P
CN101
WHT
GND
POWER INT
KEY1
POWER
CH-CH+
HOME
MENU
WEGAGATE VOL-VOL+INPUT SEL
HB1
KEYBOARD
A-1539-486-A <WAX3B> HB1

Table of Contents

Related product manuals