EasyManua.ls Logo

Sony LDI-D100BE - Printed Wiring Board - JK-136 (F) Board; Schematic Diagram - JK-136 (F) Board

Sony LDI-D100BE
24 pages
Print Icon
To Next Page IconTo Next Page
To Next Page IconTo Next Page
To Previous Page IconTo Previous Page
To Previous Page IconTo Previous Page
Loading...
LDI-D100BE
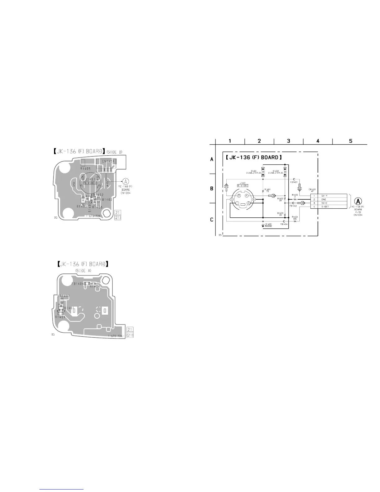
4-7. PRINTED WIRING BOARD – JK-136 (F) Board – See page 4-13 for Circuit Boards Location. 4-8. SCHEMATIC DIAGRAM – JK-136 (F) Board –
4-15 4-16
(Page 4-27)
(Page 4-18)

Related product manuals