EasyManua.ls Logo

Sony MHC-V50D

Sony MHC-V50D
72 pages
To Next Page IconTo Next Page
To Next Page IconTo Next Page
To Previous Page IconTo Previous Page
To Previous Page IconTo Previous Page
Loading...
50
GB
MHC-V50D.GB.4-689-512-12(1)
You can change the Party Host to another system in the chain. For details,
see To select a new Party Host (when all the systems are equipped with
Party Chain function)” (page51).
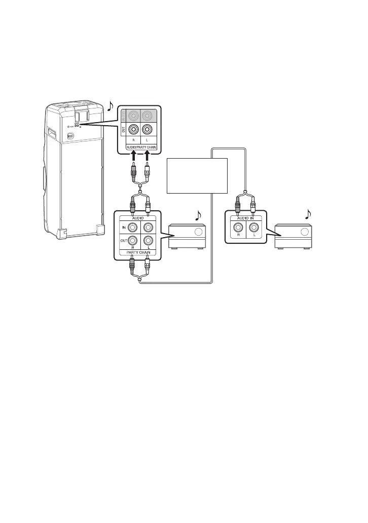
If one of the systems is not equipped with Party Chain function
Example: When connecting using this system as the first system
Second
system
Last system*
Continue the
connection until
the last system
First system
* Connect the system which is not equipped with Party Chain function at the last system,
otherwise the chain will stop at that system. Be sure to select the Audio In function on
this last system.
The last system is not connected to the first system.
You must select the first system as Party Host so that all systems are playing
the same music when Party Chain function is activated.

Table of Contents

Other manuals for Sony MHC-V50D

Related product manuals