EasyManua.ls Logo

Sony MHC-V50D - Using the Party Chain Function

Sony MHC-V50D
72 pages
Print Icon
To Next Page IconTo Next Page
To Next Page IconTo Next Page
To Previous Page IconTo Previous Page
To Previous Page IconTo Previous Page
Loading...
49
GB
Other Operations
MHC-V50D.GB.4-689-512-12(1)
Using the Party Chain function
You can connect multiple audio systems in a chain to create a more
interesting party environment and to produce higher sound output.
An activated system in the chain will be the “Party Host” and share the music.
Other systems will become “Party Guests” and play the same music as that
being played by the “Party Host”.
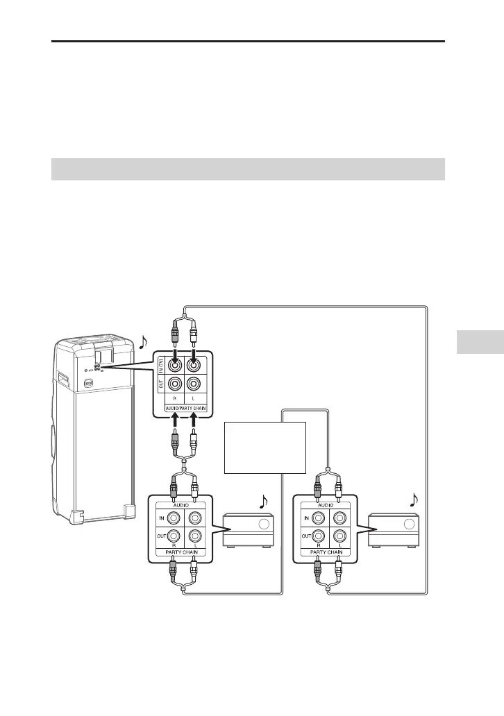
Setting up the Party Chain
Set up a Party Chain by connecting all the systems using audio cables (not
supplied).
Before connecting cables, be sure to disconnect the AC power cord (mains
lead).
If all the systems are equipped with Party Chain function
Example: When connecting using this system as the first system
First system
Second
system
Last system
Continue the
connection until
the last system
The last system must be connected to the first system.
Any system can become a Party Host.

Table of Contents

Other manuals for Sony MHC-V50D

Related product manuals