EasyManua.ls Logo

Sony MX-P21 - Mounting and Technical Specifications; Rack Mounting Instructions

Sony MX-P21
54 pages
Print Icon
To Next Page IconTo Next Page
To Next Page IconTo Next Page
To Previous Page IconTo Previous Page
To Previous Page IconTo Previous Page
Loading...
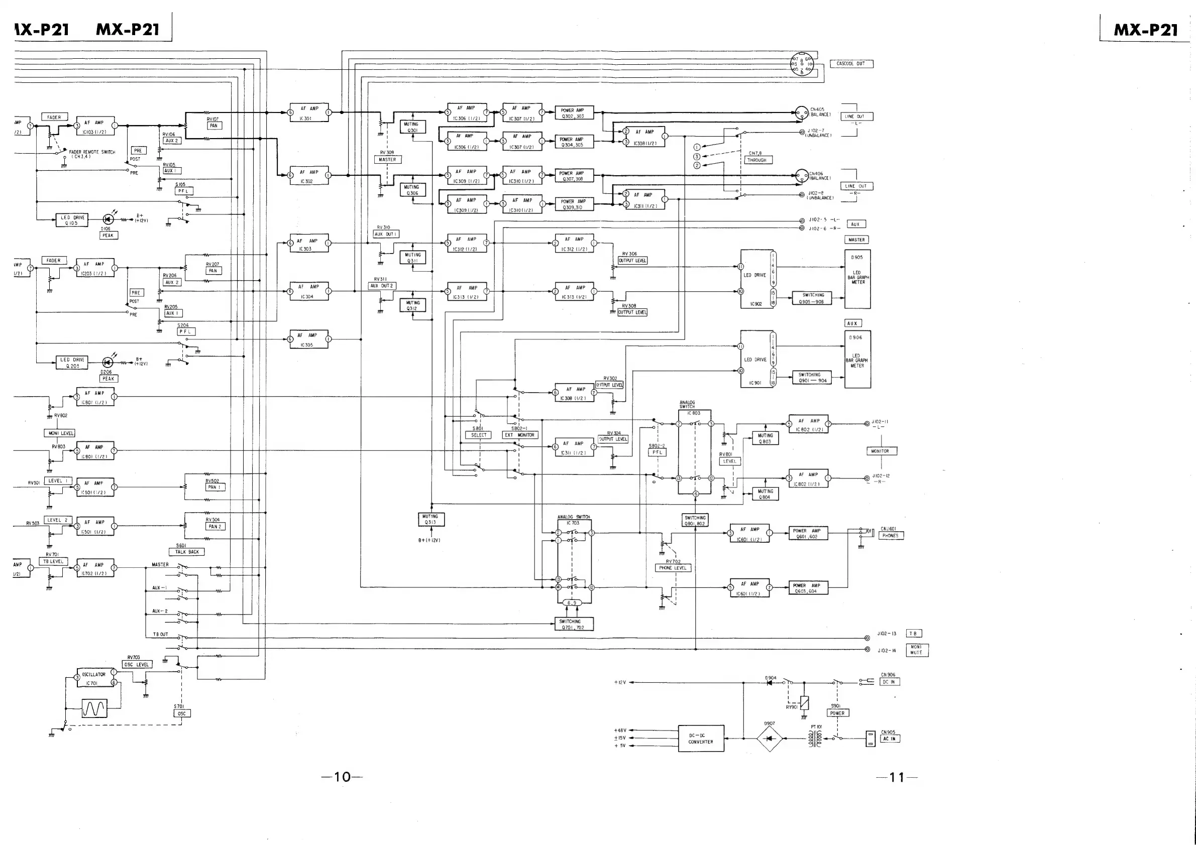
(\X-P21
MX-P
21
CASCODE
OUT
AF
AMP
AF
AMP
AF
AMP
Pon
ae
cn4aos
©)
O
©)
O-pe®
0302
,
303
(BALANCE?
TUNE
oT
_]
FADER
C30!
1306
(1/21
(C307
1/2)
we
dy
@
AF
ANP
MUTING
ee
Q30!
me
J102-7
12)
:
103
(172)
ving
AF
AMP
AF
AMP
nee
aS
-G)
©
snance,
—_
,
1
3)
OB)
o
(C308
(1/2)
:
\
bet
!
(C306
(1/2)
1¢307
(1/2)
(0)
og”
FADER
REMOTE
SWITCH
(CH3,4)
i
RV
309
MUTING
Q306
AF
AMP
©
®
(C309
1/2)
AF
AMP
G)
1310
8/2)
CH7,8
Paes
<7
o-7]
|
AF
AMP
o
CN406
©)
J'02-8
—R—
e)
AF
OAMP
hwy
AF
AMP
eae
SP
CUNBALANCE)
=f
te
1¢309
(1/2)
IC310U/2}
FED
Ne
(ie)
vi
@
1025
-t~
D106
RV
310
©)
102-6
—R-
MX-P
21
PEAK
(6)
AF
AMP
|
AF
AMP
®
AF
AMP
‘o
[_masrer
|
{C303
10312
(1/2)
iC
312
(1/2)
R368
Sipe
4
MUTING
RV3I1
LED
DRIVE
AF
AMP
AF
AMP
AF
AMP
TT
©
oO
*
©
® @
o
SWITCHING
iC
304
IC313
(1/2)
IC
313
(1/2)
ee
|
MUTING
RV
308
9905
—908
312
Q
output
tevey]
4
AUX
ED
E
oN
B+
H
ED
DRIVE
LED
ORW
aa
LED
DRIV
0205
we
(+12V}
D206
SWITCHING
El
AF
AMP
AF
AMP
°
6)
@
?
|
1308
{1/2}
IeBOr
(1/2)
|
ANALOG
SWITCH
Pees?
sre
AMP
©
3102-11
$2801
$802-1
(C802
(1/21
5
MONI
LEVEL
SELECT
7
B
al
MUTING
-
AF
AMP
803
RVB03
AF
AMP
i
°
@)
@
(5)
®
|
a
13H)
(1/2)
igor
(1/2)
;
i
cq.
1
a
:
AF
AMP
0
°
02-12
Ps
(3) ci)
©)
Ji
avso!
LLEVEL
|
6
a
amp
dh
fea]
=
1802
11/2)
Re
L
5011/2)
MUTING
taeee
Red
804
ug
ais
MUTING
ANALOG
SWITCH
ae
rare
a3
Da
(1/2)
° G
fF
AMP
aD
POWER:
AME:
a
=
|_|
Q60!
602
PHONES
—+
e+i+i2v)
1601
(1/2)
a
$601
S
a
5
TB
LEVEL
RV702
ule
AF
AMP
GQ)
MASTER
So
ee
+
PHONE
LEVEL
V2)
e702
(1/2)
oa
m
1
I
I
AF
AMP
mm
wai
+
i
6)
1
(C601
11/2)
i}
‘N
SWITCHING
1
vioe-13
[TB]
MONI
:
+
@
sioz-4
|
wute
RV203
Ss
OSC
LEVEL
i
or
osciurator
©
0304
+R2V
<——
o
To
—oto-
(
t
t
.
ee
t
RY901
$301
7
i)
030
PT
10!
i
+48V
poze
\
CN905
+15V
ra
CONVERTER
ret
a
[ac
in]

Other manuals for Sony MX-P21

Related product manuals