EasyManua.ls Logo

Sony MX-P21 - Monitoring and Control Functions

Sony MX-P21
54 pages
Print Icon
To Next Page IconTo Next Page
To Next Page IconTo Next Page
To Previous Page IconTo Previous Page
To Previous Page IconTo Previous Page
Loading...
MX-P21
MX-P21
|
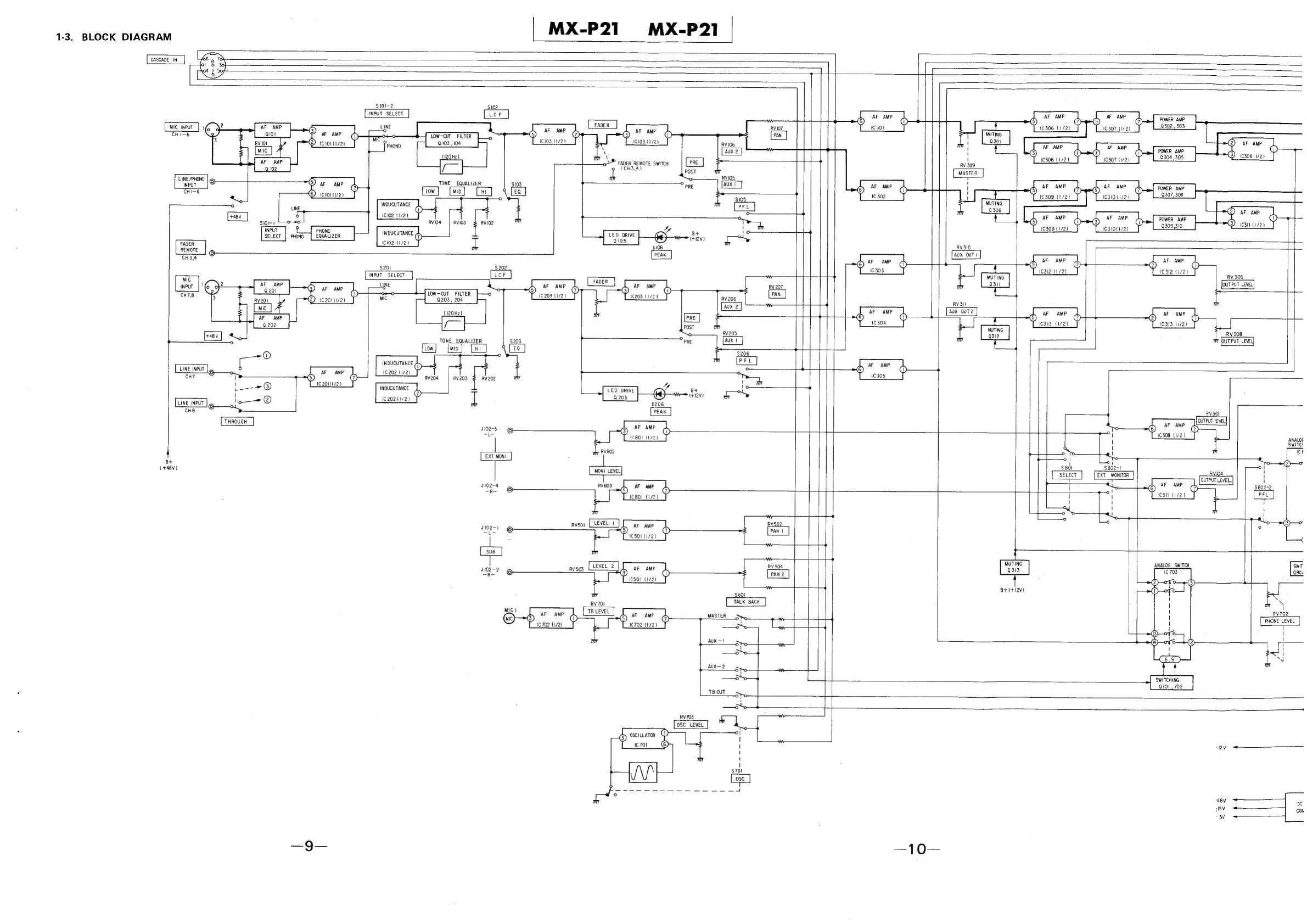
1-3.
BLOCK
DIAGRAM
$1dl-2
INPUT
SELECT
AF
AMP
a:
Lise
RVIO7.
01
.
ines
ae:
MUTING
6626
LOW-CUT
FILTER
2a
S)
®
©)
oO
Mt
103.104
1103
11/2)
1103
(1721
AF
AMP
eee
MP
med
PowER
ane
9
10306
(1/2)
10307
(1/2)
302
,
303
'€¥
AF
ANP
2
Qidl
CH
i-6
3
AF
AMP
CHi-6
\
(2)
PHONO
.
RVIOG
oF
AMP
planes
=P
1
—=
oe
©
0304,
305
@
_ic30811/2)
(2oHe}
\
yt
\
16306
(1/2)
10307
(1/2)
1
AF
AMP
o>
FADER
REMOTE
SWITCH
RV
309
2.19)
/
J
(CH3,4)
post
——
RVIOS
LINE/PHONO
0
INPUT
TONE
EQUALIZER
a
iC1Oltl/2}
'
©
PRE
G
*F
ANP
oO
|
1
Ic
302
;
INDUCUTANCE
O
W102
11/2)
MUTING
Q306
AF
AMP
S10l-1
AF
AMP
AF
AMP
6
Oe
oe
1€309
(1/2)
1C310 (1/2)
AF
AMP
AF
AMP
POWER
AMP
©
©
©
©
es
1€309
(1/2)
IC31011/2)
!
eB
zz)
INPUT
PHONO
a
7
SELECT
|
PHONO
|
EQUALIZER
INDUCUTANCE
(>)
LED
DRIVE
he)
$102
(1/2)
Qt0s
te
(+12v)
4
BG
0106
RV3I0
eT
rr
A
@
AF
AMP
CY
14
6)
@
@)
0)
$20!
$202
1C
303
1312
(1/2)
1312
(1/2)
atlases
INPUT
SELECT
LCF
Wr
t4op
ft
|
FADER
31
OUTPUT
LEVEL
pe
ae
ary
lear
si
|
rere]
LoW—CUT
FILTER
iC
203
(1/2)
10203
(1/2)
[Fan
]
@)
ic
2010/2)
Q203,
204
Pty
tg
RV3II
Th
AF
AMP
AUX
OUT2
AF
AMP
AF
AMP
+
(6)
>
©)
@)
(2)
OO)
1C304
(C313
(172)
IC313_U/2)
MUTING
RV308
23
iano:
urPu
wey
Mr
[OUTPUT
LEVE
(20Hz}
TONE
EQUALIZER
|
are
°
cow]
fio}
Lar
if
/
]
‘oO
wae
INDUCUTANC
4
LINE
INPUT
AF
AMP
16202
41/2)
CHT
RV204
RV
203
RV
202
INOUCUTANCE
®
C202
(1/2)
iC
2011/2)
LED
DRIVE
Q205
CINE
(NPUT
CHE
i
ix
°
a
AF
AMP
we
ane
Dee
evel]
6)
@
(C308
(2)
t
-
7
|
af
[evel
on
(+48V)
MONI
LEVEL
SELECT
EXT
MONITOR
RVI04
[output
LeveL]
©
1801
(72)
AF
AMP
102-4
RV8OS
AF
ANP
©
®
Re
(5)
@
(3H
(1/2)
W801
4/2)
=
RV5OI
[Lieve
14
!
AF
AMP
RV502
102-1
(5)
®
PAN
|
be
1¢501
(1/2)
T
rT
SUB
aI
Wr
9
MUTING
ANALOG
SWITCH
Swit
RV
504
J102-2
@
avsos
LUEVEL
2]
Car
ame
b
a
Q313
80!
~R-
Z
IC501
(1/2)
72
Me
+
at(+12v)
$601
Ae
MIC
|
RV702
AF
AMP
JO
LENEL
AF
AMP
Gy
MASTER
4
1C702
(1/2)
W702
(1/2)
ee
DR
]
AUX—1
4
+
oro
Wy
—s
AUX—2
sro
—<s
|
TB
OUT
—oT
:
“SY
SWITCHING
Q701
702
RV703
20
4aV
ne
BY
coh
“BY

Other manuals for Sony MX-P21

Related product manuals