EasyManua.ls Logo

Sony PSIO - Specifications; Hardware Specifications

Sony PSIO
13 pages
Print Icon
To Previous Page IconTo Previous Page
To Previous Page IconTo Previous Page
Loading...
13 PSIOSB08052016-PU7
As a warning, we suggest that you check for shorts on the Ground (Gnd) and 3.3 Volt (Vcc) rails using your
Multi-meter (continuity tester). If you do not check and there is a short, you will blow a fuse on your
PlayStation mainboard, and it will be required to be replaced.
With that being said, you may now re-assemble your console and test CD-ROM loading without a PSIO
cartridge plugged in, and then testing PSIO by having the cartridge plugged in.
When booting with the PSIO cartridge however, ensure that an SD Card with “MENU.SYS” is present,
otherwise you will have no way of seeing a visual output from your PSIO cartridge indicating that it is in
fact booting and working.
Remember to always turn off your PlayStation before unplugging and inserting a PSIO cartridge.
Don’t forget to also adhere the included “Switch Board Sticker” to the back of your PlayStation case.
2-0: Specifications:
[2-1: Hardware]
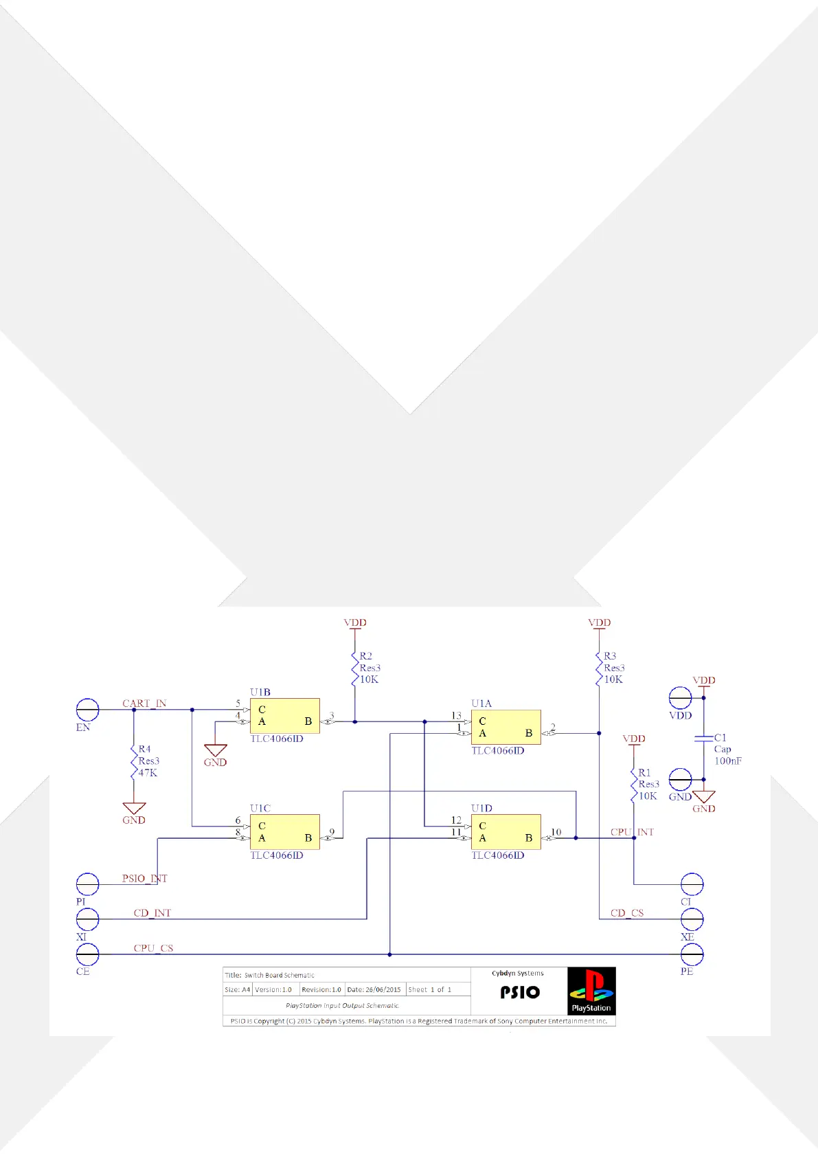
The Switch Board is open source, and simply consists of a 4066 bilateral switch and a few passive
components. The schematic may be seen below.
If you require a replacement or would like to buy more Switch Boards for installation in more
PlayStation consoles to use PSIO on, please see our ‘Store to purchase more completed boards.

Related product manuals