EasyManua.ls Logo

Sony RM-Y168 - Post-Service Safety Checks; Leakage Testing and Grounding Verification

Sony RM-Y168
58 pages
Print Icon
To Next Page IconTo Next Page
To Next Page IconTo Next Page
To Previous Page IconTo Previous Page
To Previous Page IconTo Previous Page
Loading...
— 7 —
KV-24FV10/25FV10/25FV10C
After correcting the original service problem, perform the
following safety checks before releasing the set to the
customer:
1. Check the area of your repair for unsoldered or poorly
soldered connections. Check the entire board surface
for solder splashes and bridges.
2. Check the interboard wiring to ensure that no wires
are “pinched” or touching high-wattage resistors.
3. Check that all control knobs, shields, covers, ground
straps, and mounting hardware have been replaced.
Be absolutely certain that you have replaced all the
insulators.
4. Look for unauthorized replacement parts, particularly
transistors, that were installed during a previous
repair. Point them out to the customer and
recommend their replacement.
5. Look for parts which, though functioning, show
obvious signs of deterioration. Point them out to the
customer and recommend their replacement.
6. Check the line cords for cracks and abrasion.
Recommend the replacement of any such line cord
to the customer.
7. Check the B+ and HV to see if they are specified
values. Make sure your instruments are accurate;
be suspicious of your HV meter if sets always have
low HV.
8. Check the antenna terminals, metal trim, “metallized”
knobs, screws, and all other exposed metal parts for
AC leakage. Check leakage as described below.
SAFETY CHECK-OUT
Leakage Test
The AC leakage from any exposed metal part to earth
ground and from all exposed metal parts to any exposed
metal part having a return to chassis, must not exceed
0.5 mA (500 microamperes). Leakage current can be
measured by any one of three methods.
1. A commercial leakage tester, such as the Simpson
229 or RCA WT-540A. Follow the manufacturers'
instructions to use these instructions.
2. A battery-operated AC milliammeter. The Data
Precision 245 digital multimeter is suitable for this job.
3. Measuring the voltage drop across a resistor by
means of a VOM or battery-operated AC voltmeter.
The “limit” indication is 0.75 V, so analog meters must
have an accurate low voltage scale. The Simpson’s
250 and Sanwa SH-63Trd are examples of passive
VOMs that are suitable. Nearly all battery-operated
digital multimeters that have a 2 VAC range are
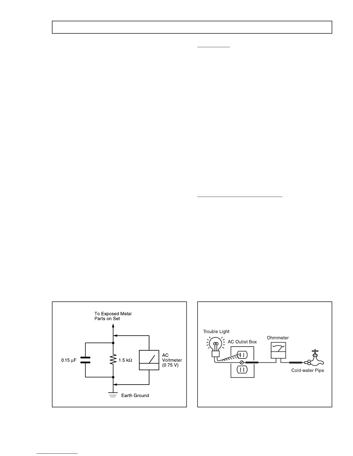
suitable (see Figure A).
How to Find a Good Earth Ground
A cold-water pipe is a guaranteed earth ground; the cover-
plate retaining screw on most AC outlet boxes is also at
earth ground. If the retaining screw is to be used as your
earth ground, verify that it is at ground by measuring the
resistance between it and a cold-water pipe with an
ohmmeter. The reading should be zero ohms. If a cold-water
pipe is not accessible, connect a 60- to 100-watt trouble-
light (not a neon lamp) between the hot side of the
receptacle and the retaining screw. Try both slots, if
necessary, to locate the hot side on the line; the lamp
should light at normal brilliance if the screw is at ground
potential (see Figure B).
Figure B. Checking for earth ground.Figure A. Using an AC voltmeter to check AC leakage.

Related product manuals