EasyManua.ls Logo

Sony RM-YD065 - A Board Schematic Diagram (2 of 16)

Sony RM-YD065
32 pages
Print Icon
To Next Page IconTo Next Page
To Next Page IconTo Next Page
To Previous Page IconTo Previous Page
To Previous Page IconTo Previous Page
Loading...
KDL-22BX320/22BX321
10
KDL-22BX320/22BX321
1 | 2 | 3 | 4 | 5 | 6 | 7 | 8 | 9 | 10 | 11 | 12 |
A
—
B
—
C
—
D
—
E
—
F
—
G
—
H
—
I
—
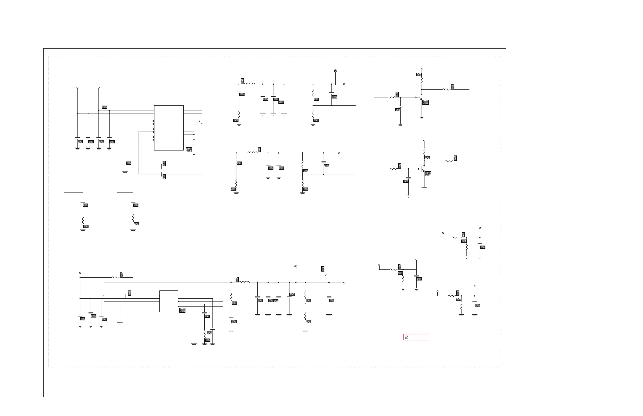
A BOARD SCHEMATIC DIAGRAM (2 OF 16)
R2
R1
Vout=0.8*(1+R1/R2)
R2
R1
Vout=0.8*(1+R1/R2)
1% tolerance
1% tolerance
1% tolerance
R2
R1
COMP1
EN1#
EN2#
COMP2
Boot1A
Boot2A
BP
FB1
+5V_SW_1
FB2
PHASE1
SW_5V
PHASE2
SW_DDRV
COMP1A COMP2A
COMP2
COMP1
EN1#
+5V_SW
EN1#B
+1V
EN2#A
EN2#
EN2#B
COMP_1
FB
PHASE3
+1V_SW
FB
EN
SS
EN
BOOT_1
FB1
FB2
EN2#A
EN1#A
DDRV
+5V_SW
RVREF2
DDRV
+3V3SB
RVREF3
DDRV
DDRV
RVREF1
+1V
12V_SW
+5V_SW12V_SW
AVDD10_DAC
12V_SW
R235
1KR2F-3-GP
R235
1KR2F-3-GP
1 2
C246
SC22U16V6MX-GP
C246
SC22U16V6MX-GP
12
R228
10KR2J-3-GP
R228
10KR2J-3-GP
1
2
C217
SC22U6D3V5MX-2GP
C217
SC22U6D3V5MX-2GP
12
L216
IND-6D8UH-103-GP
L216
IND-6D8UH-103-GP
1
2
C232
SCD047U16V2KX-1-GP
C232
SCD047U16V2KX-1-GP
1
2
C224
SC10U10V5KX-2GP
C224
SC10U10V5KX-2GP
12
R245
9K1R2F-1-GP
R245
9K1R2F-1-GP
12
R236
1KR2F-3-GP
R236
1KR2F-3-GP
1 2
R218
10KR2J-3-GP
R218
10KR2J-3-GP
1
2
C218
SC22U6D3V5MX-2GP
C218
SC22U6D3V5MX-2GP
12
C245
SCD1U16V2KX-3GP
C245
SCD1U16V2KX-3GP
12
R225
20K5R2F-GP
R225
20K5R2F-GP
12
C235
SC680P50V2KX-2GP
C235
SC680P50V2KX-2GP
12
R242
1KR2F-3-GP
R242
1KR2F-3-GP
1
2
C244
SCD01U50V2KX-1GP
C244
SCD01U50V2KX-1GP
1 2
C225
SCD1U16V2ZY-2GP
C225
SCD1U16V2ZY-2GP
12
L219
IND-6D8UH-103-GP
L219
IND-6D8UH-103-GP
12
C251
SCD1U16V2ZY-2GP
C251
SCD1U16V2ZY-2GP
12
R222
10R3F-GP
R222
10R3F-GP
12
R243
1KR2F-3-GP
R243
1KR2F-3-GP
1 2
R259
0R0603-PAD-1-GP
R259
0R0603-PAD-1-GP
1 2
C229
SC22U16V6MX-GP
C229
SC22U16V6MX-GP
12
C238
SCD1U16V2KX-3GP
C238
SCD1U16V2KX-3GP
12
C241
SC22U6D3V5MX-2GP
C241
SC22U6D3V5MX-2GP
12
R234
1KR2F-3-GP
R234
1KR2F-3-GP
1 2
R217
20K5R2F-GP
R217
20K5R2F-GP
12
R233
91KR2F-GP
R233
91KR2F-GP
12
R224
1KR2J-1-GP
R224
1KR2J-1-GP
12
TP218
TPAD71-GP
TP218
TPAD71-GP
1
C216
SC470P50V2KX-3GP
C216
SC470P50V2KX-3GP
12
R216
100KR2J-1-GP
R216
100KR2J-1-GP
1 2
R226
10KR2J-3-GP
R226
10KR2J-3-GP
1
2
C250
SC1KP50V2JN-2GP
NC
C250
SC1KP50V2JN-2GP
NC
12
R221
10KR2J-3-GP
R221
10KR2J-3-GP
1
2
C236
SC100P50V2JN-3GP
C236
SC100P50V2JN-3GP
12
R219
0R0805-PAD-1-GP
R219
0R0805-PAD-1-GP
12
C221
SC1U10V2KX-1GP
C221
SC1U10V2KX-1GP
12
C243
SCD1U16V2ZY-2GP
C243
SCD1U16V2ZY-2GP
12
C227
SC470P50V2KX-3GP
C227
SC470P50V2KX-3GP
12
C228
SCD047U16V2KX-1-GP
C228
SCD047U16V2KX-1-GP
1
2
R231
3K83R2F-GP
R231
3K83R2F-GP
12
C240
SCD1U16V2KX-3GP
C240
SCD1U16V2KX-3GP
1 2
C239
SCD1U16V2KX-3GP
C239
SCD1U16V2KX-3GP
12
C242
SC22U6D3V5MX-2GP
C242
SC22U6D3V5MX-2GP
12
C219
SCD1U16V2ZY-2GP
C219
SCD1U16V2ZY-2GP
12
TP211
TPAD71-GP
TP211
TPAD71-GP
1
R223
16K2R2F-GP
R223
16K2R2F-GP
12
R238
1KR2F-3-GP
R238
1KR2F-3-GP
1 2
C233
SC1U10V2KX-1GP
C233
SC1U10V2KX-1GP
12
C252
SC22U6D3V5MX-2GP
C252
SC22U6D3V5MX-2GP
12
R232
91KR2F-GP
R232
91KR2F-GP
12
Q216
2SC3052-T112-1F-GP
Q216
2SC3052-T112-1F-GP
C
B
E
C234
SC680P50V2KX-2GP
C234
SC680P50V2KX-2GP
12
C230
SC22U16V6MX-GP
C230
SC22U16V6MX-GP
12
C222
SC22U16V6MX-GP
C222
SC22U16V6MX-GP
12
IC217
BD9329EFJ-GP-U
IC217
BD9329EFJ-GP-U
BST
1
VIN
2
SW
3
GND
4
FB
5
COMP
6
EN
7
SS
8
GND
9
C248
SCD1U16V2ZY-2GP
C248
SCD1U16V2ZY-2GP
12
C247
SC10U16V6KX-2GP
C247
SC10U16V6KX-2GP
12
R240
2D2R3-1-U-GP
NC
R240
2D2R3-1-U-GP
NC
12
R230
10R3F-GP
R230
10R3F-GP
12
Q217
2SC3052-T112-1F-GP
Q217
2SC3052-T112-1F-GP
C
B
E
IC216
TPS54291-GP
IC216
TPS54291-GP
PVDD1
1
PGND1
4
EN1#
5
EN2#
6
COMP1
8
COMP2
9
GND
11
BP
12
PGND2
13
PVDD2
16
THERMAL_PAD
17
BOOT1
2
BOOT2
15
FB1
7
FB2
10
SW1
3
SW2
14
R244
15K8R2F-GP
R244
15K8R2F-GP
12
R237
100KR2J-1-GP
R237
100KR2J-1-GP
1 2
R241
3K83R2F-GP
R241
3K83R2F-GP
12
C226
SC4D7U10V3KX-GP
C226
SC4D7U10V3KX-GP
12
C223
SCD1U16V2ZY-2GP
C223
SCD1U16V2ZY-2GP
12
L218
IND-4D7UH-208-GP
L218
IND-4D7UH-208-GP
1 2
C249
SC6800P25V2KX-1GP
C249
SC6800P25V2KX-1GP
12
C237
SC100P50V2JN-3GP
C237
SC100P50V2JN-3GP
12
A 2/16
DC CONVERTER II
1-857-903-11 <AZ2UK> A-P2

Related product manuals