EasyManua.ls Logo

Sony RM-YD065 - Schematics and Supporting Information

Sony RM-YD065
32 pages
Print Icon
To Next Page IconTo Next Page
To Next Page IconTo Next Page
To Previous Page IconTo Previous Page
To Previous Page IconTo Previous Page
Loading...
KDL-22BX320/22BX321
9
KDL-22BX320/22BX321
1 | 2 | 3 | 4 | 5 | 6 | 7 | 8 | 9 | 10 | 11 | 12 |
A
B
C
D
E
F
G
H
I
1-4. SCHEMATICS AND SUPPORTING INFORMATION
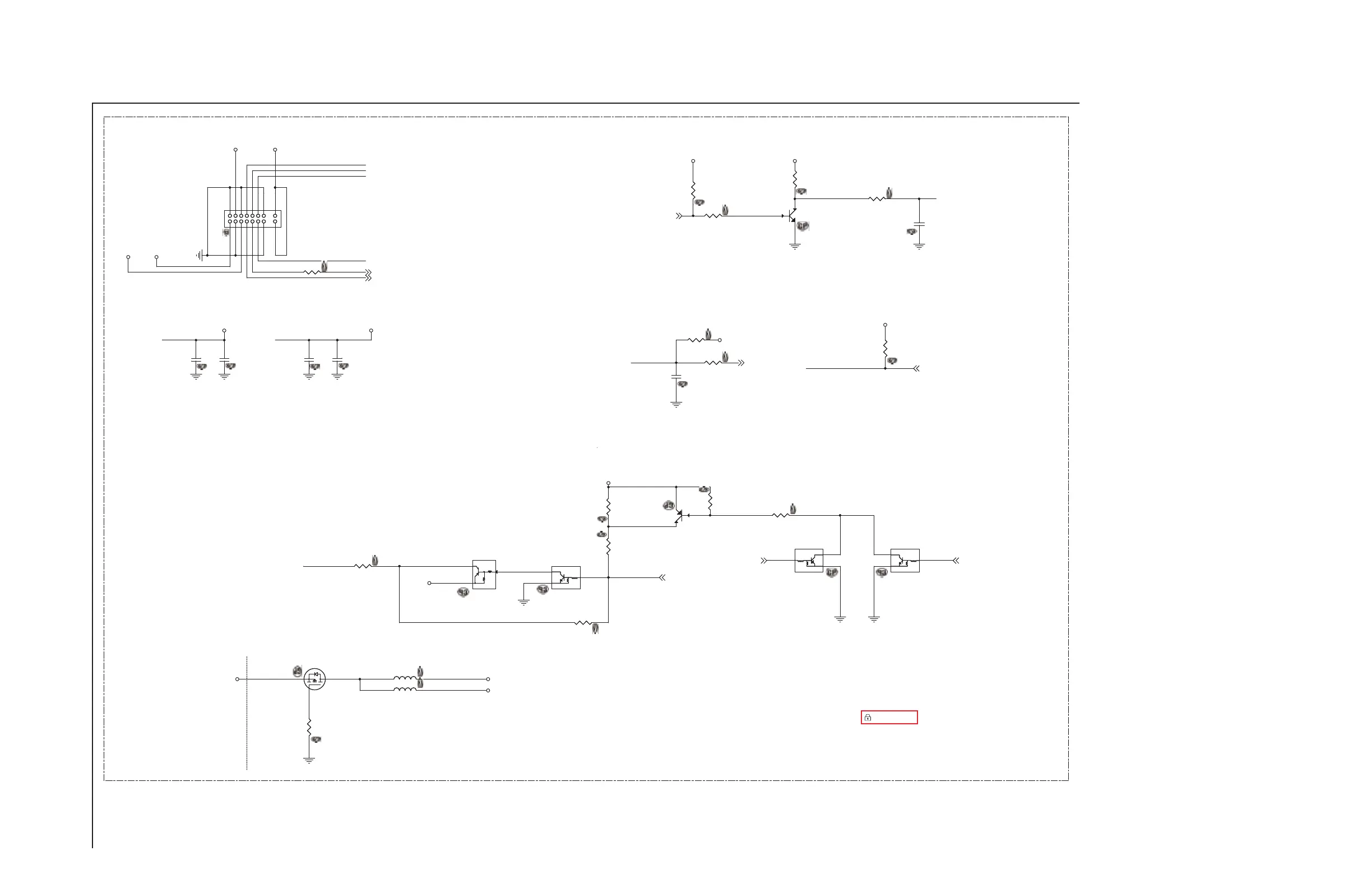
A BOARD SCHEMATIC DIAGRAM (1 OF 16)
HI=ON
MT5388 STANDBY POWER
POWER CONN.
INVERTER CONTROLLER
Near 5388
StayBy mode: L
Power ON: H
PS_EN CONTROLLER
BL_ON/OFF_1
BL_ON/OFF
TR2
TR3
DIMMING
LAMP_ERR
BL_ON/OFF_2
+3V3SB_MT5388
AC_OFF_DET
PS_EN
BL_ON/OFF
LAMP_ERR
DIMMING
+3V3SB 12V_SW
PS_EN_1
TR1
PS_EN
TR4
+3V3_SW
+3V3_SW
+3V3SB
AVDD33_VGA_STB
AVDD33_XTAL
+3V3SB
+3V3_SW
+3V3SB
TCON_VCC
+12V_AMP
12V_SW
+3V3SB
+3V3SB 12V_SW
+3V3SB
GPIO_3[11]
GPIO_0 [11]
L_DET [11]
OPWRSB [11]
LVDS_PWR_ON [13]
AC_DET_DROP [11,14]
X_U_RST[11] AC_DET_DROP [11,14]
R213
100R2J-2-GP
R213
100R2J-2-GP
1
2
R1
R2
Q205
PDTC124EU-1-GP
R1
R2
Q205
PDTC124EU-1-GP
E
B
C
R205
100R2J-2-GP
R205
100R2J-2-GP
1
2
L202
HCB1608KF-301T20-GP
L202
HCB1608KF-301T20-GP
1
2
C207
SCD1U16V2KX-3GP
C207
SCD1U16V2KX-3GP
12
C206
SC22U16V6MX-GP
C206
SC22U16V6MX-GP
12
CN202
JWT-CONN16D-1-GP
CN202
JWT-CONN16D-1-GP
1 2
3 4
5 6
7 8
9 10
11 12
13 14
15 16
IN
OUT
R1
R2
GND
Q206
DTC144EKA-1-GP
IN
OUT
R1
R2
GND
Q206
DTC144EKA-1-GP
2
1
3
Q201
2SC3052-T112-1F-GP
Q201
2SC3052-T112-1F-GP
C
B
E
R211
22KR2J-GP
R211
22KR2J-GP
1
2
IN
OUT
R1
R2
GND
Q207
DTC144EKA-1-GP
IN
OUT
R1
R2
GND
Q207
DTC144EKA-1-GP
2
1
3
R209
100R2F-L1-GP-U
R209
100R2F-L1-GP-U
1
2
R204
1KR2J-1-GP
R204
1KR2J-1-GP
1
2
R202
1KR2J-1-GP
R202
1KR2J-1-GP
12
R215
0R2J-2-GP
NC
R215
0R2J-2-GP
NC
12
R1
R2
Q210
DTA114EKAT146-GP-U
R1
R2
Q210
DTA114EKAT146-GP-U
1
3
2
R203
10KR2J-3-GP
R203
10KR2J-3-GP
12
Q208
SI2301CDS-T1-GE3-GP
Q208
SI2301CDS-T1-GE3-GP
G
DS
C203
SCD1U16V2ZY-2GP
C203
SCD1U16V2ZY-2GP
12
L201
HCB1608KF-301T20-GP
L201
HCB1608KF-301T20-GP
1 2
Q203
2SA1235A-T112-1F-GP
Q203
2SA1235A-T112-1F-GP
C
B
E
R206
10KR2J-3-GP
R206
10KR2J-3-GP
1 2
R210
10KR2J-3-GP
R210
10KR2J-3-GP
1 2
R212
4K7R2J-2-GP
R212
4K7R2J-2-GP
1 2
C202
SCD1U16V2KX-3GP
C202
SCD1U16V2KX-3GP
12
R201
10KR2J-3-GP
NC
R201
10KR2J-3-GP
NC
1
2
R214
22KR2J-GP
R214
22KR2J-GP
12
C205
SC4D7U10V3KX-GP
C205
SC4D7U10V3KX-GP
12
R250
4K7R2J-2-GP
R250
4K7R2J-2-GP
12
C201
SC22U6D3V5MX-2GP
C201
SC22U6D3V5MX-2GP
12
R246
0R2J-2-GP
NC
R246
0R2J-2-GP
NC
1 2
A 1/16
DC CONVERTER I
1-857-593-11 <AZ1K> A-P1

Related product manuals