EasyManua.ls Logo

Sony RMT-814 - 6-1-8. LS CHASSIS BLOCK ASSEMBLY

Sony RMT-814
249 pages
Print Icon
To Next Page IconTo Next Page
To Next Page IconTo Next Page
To Previous Page IconTo Previous Page
To Previous Page IconTo Previous Page
Loading...
6-8
Ref. No. Part No. Description Remarks Ref. No. Part No. Description Remarks
782
751
753
757
754
783
752
752
774
777
776
778
779
759
758
760
765
756
762
764
763
761
766
772
775
769
768
770
771
781
773
780
767
755
not
supplied
FP-300
not supplied
LS-057
not supplied
S002
not supplied
FP-301
not supplied
FP-302
not supplied
H001
H002
D001
S001
Q001
Q002
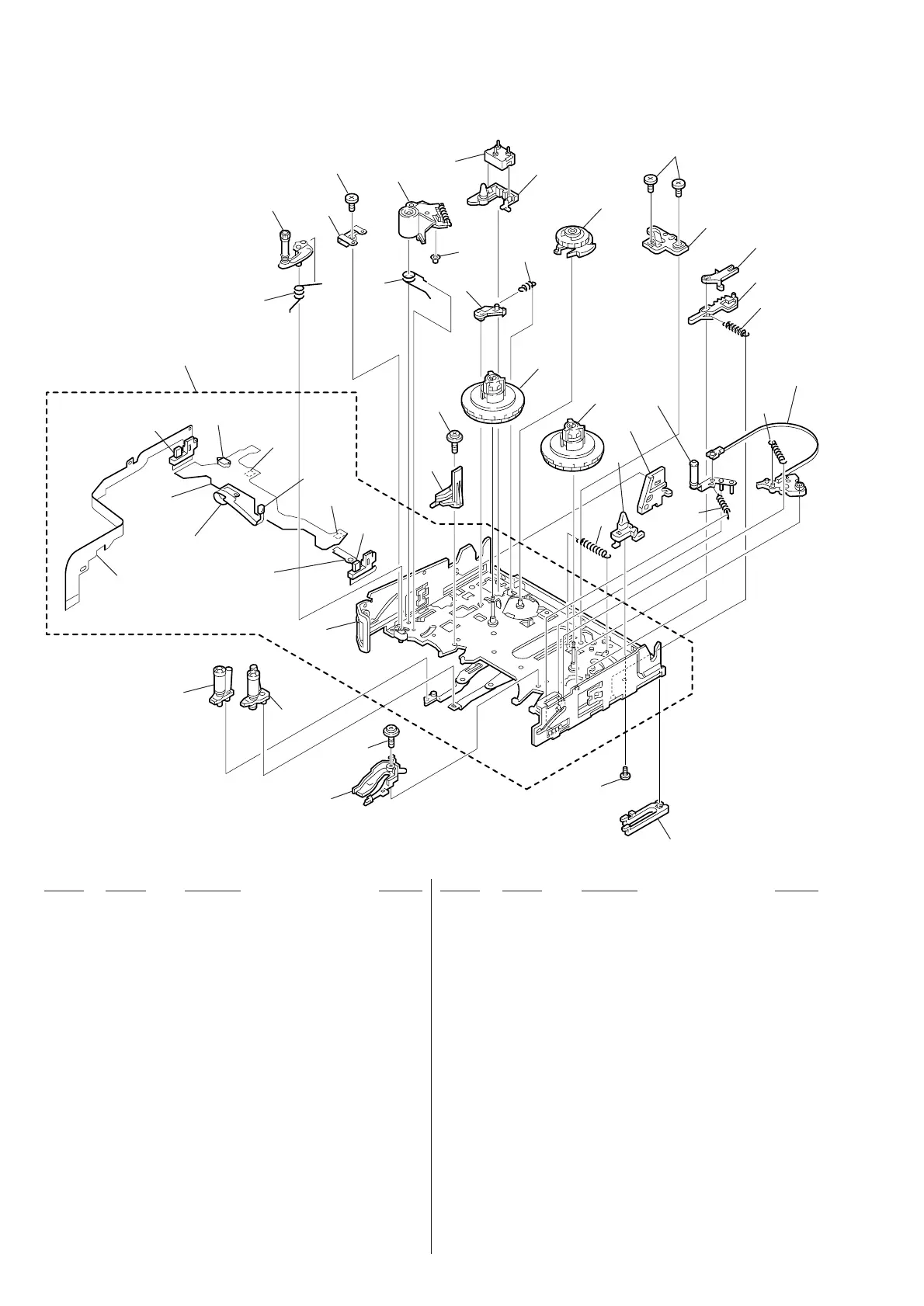
751 3-065-822-01 RAIL (S), GUIDE
752 3-947-503-01 SCREW (M1.4)
753 A-7096-416-A BASE (S) BLOCK ASSY, GUIDE
754 A-7096-415-A BASE (T) BLOCK ASSY, GUIDE
755 A-7096-426-A CHASSIS ASSY, LS
756 3-065-802-01 SPRING, TG7 ARM
757 A-7096-414-A ARM BLOCK ASSY, TG7
758 3-065-801-01 RETAINER, TG7
759 3-065-932-01 PAN (2 MAIN M1.4X1.6), CAMERA
760 X-3951-303-1 ARM ASSY, PINCH
761 3-065-823-01 ARM, T RATCHET
762 3-065-794-01 ROAD (SPR), PINCH ARM
763 3-065-792-01 ROLLER, P LIM ARM
764 3-065-834-01 GUIDE (T), CASSETTE
765 3-065-824-01 SPRING, T RATCHET
766 A-7096-417-A SOFT ASSY, T
767 7-627-852-38 SCREW, PRECISION +P1.7X1.8 TYPE3
768 3-065-832-01 PLATE, LS CAM
769 3-065-828-01 ARM, S RATCHET
770 3-065-829-01 PLATE, S RATCHET (RE)
771 3-065-830-01 SPRING, S RATCHET
772 X-3951-288-1 TABLE (T) ASSY, REEL
773 3-065-819-01 SPRING, TG1 ARM
774 3-065-821-01 RAIL (T), GUIDE
775 X-3951-289-1 TABLE (S) ASSY, REEL
776 3-065-833-01 GUIDE, LOCK
777 3-065-831-01 PLATE (SPR), RE RETURN
778 X-3951-304-1 ARM ASSY, TG1
779 3-065-835-01 GUIDE (S), CASSETTE
780 3-065-820-01 SPRING, RVS ARM
781 X-3951-296-1 BAND (ASSY), BT
782 3-065-836-01 COVER, LS GREASE
783 3-067-167-01 SCREW (M1.4X2), CAMERA TAPPING
D001 8-719-988-42 DIODE GL453 (TAPE LED)
H001 8-719-033-37 ELEMENT, HALL HW-105C (T REEL)
H002 8-719-033-37 ELEMENT, HALL HW-105C (S REEL)
Q001 8-729-907-25 PHOTO TRANSISTOR PT4850F (TAPE TOP)
Q002 8-729-907-25 PHOTO TRANSISTOR PT4850F (TAPE END)
S001 1-692-614-11 SWITCH, PUSH (3 KEY) (REC PROOF)
6-1-8. LS CHASSIS BLOCK ASSEMBLY

Table of Contents

Related product manuals