EasyManua.ls Logo

Sony RMT-D175P - Page 50

Sony RMT-D175P
90 pages
Print Icon
To Next Page IconTo Next Page
To Next Page IconTo Next Page
To Previous Page IconTo Previous Page
To Previous Page IconTo Previous Page
Loading...
1
A
B
C
D
E
F
G
H
I
J
2
12
13
11
10
98765
43
14
15
DVP-NS72HP/NS77H/NS77HP/NS78H/NS78HP
4-23 4-24
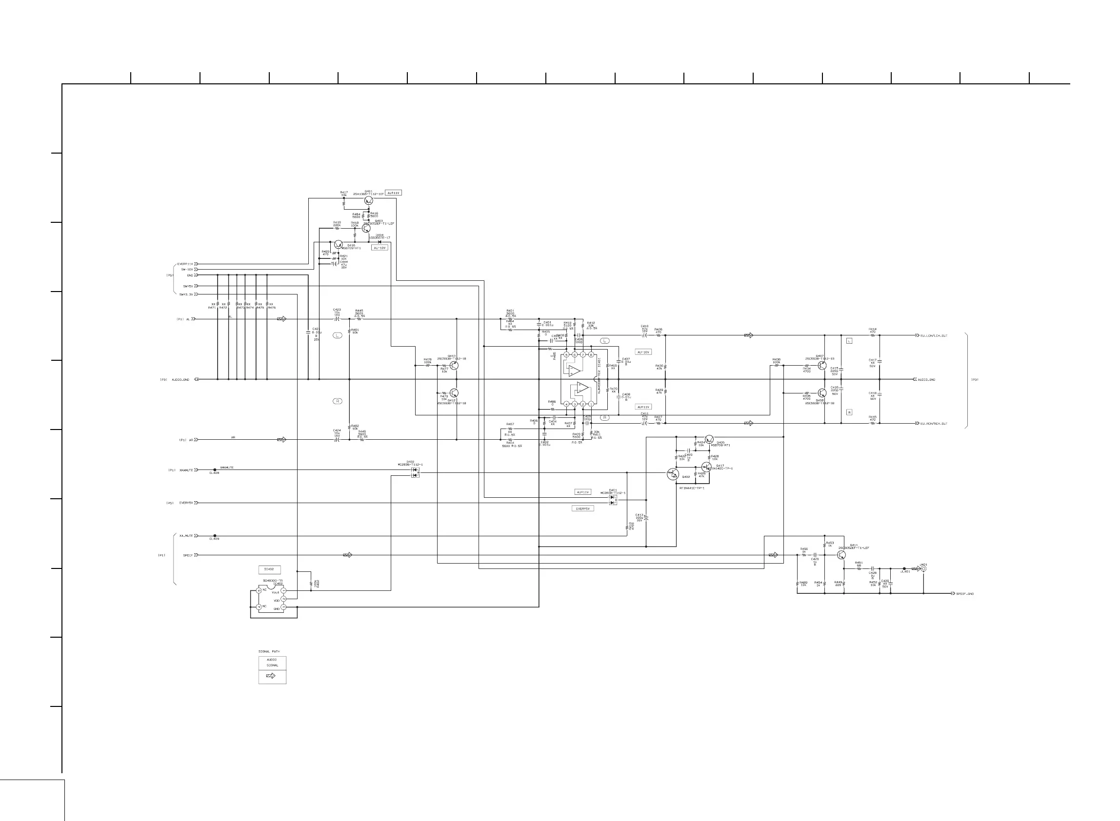
AUDIO
MV-56 (6/7)
For Schematic Diagram
• Refer to page 4-11 to 4-12 for printed wiring board of MV-56 board.
• Refer to page 4-3 to 4-4 for waveforms
MV-56 BOARD (6/7)
(DVP-NS78H: AEP,UK,RUS)
AUDIO
-REF.NO.:1000 SERIES-
XX MARK:NO MOUNT
NO MARK:REC/PB MODE

Table of Contents

Related product manuals