EasyManua.ls Logo

Sony RMT-D189P - Interface Control Block Diagram; Interface Control Logic Diagram

Sony RMT-D189P
82 pages
Print Icon
To Next Page IconTo Next Page
To Next Page IconTo Next Page
To Previous Page IconTo Previous Page
To Previous Page IconTo Previous Page
Loading...
DVP-NS611HP/NS710H/NS710HP/NS717HP/NS718H/NS718HP/NS728H/NS728HP
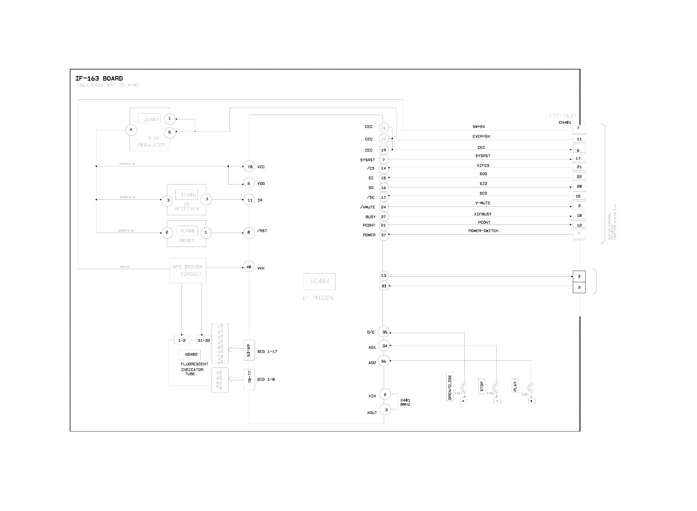
3-7. INTERFACE CONTROL BLOCK DIAGRAM
3-13 3-14E
USB_EN
USB_FLG
CN402
To USB Board FB-224
For USB model only

Table of Contents

Related product manuals