EasyManua.ls Logo

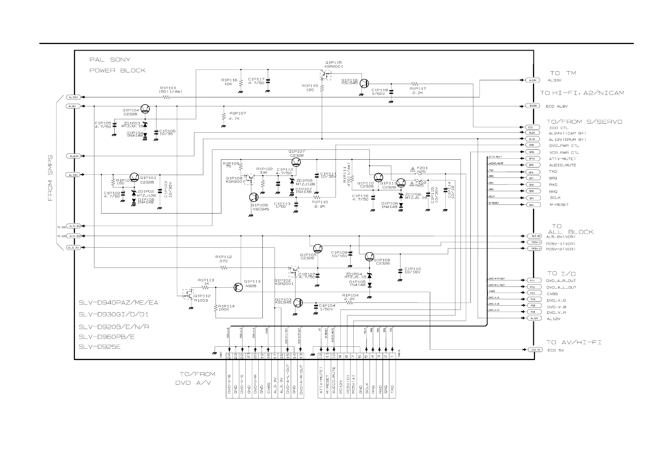
Sony RMT-V503C - 5-2 Power Drive

Sony RMT-V503C
27 pages
Print Icon
To Next Page IconTo Next Page
To Next Page IconTo Next Page
To Previous Page IconTo Previous Page
To Previous Page IconTo Previous Page
Loading...
5-65-5
5-2 Power Drive

Related product manuals