EasyManua.ls Logo

Sony SA-TS22W - Schematic Diagram - DIAT BUILT PD Section

Sony SA-TS22W
28 pages
Print Icon
To Next Page IconTo Next Page
To Next Page IconTo Next Page
To Previous Page IconTo Previous Page
To Previous Page IconTo Previous Page
Loading...
1313
SA-TS22W
SA-TS22W
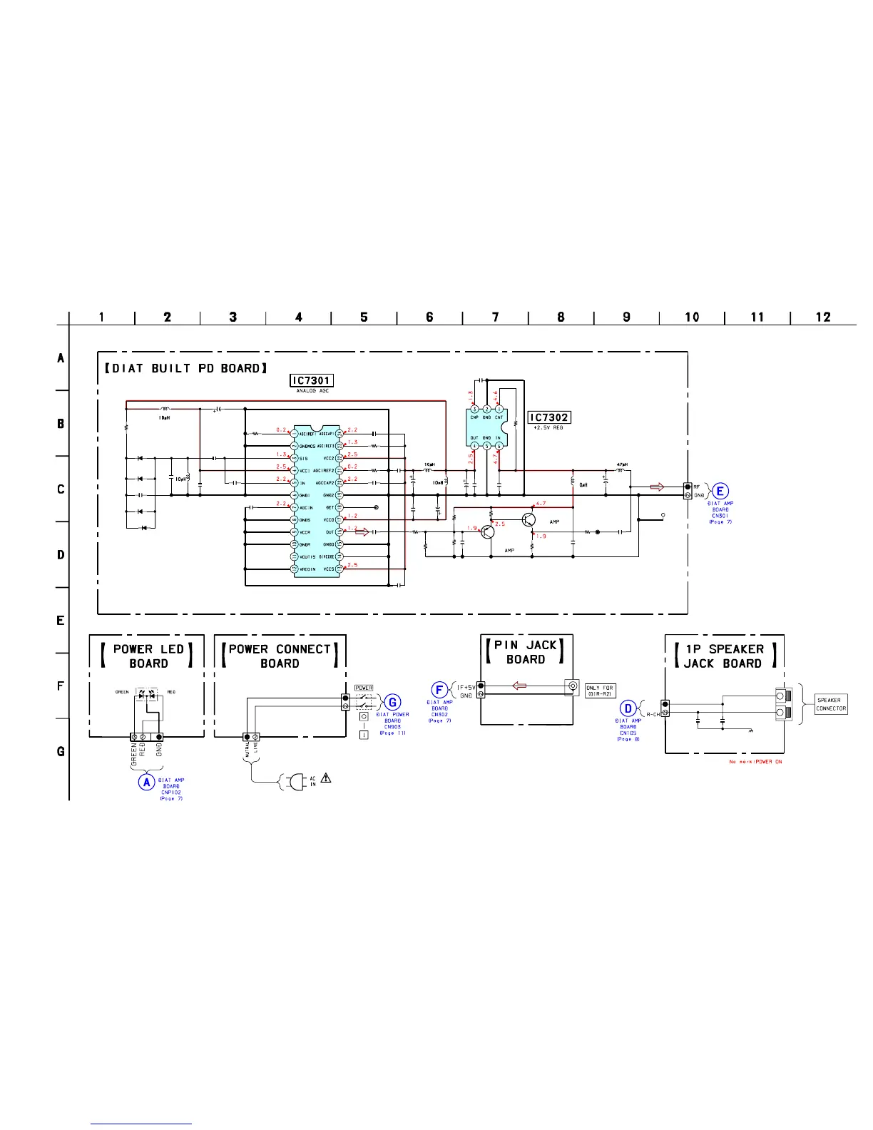
2-9. SCHEMATIC DIAGRAM — DIAT BUILT PD SECTION —
D400
T101
CN400
CN905
CN904
S901
CN303
J301
C22 C12
CN100
L7301
R7302
L7302
R7301
C7319
D7304
D7303
D7302
D7301
C7320
IC7302
C7322
C7301
IC7301
R7304
R7303
L7304
L7303
L7305
C7304
C7303
C7306
C7312
C7308
C7318
L7306
R7312
C7324
R7308
R7307
R7306
R7309
R7310
R7311
R7305
C7310
C7323
CN7301
Q7302
Q7301
TP7302
C7315
C7316
C7314
C7313
C7307
C7309
C7311
C7305
C7321
C7317
TP7301
CNP7302
SPR-54MVWF
TERMINAL BOARD
1P
3P
2P
2P
2P
0.001
50V
0.001
50V
2P
1k
2.2k
0.1
PP508
PP508
PP508
PP508
0.01
TK11225CMCL-G
0.1
0.1
CXA3668N-T4
33k
1.5k
0.0068
47p
0.1
0.0047
47
6.3V
47
6.3V
10k
100
10k
10k
22k
1k
100
10
1k
0.001
0.01
2P
2SC2712G-TE85L
2SA1162G-TE85L
RF
0.1
47
6.3V
47
6.3V
0.1
0.0068
0.1
0.01
100p
0.1
10p
DET

Related product manuals