EasyManua.ls Logo

Sony SA-WSD35 - Main Board Schematic Diagram (2;9)

Sony SA-WSD35
80 pages
Print Icon
To Next Page IconTo Next Page
To Next Page IconTo Next Page
To Previous Page IconTo Previous Page
To Previous Page IconTo Previous Page
Loading...
HT-S350/SD35
HT-S350/SD35
29
Sony CONFIDENTIAL
For Authorized Servicer
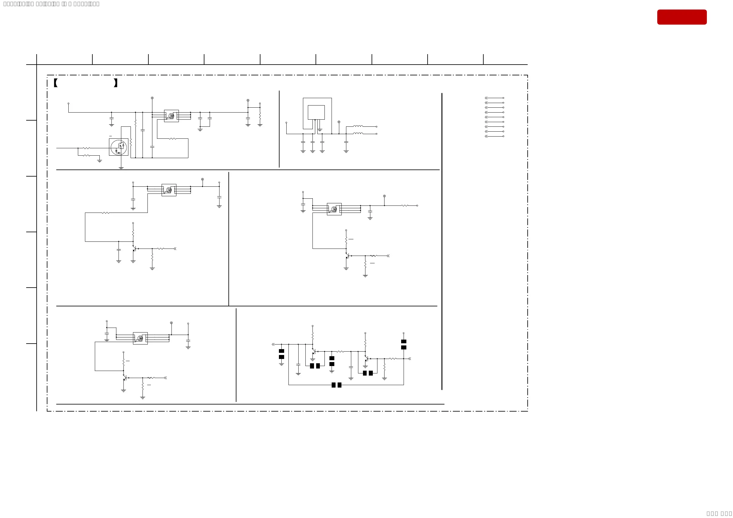
4-4. SCHEMATIC DIAGRAM - MAIN Board (2/9) -
A
E
D
B
C
12345678
(2/9)MAIN BOARD
F
9
AMP PVDD Power Ctrl
BT Power Ctrl (H:Action)
(1A max)
Normal Power Ctrl (H:Action)
HDMI Power Ctrl (H:Action)
(39A max)
5V ==> 3.3V NORMAL
NORMAL
NORMAL +5V Power Ctrl (H:Action)
S
S
S
GD
D
D
D
S
S
S
GD
D
D
D
S
S
S
GD
D
D
D
S
S
S
GD
D
D
D
AMP_Q_C
AMP_24V_MOS_RL
NORMAL_PWR_ON
Q4D
PSON3
PSON2
PSON4
Q8_power
Q3G
+5V_IC1
+3V3_IC1
+24V_D4
BT_ON_G
BT_PSON2
BT_PSON3
Q4G
Q14_power
Q14_control_G
Q14_control_G_2
Q8_control_G
Q8_control_G_1
PCONT_M_SYS
4,6,11
NORMAL_PWR_ON
5
PCONT_BT
6
NORMAL_PWR_ON
5
HDMI_PCONT
6
+3V3_AMP
7
+5V
9
+3V3
11
+24V
4,6,10
+24V_PVDD
7
+3V3_STB
4,6,8,10,11,12
+3V3_BT
6,8
+5V_STB
4,10,11
+5V_HDMI
11
Q16
MMBT3904-3-GP
R30
300KR2J-GP C45
SC4D7U25V5KX-GP
C39
DUMMY-R2-GP
Q18
MMBT3904-3-GP
R51
47KR2J-2-GP
TP173
TPAD60-OG-GP
C44
SC100P50V2JN-3GP
R44
DUMMY-R2-GP
C51
SC100P50V2JN-3GP
L4
HCB1608KF-301T20-GP
TP6
TPAD60-OG-GP
C52
SCD1U50V2KX-1-GP
R46
47KR2J-2-GP
L5
HCB1608KF-301T20-GP
R50
4K7R2J-2-GP
Q3
L2N7002SLT1G-GP
R468
47KR2J-2-GP
C47
SC1U50V3KX-GP
C42
SCD1U50V3KX-GP
C41
SCD1U10V2KX-5GP
R38
DUMMY-R2-GP
R36 4K7R2J-2-GP
R4
0R3J-0-U-GP
R467
4K7R2J-2-GP
C48
SCD1U50V2KX-1-GP
TP4
TPAD60-OG-GP
R34
10KR2J-3-GP
R48
DUMMY-R2-GP
Q7
MMBT3904-3-GP
R47
DUMMY-R2-GP
R472
4K7R2J-2-GP
R33
100KR2J-1-GP
C43
SCD1U50V2KX-1-GP
R32
100KR2J-1-GP
Q8
AON7403-GP-U
C333
SC100P50V2JN-3GP
C38
SC10U10V5KX-6-GP-U
R31
0R2J-2-GP
R49
4K7R2J-2-GP
R40
10KR2J-3-GP
TP5
R39
DUMMY-R2-GP
C53
SCD1U50V2KX-1-GP
C46
SC1U50V3KX-GP
R35
4K7R2J-2-GP
Q4
MMBT3904-3-GP
Q2
AON7403-GP-U
R28
470KR2F-GP
C50
SC100P50V2JN-3GP
R461
4K7R2J-2-GP
C330
SCD1U50V2KX-1-GP
C49
SCD1U50V2KX-1-GP
C331
SCD1U50V2KX-1-GP
R45
DUMMY-R2-GP
R459
4K7R2J-2-GP
C40
SC10U6D3V2MX-GP-U
Q19
AON7403-GP-U
R37
4K7R2J-2-GP
Q14
AON7403-GP-U
R42
4K7R2J-2-GP
Q17
MMBT3904-3-GP
TP158
TPAD60-OG-GP
TP157
TPAD60-OG-GP
R460
47KR2J-2-GP
IC1
TLV1117LV33DCYR-GP-U
+24V
+3V3_STB+3V3_STB
+24V_PVDD
+3V3_STB
+5V_STB
+5V_HDMI
+5V
+3V3
+3V3_AMP
+3V3_STB
+3V3_BT+3V3_STB
+5V_STB
+5V
+3V3_STB
+3V3_STB
+5V
+3V3
+3V3_AMP
+24V
+24V_PVDD
+3V3_BT
+3V3_STB
+5V_HDMI
+5V_STB
C
B
E
12
12
12
C
B
E
12
1
12
12
12
12
1
12
12
12
12
S
G
D
12 12
12
12
12
12
12
12
12
1
12
12
C
B
E
12
12
12
12
12
1
2
3
45
6
7
8
12
12
12
12
12
1
12
12
12
12C
B
E
1
2
3
45
6
7
8
12
12
12
12
12
12
12
12
12
1
2
3
45
6
7
8
12
1
2
3
45
6
7
8
12
C
B
E
1
1
12
1
2
3
4
NORMAL PWR ON:H Action
NORMAL PWR ON:H Action
GND
OUTPUT#2
INPUT
OUTPUT#4
DNP
DNP
DNP
DNP
DNP
DNP
DNP
SYSSET
2019/02/1301:27:25(GMT+09:00)

Table of Contents

Related product manuals