EasyManua.ls Logo

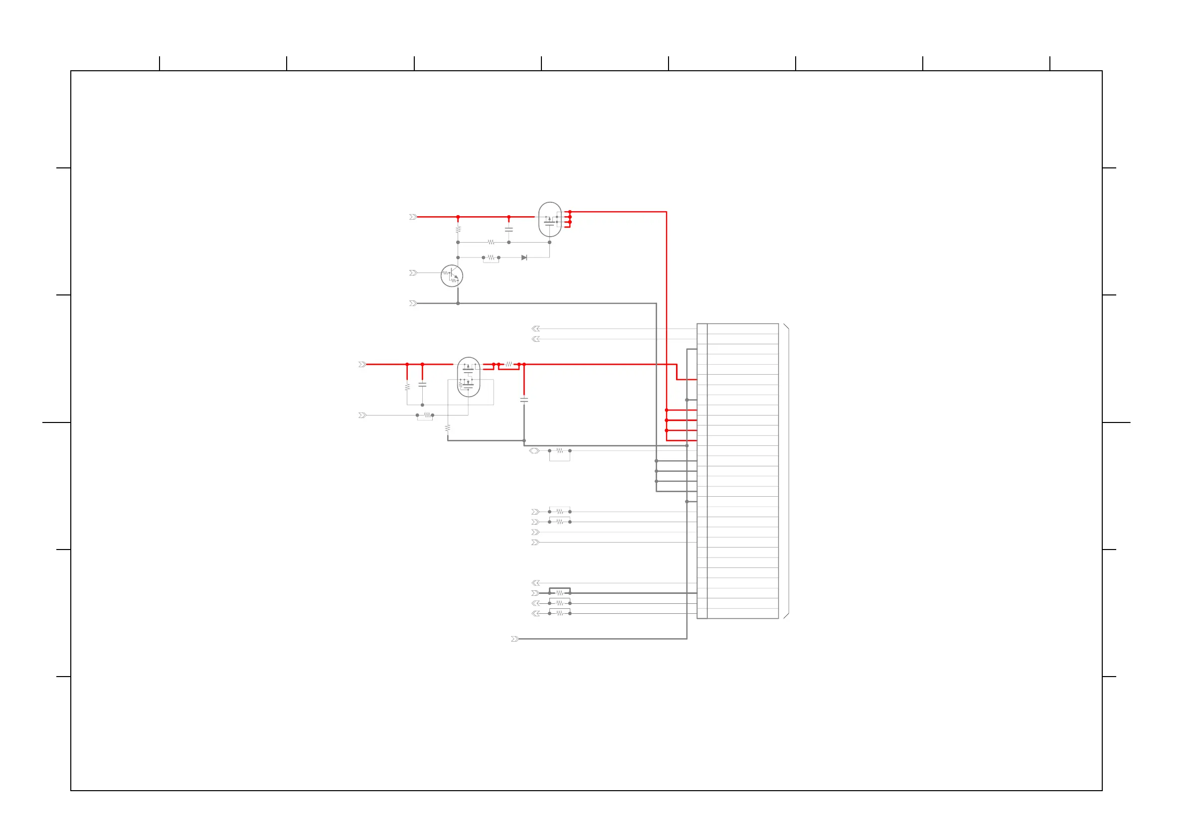
Sony SLT-A58K - AM-1001 BOARD (19;20)

Sony SLT-A58K
53 pages
Print Icon
To Next Page IconTo Next Page
To Next Page IconTo Next Page
To Previous Page IconTo Previous Page
To Previous Page IconTo Previous Page
Loading...
SLT-A58K/A58M/A58Y_L3
6-22
SHM-2000
FLEXIBLE
LND7506
(PAGE 6-27)
12345 6 7 8 9
A
B
C
D
E
F
A
B
C
D
E
F
08
AM-1001 BOARD (19/20)
CONNECTOR
XX MARK: NO MOUNT
R5217 XX
REG_GND
LOGIC_VDD_ON
SHOE_ID3
AUDIO_GND
SHOE_ID1
R5214
XX
SHOE_ID2
D_3.1V
SHOE_MIC_L
EXT_FLASH_F2
R5209
1k
R5215
XX
SHOE_GND
EXT_FLASH_F3
Q5201
SSM6E01TU
B+ SWITCH
1
2
6
4
5
3
R5213
XX
R5203
100k
R5216 XX
SHOE_MIC_R
EXT_FLASH_TRIG
C5201
0.22u
C5217
XX
R5225
XX
R5226
XX
R5227
XX
Q5202
RN1104MFV(TL3S
R5228
10k
R5229 1M
R5230 XX
SHOE_ON
SHOE_UNREG
CN5201
29P
1
ID3
2
ID1
3
REG_GND
4
GPS_CTS/WLAN_SD_D0
5
GPS_UART_TXD/WLAN_SD_D2
6
LOGIC_VDD
7
NC
8
REG_GND
9
UNREG
10
UNREG
11
UNREG
12
UNREG
13
F2/EXT_EVF_SI
14
PGND
15
PGND
16
PGND
17
PGND
18
ISO_SHOE_FG
19
F1/EXT_EVF_SO
20
F3/EXT_EVF_SCK
21
XGPS_RST/XWLAN_RST/AUDIO_R
22
MIC_C/WLAN_SD_CMD/SP_OUT/AUDIO_L
23
GPS_UART_RXD/WLAN_SD_D3
24
GPS_RTS/WLAN_SD_D1
25
GPS_PWR_CTRL/WLAN_SD_CLK
26
ID2
27
MIC_GND
28
MIC_R/GVIF_SDATA_P
29
MIC_L/GVIF_SDATA_N
LINEOUT_L
LINEOUT_R
C5218
1u
D5202
1SS387-TPL3
Q5203
RW1C025ZPT2CR
1
3
4
2
5
6
Q5202,Q5203
B+ SWITCH

Table of Contents

Related product manuals