EasyManua.ls Logo

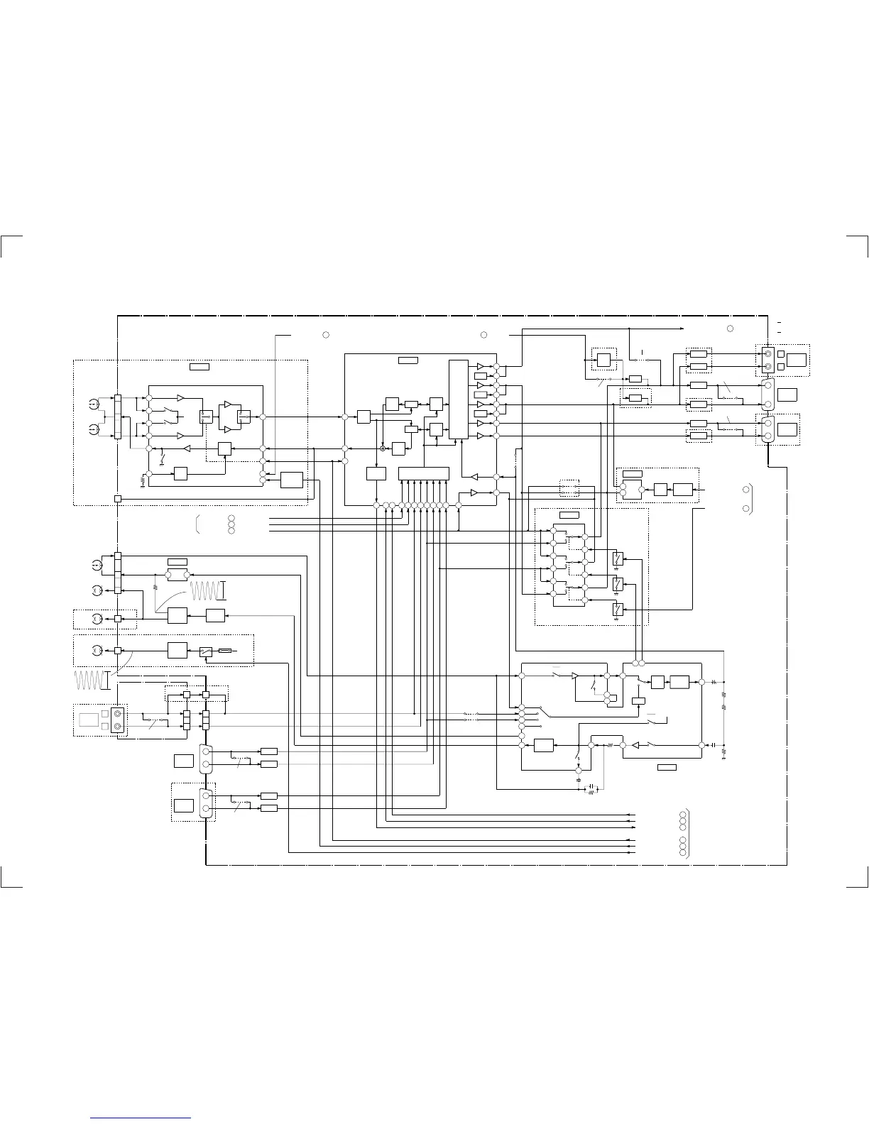
Sony SLV-SE50 - Audio Block Diagram

Sony SLV-SE50
84 pages
Print Icon
To Next Page IconTo Next Page
To Next Page IconTo Next Page
To Previous Page IconTo Previous Page
To Previous Page IconTo Previous Page
Loading...
SLV-SE35/SE50/SE60/SE70/SE80/SX60/SX70/SX80
3-4. AUDIO BLOCK DIAGRAM
3-7 3-8
BOARD
FR-152
CN480
FR (R)
CN501
J500
R
L
CN260
DRUM
AUDIO
HEAD
CH1
CH2
17
MUTE REC
IC340
AFM
REC/PB
AMP
18
24
20
AGC
DET
13
16
VCC
3
9
1
H SW
5REC
CA
HA
HA
REC ON
EP
SP
AGC
AMP
PB ON
VCC
36
37
AGC
AMP
VCO
HF
LPF
PNR
L
MUTE
OUTPUT
SEL
INPUT SEL
LEVEL
DET
VCO
HF
LPF
PNR
L
12
13
MUTE
15
14
MUTE
16
17
NORMAL IN
NORMAL OUT
21
20
IC360
AUDIO
PROCESSOR
(HIFI)
39 5 6
SCL
42
SDA
41
AF SWP
40
AGC
FR (L)
BIAS
ERASE
OSC
T320,Q321
1
2
4
AUDIO
ERASE
HEAD
AUDIO
REC/PB
HEAD
HEAD
SW
42
IC301
1
FULL
HEAD
CN330
IC200
AUDIO
PROCESSOR
(MONO)
MUTE
LINE
AMP
81
P
ALC
94 93
91
92
PB:
LP,SP
EQREC
REC
REC
838588
REC:EP,LP
PB:EP
87
86
AUTO
BIAS
90
89
AUTO
PB LOW OUT
74
76
78
TUNER (L)
TU702
26
TUNER (R)
TU702
27
(2/2)
FROM/TO
SYSCON
BLOCK
16
AF REC P IC162 22
FULL ERS IC162
23
1
CN341
CHECK
FOR
HF ADJ
11
12
13
MA-339 BOARD
CN301
FULL
ERASE
OSC
T330,Q330
ERASE
SW12V
Q331,322
PS330
J480
LINE 2
IN
TUNER MONO
TU701,TU702
21
3 4 7 8
FL504
FL505
FL502
FL503
3
1
A (L)
A (R)
LINE 1
AUDIO
CN500
AF SW P IC162 19
AF ENV IC162
9
IIC CLK IC162
71
IIC DATA IC162
72
4
6
2
A (R)
A (L)
CN500
LINE 1
IN
BIAS
SW
Q320
FL500
FL501
MUTE
SW
A MUTE
IC162
63
FROM
SYSCON
BLOCK
MUTE
Q591
Q592
AUDIO
OUT
VREF
80
REC H IC200
96
FROM
VIDEO
BLOCK
R
3
EXSEPT
35/50 MODEL
FROM
SYSCON
BLOCK
ERASE
1
FULL
HEAD
CN300
MODEL
35/60/70/X70
50/80/X80 MODEL
3
CN480 CN501
L
R
3
3
5
5
JS494
50 ONLY
80/X80 MODEL
70:EE,EG,EN/X70:EN/
50 ONLY
6
2
A (R)
A (L)
CN570
LINE 3
IN
FL570
FL571
JS500
JS571
JS366
35/50 MODEL
50:EG ONLY
EXSEPT
35/50 MODEL
EXCEPT
35/AE1,AE2,EE
MODEL
EXCEPT
35/AE1,AE2,EE
MODEL
EXCEPT
35/50/AE1,AE2,EE
MODEL
1 2 44
19
18
1
2
3
5
12
13
15
IC580
C+ SWITCH
Q582
Q581
SURR
AMP
IC870
5
14
8
BIAS
AMP
SURR
CONT
Q870Q871 Q870
4
14
10
9
11
Q580
JS581
2426
50:EG
MODEL ONLY
JS580
JS570
EXCEPT
50:EG MODEL
CUTTING
SOUND
PICTURE,
Q340
50:EE MODEL ONLY
FROM/TO
(SEE PAGE 3-5)
(SEE PAGE 3-5)
(SEE PAGE 3-5)
(SEE PAGE 3-5)
(SEE PAGE 3-3)
(SEE PAGE 4-7,9,13,17)
(SEE PAGE 4-23)
SYSCON
BLOCK
SE ON IC162
67
DEC/VTR IC162
58
JS590
Q590
MUTE
35/50
MODEL
EXCEPT
35/50 MODEL
JS367
35/50 MODEL
50 MODEL
EXCEPT
35/50 MODEL
MOD A
TU701,702
2
TO
TUNER
BLOCK
JS364
JS361
35/50
MODEL
EXCEPT
35/50:EG MODEL
50:EE/70/X70/
80/X80 MODEL
JS501
35/50:EG
MODEL
3
1
A (L)
A (R)
LINE 3
AUDIO
CN570
FL572
FL573
50:EG
MODEL
EXCEPT 35/50/
AE1,AE2,EE,UX MODEL
50:EE/70:EE/
80:EG MODEL
3P
EXCEPT
35/50/60/70:EE/
2P
80:EG/X80 MODEL
EXCEPT
35/AE1,AE2,EE MODEL
T320 6, REC
70kHz ±10kHz 46Vp-p
T330 6, REC
55Vp-p
70kHz ±10kHz

Table of Contents