EasyManua.ls Logo

Sony SLV-SE50 - Power Block Diagram

Sony SLV-SE50
84 pages
Print Icon
To Next Page IconTo Next Page
To Next Page IconTo Next Page
To Previous Page IconTo Previous Page
To Previous Page IconTo Previous Page
Loading...
SLV-SE35/SE50/SE60/SE70/SE80/SX60/SX70/SX80
3-9 3-10E
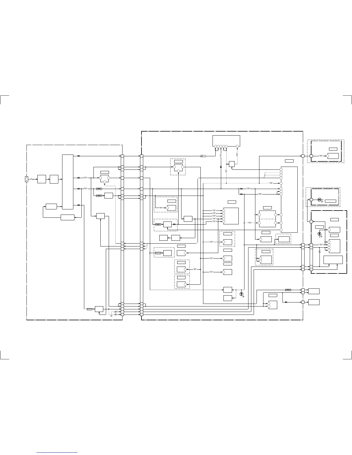
3-5. POWER BLOCK DIAGRAM
12V
REG
21
4
IC601
R711
VCC
14
AFM.
AUDIO PROC
IC340
T/S
REEL
CAPSTAN
MOTOR
IC162
SERVO/SYSTEM
CONTROL
LOADING
MOTOR DRIVE
VCC1
8
VCC2
9
IC130
PS120
D110
CN101
MTR 12V
MTR 12V
SW 5V
CN102
DRUM
MOTOR
RESET
PULSE
GEN.
POWER
FAIL
DET.
VCC2
5
VCC1
7
IC160
FLUORESCENT
INDICATOR TUBE
ND420
F-F+
7
1
1
SRV878EK BOARD
C+12V
T/S
SENSOR
Q100,101
PH100,101
16
LINE
FILTER
RECT
F101
AC
IN
D101-104
L101-103
PHOTO
INTERRUPTER
PC151
D251
CN101
SWITCHING
REG.
Q151
L201
D252
L202
D253
D254
POWER
TRANS
T151
TU701/702
L205
L202
L203
L204
L300
Y VCC
11
C VCC
58
CCD VCC
56
A VCC
75
ALWAYS 5V
39
Y/C PROC
AUDIO PROC
IC200
MTR12V CONT
64
-14V CONT
74
AMP VCC
98
L160
D161
D160
L140
5
8
VCC
37
AVCC
99
RESET
34
P FAIL
78
L662
OSD VCC
53
IC161
EEPROM
VCC
8
IC420
FL DRIVER
L400
VDD
1
VDD
44
VEE
16
IC400
REMOTE
CONTROL
RECEIVER
VCC
2
MTR 12V
4
5
6
CN600
UN+30V
+13V
13
P CONT 2
11
P CONT 1
17
2
3
SW+5V
14
D+6V
12
SW+12V
P SAVE CONT 1
PS602
C+ 5V
SWITCH
Q607,608
D603
NA 5V
REG
Q609
L001
IC001
RR PROC
VCC
5
PS330
FE BIAS
OSC
T330,Q331,332
BIAS
SWITCH
Q320
ERASE
OSC
T320,Q321
IC320
HEAD SW
VCC
1
L341
12V
35
AUDIO PROC.
(HIFI)
IC360
L360
ALL 5V
13
VIDEO
R/P AMP
IC260
L270
D100
T/E LED
NA 5V
C+5V CONT
75
L161
SW12V CONT
65
MODE CONT
10
POWER CONT1
P SAVE CONT1
POWER CONT2
30V
16
30V
7
BB (5V)
1
L750
D750
5V
25
L701
SW
Q751,752
5V
14
L751
MB (5V)
4
Q800-804
AV LINK
CIRCUIT
-14V
D5V
CN160
9
4
VEE
17
CN420
11
16
9
13
11
7
F+
F-
MA-339 BOARD
FR-152 BOARD
POWER
D400
+13V
+13V
SW+5V
7
8
-F (0V)
18
16
19
MTR +12V
+F (2.9V)
-14V
MTR +12V
7
8
18
16
19
13
11
17
4
5
6
2
3
14
12
CN201
12V
SW
21
4
IC201
PS202
SW 5V
REG
Q205
PS201
SWITCH
Q201,204
PS251
SWITCH
Q207,210,211
50/70:EE/80
MODEL
EXCEPT
35/AE1,AE2,EE
MODEL
EXCEPT
35/AE1,AE2,EE
MODEL
50/80/X80
MODEL
IC580
C+ SW
VDD
16
50:EG
MODEL ONLY
EXCEPT
35/50/AE1,AE2/
EE,UX MODEL
L580
IC870
SURR AMP
VCC
4
EXCEPT
35/50
MODEL
IC850
VPS/PDC
VDD D
19
VDD A
20
EXCEPT
EE/60/X60
MODEL
EXCEPT
60/X60
MODEL
(TU701)
4
CN420
CN401
1
SURROUND
D401
CN401
CN403
SU-5 BOARD
50:EE MODEL ONLY
8
L975
SW 5V
CN201
8
CN970
IC970
SECAM PROC.
(SEE PAGE 4-29)
(SEE PAGE 4-23)
(SEE PAGE 4-23)
(SEE PAGE 4-7,9,11,13,15,17)
(SEE PAGE 4-27)
VCC
22
SE-77 BOARD
B MODEL ONLY

Table of Contents

Related product manuals