EasyManua.ls Logo

Sony SLV-SE50 - Page 45

Sony SLV-SE50
84 pages
Print Icon
To Next Page IconTo Next Page
To Next Page IconTo Next Page
To Previous Page IconTo Previous Page
To Previous Page IconTo Previous Page
Loading...
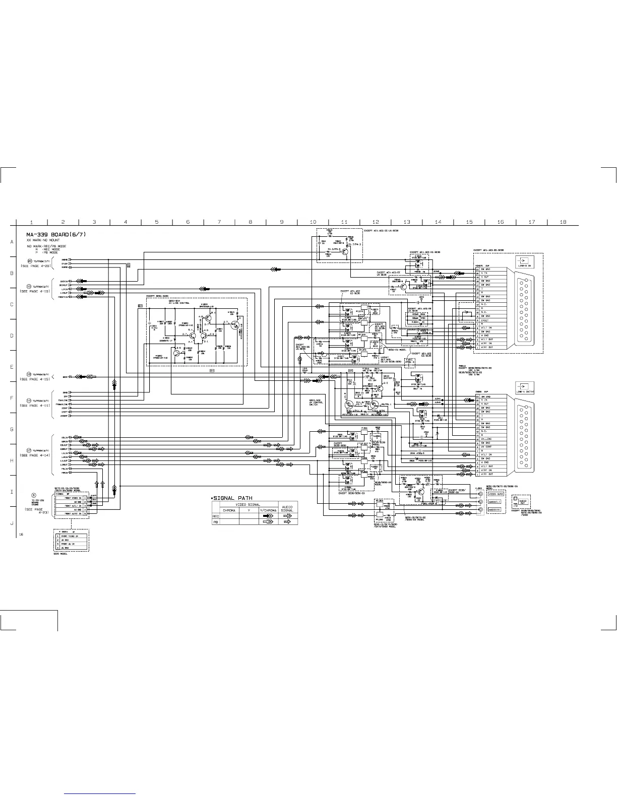
SLV-SE35/SE50/SE60/SE70/SE80/SX60/SX70/SX80
For schematic diagram
Refer to page 4-5 for printed wiring board.
MA-339 (6/7) (INPUT/OUTPUT) SCHEMATIC DIAGRAM
— Ref. No. MA-339 Board:1,000 Series —
4-17
4-18
INPUT/OUTPUT
MA-339 (6/7)
2.5
1.8
2.5
1.8
D514
MTZJ-13
D514
MTZJ-13
D576
MTZJ-13
SE50:EG
MODEL

Table of Contents

Related product manuals